همانطور که بارها اشاره شد برای عیبیابی و رفع عیب در هر مدار باید بهصورت تخصصی آن مدار را بررسی کرد. بنابراین با اینکه در مقالهای تاریخچه و اجزا سیستم قفلمرکزی و مدار عمومی سیستم قفلمرکزی و کلیات این سیستم بررسی شد. در این مقاله عملکرد مدار قفل مرکزی سمند و پژو 405 / پارس/ دنا تشریح خواهد شد.
آنچه در این مقاله خواهید خواند...


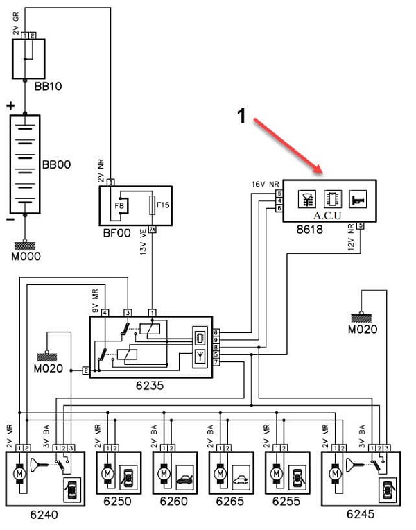
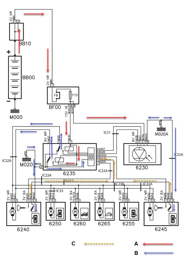
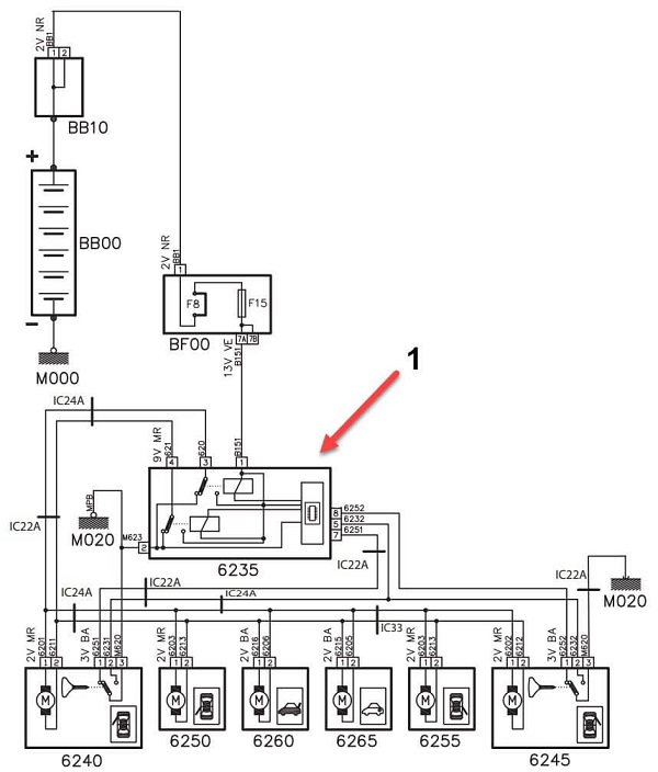
شکل 1- انواع مدارهای قفل مرکزی سمند /405 غیر مالتی پلکس
1-باتری 2- جعبهفیوز کالسکهای 3- جعبهفیوز اتاق 4- یونیت قفلمرکزی 5- واحد گیرنده
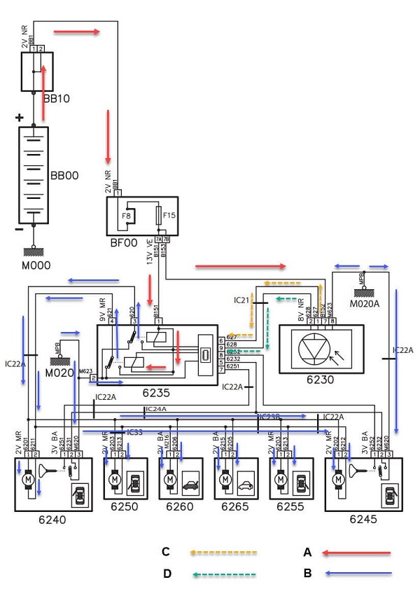
A- برق مثبت B- برق منفی
C- فرمان باز کردن D- فرمان قفلکردن
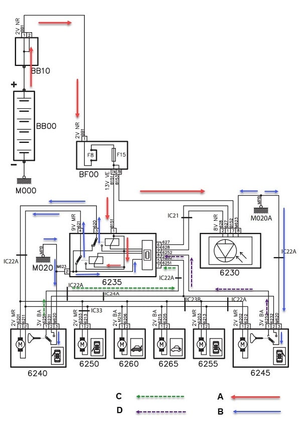
A- برق مثبت B- برق منفی C- فرمان باز کردن
A- برق مثبت B- برق منفی C- فرمان باز کردن از مغزی سوئیچ درها
A- برق مثبت B- برق منفی C- فرمان قفلکردن از در سمت راننده D- فرمان قفلکردن از در سمت شاگرد
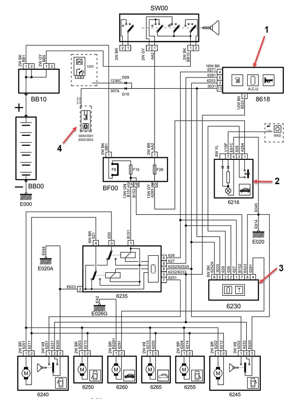
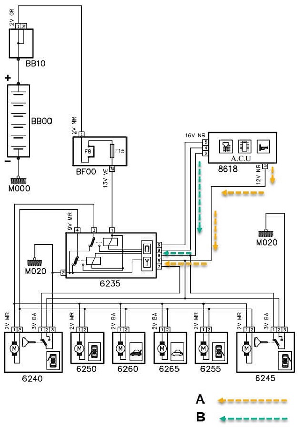
1- واحد یونیت + گیرنده
1- واحد ACU
A- سیگنال باز کردن B- سیگنال قفلکردن
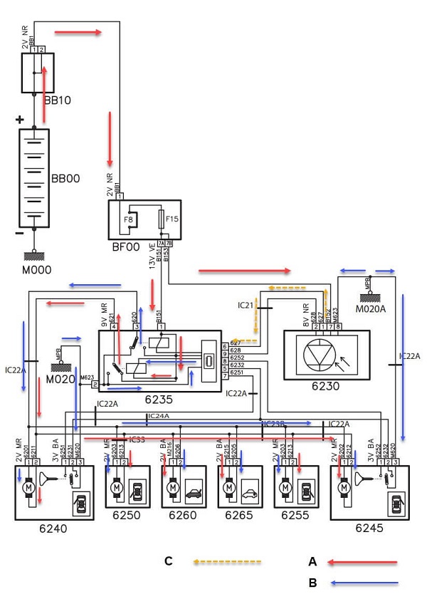
1- واحد سخنگو 2- کلید صندوق پران 3- واحد گیرنده 4- کلیدهای لای در
A- مسیر برق مثبت B- سیگنال مثبت تحریک به گیرنده C- اتصال بدنه
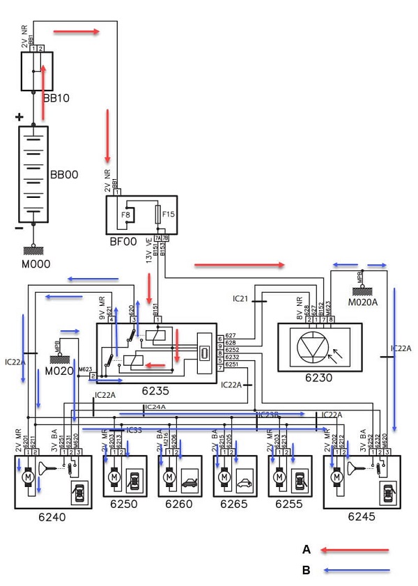
A- سیگنال باز کردن B- سیگنال قفلکردن























سلام خسته نباشید ببخشید هیچ اشاره ای به پایه های ۵ و ۶ گیرنده سقفی داخل مقاله تون نکردید که کارشون چیه؟چرا طبق نقشه گیرنده سقفی باید از باز بودن درب ها مطلع بشه
سلام این دو پایه مربوط به عملکرد سوئیچ اینرسی، کلیدهای لای درها و پمپ در هست و گیرنده باید تمایز بین باز شدن در با سوئیچ، ریموت و کلیدهای لای دری را داشته باشد.
سلام مهندس یک سمند se دارم مدل 91 قفل مرکز داخل کابین مشکل داره بعضی اوقات به درستی کار میکنه بعضی اوقات درب از داخل باز نمیکنه ..یعنی در مواقع در بسته باشه چراغ کلید روشن باشه هیچ مشکلی ندارد ..این چراغ روی کلید خاموش میشه عملکردش قاطی میکنه چند بار دکمه باید بزنی تا در باز شه کلید و یونیت قفل مرکزی داخل کابین عوض کردم هنوز مشکل رفع نشده…..
سلام کارکرد کلید قفل مرکزی رو بررسی کنید.
خیلی خوب بود متشکریم🙏
سلام و سپاس از همراهی شما
سلام وقت بخیر
بدلیل اتصالی سیم کشی ماشین سمند ال ایکس مدل ۸۶ تعویض کردم حالا درها با بستن سویچ و یا فشردن دکمه یک سخنگو باز نمیشوند باقی عملکردها درست هستند ممنون میشم راهنمایی کنید
سلام کارکرد یونیت قفل مرکزی و پمپ قفل در سمت راننده رو بررسی کنید.
سلام وقت بخیر ماشین من شرمنده سخنگو مدل ۹۴ هست قفل مرکزی فقط با سویچ در کار میکنه با سخنگو و ریموت کار نمیکنه مشکل از چیه
سلام اگه هم با ریموت کار نمیکنه هم با سخنگو، احتمالا کنترل یونیت قفل مرکزی مشکل داره ولی اگه فقط ریموت کار نمکنه که مشکل از ریموت یا گیرنده است و اگه فقط سخنگو کار نمیکنه که ایراد از سخنگو میتونه باشه.
اون رله زیر فرمان رو تعویض کنم درست میشه؟
رله زیر فرمان عوض بشه مشکل حل میشه؟
با تعویض یونیت که زیر فرمان هست مشکل حل میشه؟
سلام باید تست کرد.
سلام شب بخیر، جناب مهندس
من سمند lxمدل ۸۸دارم، مدتی قبل پمپ درب صندوق عقب به صورت خودکار باز وبسته میشد ،اول آمدم سر باتری را جدا کردم خوب نشد ،بعد ریموت راباز کردم وباتری را عوض کردم ومجددا سر باتری رابازکردم و ۹ساعت بعد وصل کردم ،خوب شد ،ولی مجددا خراب شده ودرب صندوق عقب خودکار بازوبسته میشه ومجبور شدم یونیت رادیوی داخل سقف را جدا کنم وحالا بدون ریموت باز وبسته میکنم ،ممنون میشم راهنماي کنید،مشکل از کجاست وجای رله وقفل مرکزی کدام قسمت است،باتشکر توکلی
سلام کارکرد یونیت قفل مرکزی که زیر قاب فرمان نصب میشه رو بررسی کنید.
سلام و خسته نباشید
سمند مدل ۹۴ سخنگو چرا دو در عقب و درب باک باز و بسته نمیشن فقط دو در جلو و جعبه درست کار میکند ممنون میشم راهنمایی کنید
سلام پمپ درهایی که کار نمیکنه رو بررسی کنید که سالم هست یا خیر اگه سالم بود سیم کشی و کنترل یونیت قفل مرکزی رو بررسی کنید.
سلام و وقت بخیر، من یک دزدگیر و ردیاب (آنلاین و افلاین) گرفتم که به پایه ۵ و ۷ رله مرکزی وصل میشه، با نصب این دزدگیر باید بی خیال دزدگیر مال خود سمند lx 90 بشم. من نقشه سخن گو رو دیدم نمیشه مثل همین سخنگو رو به دزدگیر وصل کرد، یعنی وقتی روی دزدگیر قفل/باز میزنیم انگار سخنگو دستور ارسال می کنه. همچنین چون هر اتفاقی بیفته آژیر هم فعال خواهد شد، بیایم خروجی رو به ورودی لادری دزدگیر بدیم که وقتی اون تحریک میشه اینم تحریک کنه. هدفم اینکه با ریموت و دزدگیر فابریک کار کنم.الان تداخل دارن. با ردیاب باز کنم دزدگیر فابریرک کار نمی کنه و برعکس. ممنون میشم راهنماییم کنید.
سلام مشکل اصلی اینکه که فرکانس امواج ریموت سوئیچ با فرکانس اموج ریموت دزدگیر یکی نیست و در صورت یکی نبودن سخنگو آژیر رو فعال میکنه
یعنی اصلا راهی نیست وقتی دزدگیر رو فعال می کنیم سخنگو رو هم درگیر کنیم تا دزدگیر کارخونه هم فعال بشه. بیشتر می خوام دزدگیری که نصب می کنم وابسته به دزدگیر کارخونه باشه. و اینو هم فعال و غیرفعال کنه.
همچنین لادری کاپوت فقط تو سوکت سخنگو(اشتباه نکنم پایه های ۱۱ تا ۱۳ برای لادری ها بودن) هست یا تو سوکت قهوه ای کنار پای چپ شاگرد هم پیدا میشه؟(سمند و پژوهای ۹۳ به پایین)
فکر نمی کنم بشه کاری کرد.
ممنون میشم یه راهنمایی بکنید رفتم یونیت قفل مرکزی گرفتم مال خودش قبلاً از این سیم آنتنی بود ولی ریموتش خراب بود الان بهم یکی دادن یدکی میگن مال پژو با این فرق ندارد میخورن بهم آیا ریموت این ب یونیت قبلی ریست میشه درست بشه یانه جدیده جواب میده وصل کنم ممنون میشم جواب بدین
سلام تعریف ریموت رو انجام بدید اگه ریموت رو شناسایی کنه کار میکنه.
سلام عرض ضادب من بخاطر تعویض رادیات بخاری داشبورد یکم کشیدم جلو فرمان باز کردم یونیت قفل مرکزی با سه فیش سویچ باز کردم وقتی وصل شدن دگ درها با سویچ باز نمیشن جزی همون راننده
درود بر شما. بسیار سپاسگزار از پاسختون. قفل اتواتم کار نمیکند سمند 83هست. یعنی با حرکت و رسیدن به سرعت 20 کیلومتر درها بطور اتواتیک بسته نمیشود. راه حل برای فعال شدنش چیست؟
سلام و سپاس، کنترل یونیت قفل مرکزی رو ریست کنید و نتیجه رو بررسی کنید بدین منظور کلید باز کردن یا قفل کردن درها رو 15 ثانیه نگه دارید تا صدای آلارم بشنوید.
قدران پاسخگوییتان هستم. یعنی دکمه on و off روی سویچ ریموت 2دکمه قدیمی باهم 15ثانیه نگهدارم تا ریست شود؟ بعد از ریست کردن ریموت 2دکمه ا باید مجدد با قفل مرکزی ست کرد یا نیازی نیست؟
سلام و سپاس معمولا با یکی از دکمه ها باید ریست بشه اگه نشد با دو دکمه به صورت همزمان هم انجام بدید و اگه سوئیچ دوم هم کار نکرد اون هم ریست کنید.
درود و عرض ادب. جستارتا میخواستم محبت کنید و برام کامل توضیح بدین که چیکار کنم تا هر4 در با سویچ همزمان باز یا بسته بشه.
سلام دربها با باز و بسته شدن درب راننده همزمان باز و بسته بشن و نیاز به انجام کار خاصی نداره.
درود و احترام بابت پاسختون. سویچ که وارد در میشود فقط همان در قفل و باز میشود و نه 3 درب دیگر. میخواهم 4 درب را باز بسته کند که نمیکند. راه حل چیست؟
سلام و سپاس یا پمپ در راننده مشکل داره یا کنترل یونیت قفل مرکزی دچار مشکل شده و بعضا سخنگو اگه مالتی پلکس نباشه. اگه مالتی پلکس باشه باید علاوه بر پمپ در، کارکرد DCN و CCN رو بررسی کنید.
اگر مطمئن هستید سیستم قفل مرکزیتون سالمه ینی با ریموت کار میکنه و فیوزش سالمه و … ، تنها ایراد از سیگنال فرمانی هست که سه رشته سیم هست و به سمت رله قفل مرکزی میره، یا پمپ خرابه یا سیم کشی قطعه، برا مطمئن شدن با در شاگرد هم امتحان کنین اگر مشکل پا بر جا بود، رله آسیب دیده باید رله قفل مرکزی یا همون مستطیل گنده هه رو عوض کنین.
باسلام عرض ادب خدمت شما من همیه این موارد رو دنبال کردم طبق نقشه بیشتر از 100بار تا حالا فقط نمیدونم چرا ریموت برعکس کار میکنه میزنی باشه قفل میشه میخوای قفل کنی باز میشه خوشحال میشم راهنماییم کنین
اگر با کلید و سوییچ تو در این مشکل رو ندارید، قطعا مشکل از مسیر ریسیور سقفی تا رله قفل مرکزی زیر پا یا همون مستطیل گنده هه س. در اصل به جای اینکه فرمان باز کردن رو به پایه 5 بده، به پایه 7 میده و بالعکس،شاید تو مسیر اتصالی کرده شما به چشم نمیبینید،
یه راه دیگه اینکه یه بار ریموت و ریسیور رو ریست کن ببین مشکل حل میشه یا نه.
سلام وقت بخیر ۴۰۵ ۲۰۰۰ دارم قفل مرکزی درب اهرو قفل میکنه ولی برای باز کردن یه برق ضعیف برای پمپ میاد که عمل نمیکنه .مشکل از کجاست ممنون میشم راهنمایی کنی
سلام احتمالا پلاتین رله های داخل یونیت قفل مرکزی اکسید شده باشه لذا برق مستقیم به پمپ ها بدید اگه درست کار کرد کانکتورها رو تمیز و محکم کنید اگه درست نشد کارکرد رله های یونیت قفل مرکزی رو بررسی کنید.
در ضمن، علاوه بر نکته ای که پمپا ضعیف شدن، دلیل دیگه ضعف برق مثبت ورودی رله هم هست، برای تست یه برق مستقیم مثبت به پایه 1 رله قفل مرکزی بدید و دوباره امتحان کنید، اگه مشکل حل شد، مسیر خروجی فیوز 15 تا پشت سوکت رله سولفات کردن یا آسیب دیده که باید ترمیم بشه
سلام وقت بخیر دقیقا ۴۰۵ ۲۰۰۰ دارم همین مشکل رو دارم .دربها همه قفل میشن ولی موقع باز کردن درب شاسی های قفل خیلی کم میان بالا .ولی وقتی ماشین چند ساعت زیر آفتاب مستقیم پارک هست دربها راحت باز و بسته میشن .و جسارتا خواستم بدونم میشه گیرنده و فرستنده پژو ۲۰۰۰ رو با مدل بالاتر گیرنده .فرستنده جابجا کنم.ممنون از لطفتون
احتمال خیلی زیاد مشکل از پمپ های داخل درب هست، زمانی که سرده اصطلاحا جامه و روون نیست، ولی هوا که گرم میشه راحت تر میتونن حرکت کنه، اصطلاحا پمپا ضعیف کرده
مهندس ممنون بابت توضیحات، فقط در مدار دزدگیر فابریک سمند، یک آلارم یا آژیر فابریک دارد، سوکت ۴ سیمه دارد، رنگ بندی این سیم ها و قطبیت ولتاژی که در زمان قفل یا بازکردن به این آژیر ارسال میشود تا عمل کند رو بفرمایید.ممنون
سلام پایه 4 منفی، پایه 1 مثبت و دو پایه دیگه به ACU متصل میشه.
باسلام
بسیار عالی و قابل فهم آموزش داده شده
تشکر
تشکر
تشکر
سلام و سپاس از همراهی شما