در مقاله قبلی با اجزا سیستم قفلمرکزی آشنا شدیم؛ اما مدار قفل مرکزی دقیقاً چگونه هدایت میشود؟ در این مقاله، ما به بررسی فنی نقشه سیمکشی قفل مرکزی میپردازیم. برای درک بهتر، تحلیل را از مدلهای پایه و ساده آغاز کرده و تا بررسی تخصصی نقشه رله قفل مرکزی تیبا، پراید و سمند پیش خواهیم رفت. اگر به دنبال یادگیری عیبیابی یونیت و چگونگی فرماندهی مدار به محرکها هستید، این راهنمای جامع تصویری برای شما تدوین شده است.
آنچه در این مقاله خواهید خواند...
دوره آموزش برق خودرو از صفر تا پیشرفته؛ با مدرک معتبر از دانشگاه شریف، آموزش تخصصی برای موفقیت سریع در بازار کار.
تحلیل اجزای مدار قفل مرکزی و یونیت کنترل
سادهترین سیستم قفل درهای خودرو دارای اجزا زیر هستند.
شکل 1- اجزا اصلی سیستم قفلمرکزی
برای شروع اجزا یک مدار ساده مورد بررسی قرار میگیرد. همانطور که در شکل 1 ملاحظه میشود. هر واحد قفل الکتریکی هر چقدر هم که ساده باشد به این اجزا نیاز دارد. موتور محرک، رله و کلید فرمان. شکل 2 بهصورت شماتیک این اجزا را نشان میدهد.
1- کلید فرمان 2- رله 3- پمپ در
شکل 2- شماتیک قفلمرکزی
همانطور که در این شکل مشاهده میشود مدار بسیار ساده شامل دو پمپ در است به عبارت ساده درهای عقب در این مدل دارای قفل در دستی هستند. پمپهای در از نوع بسیار ساده دوسیمه استفاده شدهاند. شکل 3 این نوع پمپ در را نشان میدهد.
شکل 3- نمونه پمپ در دوسیمه
داخل این پمپ در یک موتور الکتریکی قرار داد که تغییر جهت جریان برق به آن موتور، جهت دوران آن تغییر میکند و این کار باعث حرکت رابط پلاستیکی آن شده و این رابط ضامن قفل در را کشیده و یا آزاد کرده، که سبب قفل شده یا باز شدن قفل در خواهد شد. شکل 4 همان مدار را کاملتر نشان میدهد.
دوره آموزش تعمیر ایسیو با مدرک معتبر از دانشگاه شریف

1- جعبه فیوز 2- کلید فرمان در جلو چپ 3- کلید فرمان در جلو راست
4- رله قفلکن 5- رله بازکن 6- پمپهای 4 در
شکل 4- مدار سیستم قفل درها بدون یونیت
همانطور که در شکل 4 مشاهده میشود کنترل یونیت برای مدیریت عملکرد وجود ندارد. فقط دو کلید فرمان روی درهای جلو وجود دارد. از چهار پمپ محرک در استفاده شده است. مدل بسیار ساده است و عملکرد آن بهراحتی قابلدرک است. در ادامه نحوه عملکرد مدار قفل مرکزی تشریح میشود.
آموزش عملکرد و تست مدار قفل مرکزی بدون یونیت
بهصورت کلی چهار حالت در مدار قفل مرکزی امکانپذیر است
- قفلکردن با کلید در سمت چپ
- باز کردن با کلید در سمت چپ
- قفلکردن با کلید در سمت راست
- باز کردن با کلید در سمت راست
باتوجهبه یکسان بودن عملکرد فقط دو حالت از این چهار حالت تشریح میشود و دو حالت دیگر کاملاً مانند دو حالت تشریحی خواهند بود.
بررسی مدار هنگام قفلکردن درب با کلید (سمت راننده)
شکل 5 مسیر فرمان و مسیر برق اصلی را نشان میدهد.
A- مدار برق فرمان B- مدار برق قدرت
شکل 5- قفلکردن با کلید در سمت چپ در سیستم بدون یونیت
همانطور که در شکل مشخص است اگر کلید سمت چپ برای چند لحظه در حالت قفل قرار گیرد. جریان برق از طریق کلید در سمت چپ وارد بوبین رله قفلکن شده و در انتها به بدنه میرود. با تحریک بوبین پلاتین رله حرکت میکند و برق اصلی (قدرت) از آن عبور کرده و به پایههای پمپهای در میرسد بخش منفی مدار هم از طریق پلاتین رله آزاد کن به پمپها رسیده و در نتیجه همه همزمان در یکجهت برای قفلکردن درها عمل خواهند کرد
مهارت عیبیابی مالتیپلکس را بهصورت عملی یاد بگیر، دوره مالتی پلکس خودرو ایمگ با مدرک معتبر از دانشگاه شریف
بررسی عملکرد مدار در زمان باز کردن درب با کلید
شکل 6 مسیر فرمان و مسیر برق اصلی را نشان میدهد.
A- مدار برق فرمان B- مدار برق قدرت
شکل 6- آزادکردن قفلکردن با کلید در سمت چپ در سیستم بدون یونیت
در این حالت کلید فرمان سمت چپ برق بوبین رله آزاد کن قفل را تأمین میکند در نتیجه این رله فعال شده پلاتین آن عمل میکند. با عملکردن پلاتین جریان برق اصلی دقیقاً بر خلاف حالت قبلی به پمپهای در میرسد و در ادامه پمپها منفی خود را از طریق پلاتین قفلکن که در حالت عادی به بدنه وصل است تأمین میکنند.
نقشه سیمکشی و تحلیل مدار یونیت قفل مرکزی
این مدارهای ساده مشکلات زیادی داشتند. بهعنوانمثال اگر کلیدهای محرک سمت چپ یا راست زیاد در حالت باز یا قفل باقی بمانند و یا دچار اتصالی شوند. به دلیل فعالبودن دائم رلهها (رله قفلکن یا رله بازکن) جریان برق دائمی به موتورپمپهای در میرسد؛ اما کورس حرکت رابط پلاستیکی آن در چند ثانیه اول به انتهای مسیر میرسد و بیشتر نمیتواند حرکت کن. برق دادن بیشتر از حد به موتور سبب سوخت تمامی موتورهای پمپ در خواهد شد.
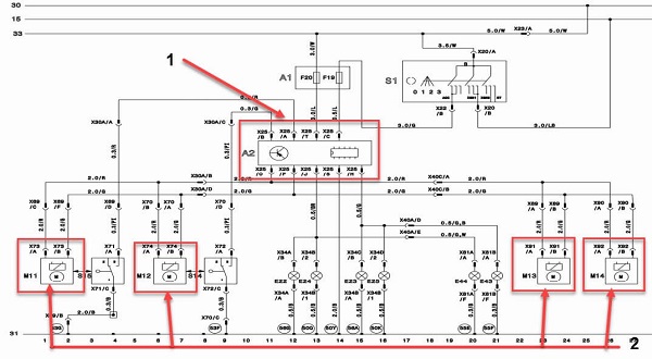
علاوه بر این مشکل اعمال مدیریتهای خواص مثلاً قفلشدن در ها بعد از مدتزمان مشخص یا سرعت مشخص و یا مواردی از این قبل در این مدارهای ساده امکانپذیر نبود. به همین دلیل استفاده از کنترل یونیت برای قفلها اجتنابناپذیر بود. در مدار شماتیک شکل 7 یکی از کاربردهای استفاده از یونیت برای مدیریت بهتر قفلمرکزی را نشان میدهد.
7- یونیت موتور یا پشت آمپر 2- یونیت بدنه یا قفلمرکزی 3- کلید محرک 4- رله بازکن
5- رله قفلکن 6- پمپهای در
شکل 7- شماتیک نوعی مدار قفل مرکزی با کنترل یونیت ساده
در این مدار واحد BCM میتواند اطلاعات سرعت خودرو را از یونیت موتور (یا واحد پشت آمپر) دریافت کند. سپس فرمان قفلکردن در ها را بدون عملکردن کلید محرک بدهد. شکل 8 مسیر فرمان و جریان اصلی برق برای قفلکردن در ها در زمان حرکت و با کمک کلید محرک را نشان میدهد.
A- فرمان با کمک کلید B- فرمان از ECM (مثلاً در حال حرکت)
C- تحریک رله قفلکن D- جریان برق اصلی به پمپهای در
شکل 8- انواع روش تحریک رله قفلکن در مدار قفل مرکزی با یونیت
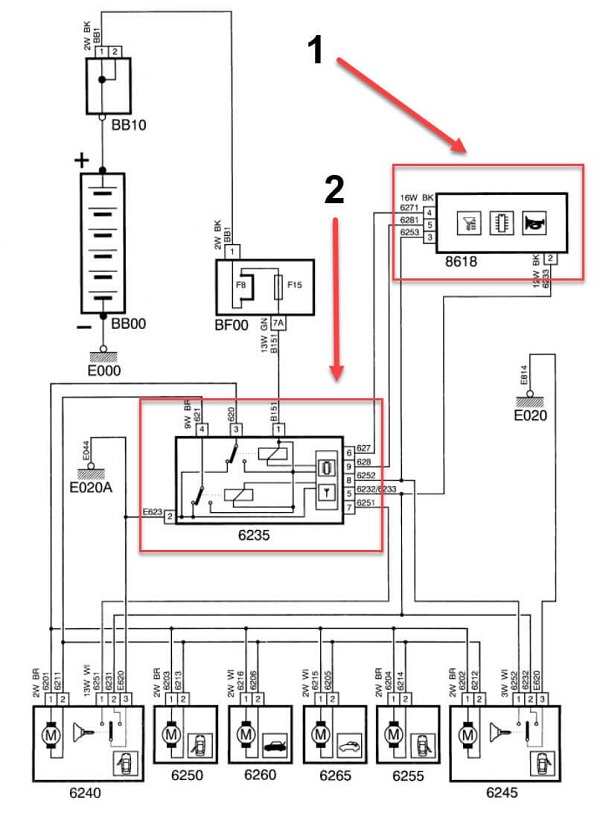
البته در شکل 9 میتواند واحد گیرنده (Reciver) در یونیت BCM قرار داده شود و در نتیجه این واحد با کمک ریموت نیز فرمان قفلکردن و باز کردن را صادر کند.
انواع ریموت قفل مرکزی و نحوه ست کردن آنها
سیستمهای قدیمیتر معمولاً یونیت قفلمرکزی بهصورت مجزا در مدار خودرو مشاهده میشود. شکل 9 مدار قفل مرکزی سمند ساده (قدیمی) را نشان میدهد.
1- گیرنده (reciver) از نوع اینفرارد 2- یونیت قفلمرکزی 3- واحدهای پمپ درها
شکل 9- مدار قفل مرکزی سمند قدیمی با ریموت اینفرارد
استفاده از گیرندههای اینفرارد (Infrared) قدیمیترین نوع استفاده از ریموت در سیستمهای قفلمرکزی بود. این نوع ریموتها مشکلات زیادی داشتند بهعنوانمثال فاصله عملکرد آن بسیار محدود و کم بود بعلاوه باید حتماً ریموت به سمت محل گیرنده نگه داشته میشد تا ریموت کار کند.
معمولاً محل قرار گرفتن گیرنده، نزدیک واحد چراغ نقشه یا چراغ سقفی در نظر گرفته میشد. کثیفشدن بیش از حد لامپ اینفرارد جلوی ریموتها سبب عملنکردن سیستم میشد. به همین دلیل نسلهای بهبودیافته این نوع ریموتها از نوع رادیویی هستند. شکل 10 نمونهای از این نوع را نشان میدهد.
1- گیرنده (reciver) از نوع رادیویی 2- یونیت قفلمرکزی
شکل 10- مدار قفل مرکزی سمند /405 با ریموت رادیویی
ریموت از نوع رادیویی عملکرد بسیار بهتری دارد. لازم نیست حتماً ریموت دقیقاً به سمت محل گیرنده گرفته شود بعلاوه از فاصله دورتری نیز عمل میکند. نوع دیگری از واحدهای قفلمرکزی، گیرنده داخل یک یونیت دیگر قرار داده شد البته هنوز یونیت قفلمرکزی وجود داشت. (شکل 11)
1- واحد ACU (سخنگو) 2- یونیت قفلمرکزی
شکل 11- مدار قفلمرکزی سمند با واحد ACU
استفاده از یک واحد بهعنوان گیرنده کنترل یونیت
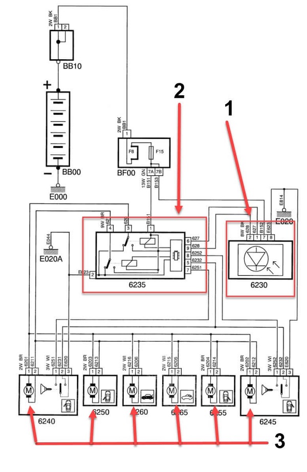
در برخی مدارها واحد گیرنده و یونیت ادغام شده است شکل 12 نمونه از این نوع سیستم قفلمرکزی را نشان میدهد.
1- واحد گیرنده و یونیت قفلمرکزی 2- پمپهای در
شکل 12- مدار قفل مرکزی تیبا
در مقالههای بعدی اجزا داخلی این سیستم بیشتر تشریح خواهد شد و علاوهبرآن نحوه عملکرد مدار قفل مرکزی در خودروهای مختلف بیان شده و نحوه عیبیابی و تعریف ریموتهای مختلف تشریح خواهد شد.

























عالی