نقشه سینوپتیک چیست؟ اگر به دنبال معنی سینوپتیک در دنیای خودرو هستید، باید بدانید این نقشهها نمایی کلی و جامع از ارتباطات پیچیده سیستمهای مدرن را به ما میدهند.با ظهور سیستمهای مالتی پلکس و شبکههای داخلی، نقشههای الکتریکی قدیمی کارایی خود را از دست دادند. در واقع، نقشه سینوپتیک به عنوان یک زبان مشترک برای درک چگونگی تبادل داده بین ECUهای مختلف در خودروهای روز دنیا رواج پیدا کرد.
آنچه در این مقاله خواهید خواند...
در این مقاله، علاوه بر بررسی اهمیت و کاربری این نقشهها، تفاوت آنها با نقشه شماتیک را نیز بررسی میکنیم. پیشنهاد میشود برای درک بهتر، ابتدا مقاله مالتی پلکس در خودرو را مطالعه کنید.
آشنایی با انواع نقشههای الکتریکی و جایگاه سینوپتیک
همانطور که در مقالههای نقشهخوانی مخصوصاً روش نقشهخوانی الکتریکی خانواده پژو – سیتروئن بیان شد. برای هر مدار الکتریکی نقشههای مختلفی با عناوین، شماتیک، جانمایی و دسته سیم وجود دارد. هرکدام از این نقشهها وظیفهای را بر عهده دارد و بخشی از فرایند تعمیرات را تسهیل میکند. نقشههای سینوپتیک هم از این دسته هستند.
نقشه سینوپتیک چیست؟ (تعریف و مفهوم Synoptic)
نقشه سینوپتیک گاهی با نام بلوک دیاگرام (Block Diagram) نیز شناخته میشود. در این نقشهها بیشتر ارتباط اجزا کنترلی و نحوه ارتباط آنها مطرح است. چون نقشههای شماتیک خودروهایی که دارای شبکه هستند در بیشتر موارد بسیار پیچیده به نظر میرسد. شکل 1 نمونهای از نقشه شماتیک سمند مالتی پلکس است.
شکل 1- نقشه شماتیک مدار چراغ جلو سمند ECO Mux
همانطور که در شکل 1 ملاحظه میشود اجزا مختلفی در این مدار ساده مشاهده میشوند که تحلیل و در نتیجه عیبیابی آن را دشوار میکند. برای سادهسازی آنها از نقشههای سینوپتیک استفاده میشود.
دوره مالتی پلکس خودرو با مدرک معتبر از دانشگاه شریف
با ارائه نقشههای رنگی مالتی پلکس رایگان

استانداردهای جهانی در ترسیم نقشه سینوپتیک
استاندارد خاصی برای ترسیم نقشههای سینوپتیک وجود ندارد هر شرکت یا فرد روشی را برای آن در نظر گرفته است. آنچه در اینجا میآید نوعی روش ابداعی است که بر اساس تجربه شخصی بهدستآمده است. این روش تا حد ممکن ساده و قابلدرک است و از آن مهمتر برای فرایند تعمیرات راحتتر در ذهن میماند.
توجه: ارائه این روش به معنی بینقص بودن آن نیست. ممکن است در مقالههای دیگر روشهای دیگری نیز برای این کار ارائه شود.
آموزش مراحل ترسیم و تحلیل نقشه سینوپتیک
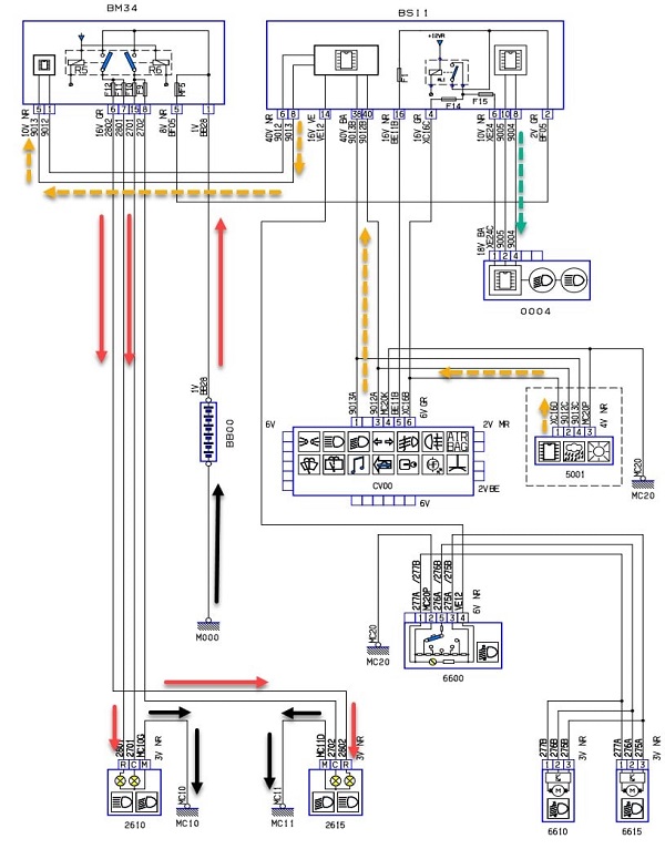
برای اینکه درک موضوع ساده باشد یک مدار بسیار کوچک و ساده انتخاب میشود سپس مراحل ترسیم نقشه سینوپتیک روی آن اجرا خواهد شد. نقشه مورداستفاده، مدار بوق پژو 206 فول ماکس (Full mux) که به نوع مالتی پلکس فرانسه نیز در ایران شناخته میشود است. شکل 2 این نقشه را نشان میدهد.
شکل 2- نقشه شماتیک مدار بوق در پژو Full Mux
همانطور که از شکل شماتیک نیز قابلمشاهده است. فرمان زدن بودن توسط فشردن بخش مرکزی غربیلک فرمان توسط راننده شروع میشود. این فرمان توسط دسته چراغ (CV00) یا همان (Com2000) آمادهسازی برای ارسال روی خط شبکه میشود. این فرمان توسط پروتکل VAN ( سیمهای 9012A-9013A) به سمت BSI (BSI1) ارسال میشود.
پس از تجزیهوتحلیل توسط BSI مجدداً توسط شبکه و سیمهای 9012-9013 به سمت واحد BSM ( BM34) ارسال میشود. BM34 پس از دریافت پیام رله داخلی خود (R4) را فعال میکند. پس از فعالشدن رله جریان برق از طریق باتری و رله R4 به دستگاه بوق میرسد و بوق فعال میشود. شکل 3 مسیر دادههای سیگنالی و برق تغذیه را نشان میدهد.
1- مسیر برق تغذیه مثبت 2- مسیر برق تغذیه منفی 3- مسیر دادهها
شکل 3- مسیر پیامها و برق تغذیه در هنگام عملکرد مدار بوق
برای اینکه این نقشه تبدیل به نوع نقشه سینوپتیک شود مراحل زیر را انجام میدهیم.
- بهتر است ابتدا محل صدور فرمان را در مدار پیدا کنیم. در مدار بالا محل صدور فرمان واحد دسته چراغ یا همان COM2000 است.
- اعضا بعدی شبکه را پیدا میکنیم. در این مدار BSI است.باتوجهبه اینکه ارتباط از نوع زوج سیم به هم تابیده است، بین COM2000 و BSI آن را ترسیم میکنیم. ارتباط بین BSI و BM34 نیز دقیقاً از همان نوع است؛ بنابراین این ارتباط را نیز با همان دو سیم به هم تابیده مشخص میکنیم.
- ادامه مدار پس از عملکردن رله R4 بهصورت الکتریکی خواهد بود. در برخی سینوپتیک کشیها این بخش مدار ترسیم نمیشود؛ اما پیشنهاد میشود برای درک بهتر در زمان تعمیران این بخش الکتریکال هم به سادهترین شکل ممکن یعنی مسیر تغذیه برق مثبت و منفی ترسیم شود. شکل 4 نمونه ترسیم شده سینوپتیک همین مدار خواهد بود.
A: مسیر دادهها B: مسیر برق تغذیه
شکل 4- نمونه نقشه سینوپتیک مدار بوق 206 فول ماکس
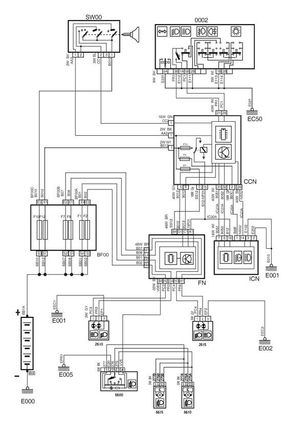
دقت کنید سینوپتیک دقیقاً از روی نقشه شماتیک ترسیم میشود. اگر نقشه شماتیک عضوی بهصورت آپشن معرفی و متصل شده است ما هم در نقشه سینوپتیک بهصورت آپشن ترسیم میکنیم. شکل 5 نمونه از این نقشهها را نشان میدهد.
شکل 5- مدار شماتیک روشنایی چراغ جلو پژو 206 فول ماکس
همانطور که ملاحظه میشود با اینکه مدار هنوز مدار پیچیدهای نیست؛ اما ارتباط شبکهای آن ممکن است دشوار به نظر برسد. ضرورت استفاده از دیاگرامها سینوپتیک مشاهده میشود. شکل 6 سینوپتیک این مدار را نشان میدهد.
شکل 6- نقشه سینوپتیک مدار چراغ جلو پژو 206 فول ماکس
بر اساس شکل 6 پیام روشنشدن چراغها از واحد COM2000 صادر میشود و از طریق شبکه Van body به BSI میرسد. سپس دو خروجی خواهد داشت. یک پیام از طریق شبکه Van comfort به مجموعه پشت آمپر رسیده و سبب فعالشدن لامپ نشاندهنده نوربالا یا پایین میشود. یک پیام دیگر از طریق شبکه Van body به BM34 رسیده و با فعالکردن رله R5 یا R6 سبب ارسال برق به فیوزهای مربوطه شده و در نهایت از طریق 4 خروجی مجزا به هر یک از لامپهای نور پایین و بالای سمت چپ و راست خواهد رسید.
اگر خودرو مجهز به سنسور نور/ باران تحت شبکه نیز باشد. اطلاعات این سنسور (R/L Sensor) نیز از طریق شبکه Van body به BSI میرسد درصورتیکه BSI از قبل پیکرهبندی شده باشد. با دریافت این اطلاعات واحد BSI بهصورت اتوماتیک اقدام به روشنکردن یا خاموشکردن چراغهای نور پایین خواهد کرد.
نکته: توجه کنید خود دستگاه دیاگ نیز هنگامی که به خودرو متصل میشود از نوعی اتصال شبکهای استفاده میکند. شکل 7 نمونه این ارتباط را نشان میدهد.
شکل 7- نحوه نمایش نقشه سینوپتیک دستگاه دیاگ با مدار داخلی پژو 206 فول ماکس
دانستن اینکه دستگاه دیاگ دقیقاً در کدام بخش به شبکه اضافه میشود از نکات بسیار مهم برای عیبیابی مالتی پلکس خواهد بود که در یک مقاله مجزا رویه عیبیابی در خودروهای مالتی پلکس بیان خواهد شد.

























سلام و عرض ادب
ممنونم بابت این اطلاعات فقط یه در خواستی داشتم در رابطه با این نقشه های سینوپیتک کل مدارات خودرو ۲۰۶ امکان خرید هس من دانشجوم واسه پروژه میخاستم ؟
سلام در مستندات فنی برق و مالتی پلکس پژو 206 که مرکز آموزش ایساکو به نمایندگی ها آموزش میده میتونید تهیه کنید شاید با یه نامه از دانشگاه بتونید تهیه کنید.
با زبان ساده و قابل فهم توضیح دادید.
تشکر و خدا قوت
از همراهی شما سپاسگزاریم
خیلی عالی و قابل استفاده بود. تشکر
از همراهی شما سپاسگزاریم