دستگاه دیاگ یا دستگاه عیب یاب یا ابزار تست در خودرو چیست؟امروزه تجهیزات الکترونیکی عضو جدانشدنی از خودروها به شمار میروند، قطعات الکترونیکی نیز مانند سایر اجزا دچار مشکل میشوند. برای بررسی عملکرد (مشاهده یا آزمایش) برخی از این تجهیزات یا اعمال تغییرات جزئی از پیش تعیین شده (آپشنهای تعریف شده) از دستگاهی به نام عیبیاب خودرو یا دیاگ یا ابزار تست خودرو استفاده میشود.
آنچه در این مقاله خواهید خواند...
در مقاله معرفی انواع دستگاه عیبیاب خودرو بهصورت عمومی انواع دستگاههای عیبیاب خودرو معرفی شدند. دستگاههای دیاگ باید به روشی به خودرو متصل شوند این درگاه بهصورت خلاصه OBD (OnBoard Diagnostic) نامیده میشود. در این مقاله به انواع درگاه OBD و روش شناسایی آنها پرداخته میشود.
نکته: برای ایجاد آشنایی با کلمات رایج در بازار و متون علمی و یکنواخت نشدن مقاله، در متن عبارات پورت، درگاه، خروجی، کانکتور، سوکت، اینترفیس (Port-Socet-Conector-Interface) و کانکتور DLC به یک مفهوم استفاده میشود.
وظیفه دستگاه دیاگ
همانطور که در بخش مقدمه هم ذکر شد وظیفه رابط OBD ارتباط بین دستگاه عیبیاب و خودروها برای بررسی پارامترها و دریافت اطلاعات و عیبیابی بهتر و دقیقتر است.
تاریخچه
همانطور که در مقاله انواع دستگاههای عیبیاب خودرو (دیاگ) اشاره شد، اولین سیستم برای عیبیابی خودرو در سال 1968 توسط شرکت فولکس استفاده شد. در آن زمان هنوز استفاده از این دستگاه استاندارد نشده بود بنابراین درگاه (پورت – Port) مخصوص به خود را طراحی و ارائه کرده بودند. شکل 1 پورت OBD روی خودرو بیتل انژکتوری 1968 نشان میدهد.
شکل 1- اولین پورت OBD – فولکس بیتل 1968
به این ترتیب نسخه اول درگاه دستگاه عیبیاب معرفی شد. این پورت اسم خاصی نداشت و همانطور که در شکل نیز مشاهده میشود به VW Diagnostic Socet شناخته میشد. چند سال بعد استاندارد ADLA توسط شرکت GM معرفی شد. بعدها این سوکت از اولینهای OBD-I شناخته شد. برخلاف پورت شرکت فولکس که فقط با یک کنترل یونیت (ECU) ارتباط داشت اما پورت شرکت GM علاوه بر یونیت موتور به چند کنترل یونیت مانند PCM ،ECM ،ECU نیز اتصال داشت. شکل 2 این نمونه را نشان میدهد.
الان بهترین زمانه که مهارتت رو ارتقا بدی؛ دوره آموزش مالتی پلکس فرصت ورود به بازار تعمیرات انواع خودرو…
شکل 2 – پورت ALDL شرکت GM
با معرفی ALDL توسط شرکت GM بهتدریج شرکتهای دیگری نیز از این رویه استفاده کردند بهعنوانمثال یکی دیگر از شرکتهای پیشرو در این امر شرکت نیسان بود.
نکته: بیشتر اینترفیسها و پروتکلها در این زمان باهدف کنترل آلایندگی و هوای تمیزتر ارائه میشدند و بحث عیبیابی (بهعنوانمثال تست عملگرها) کمتر در این موارد دیده میشد. در سال 1988 استاندارد OBD I معرفی شد. استاندارد OBD I در ادامه توسعه اینترفیسهای قبلی و با همان هدف کلی به دنیا معرفی شد. البته بهصورت رسمی این استاندارد در سال 1991 اجرای. شد. بسیاری از شرکتهای خودروساز کلیات این استاندارد را پذیرفتند اما هر شرکتی برای خود کانکتور رابط مخصوص به خود را ارائه میکرد. اگرچه این کار برای تعمیرگاههای خدمات پس از فروش گام خوبی به شمار میرفت اما برای تعمیرکاران شخصی ایجاد مشکل میکرد چون تعمیرکار باید برای هر خودرو کانکتور رابط مخصوص خودش را استفاده میکرد. جدول شکل 3 چند نمونه از رابطهای OBD I برای خودروهای مختلف را نشان میدهد.
شکل 3- نمونههایی از کانکتور OBD I برای خودروهای قدیمی
ناهماهنگی و سردرگمی تعمیرکاران برای استفاده از کانکتورهای رابط، شرکتهای تولیدکننده را به این واداشت تا یک فرم کلی از کانکتور را ارائه دهند که در تمامی خودروها استفاده شود. بهاینترتیب در سال 1989 بهصورت آزمایشگاهی و در سال 1996 بهصورت رسمی رابط OBD II در خودروها عرضه شد. شکل 4 طرح کلی این درگاه را نشان میدهد.
شکل 4- کانکتور OBD II
تمامی خودروهای سواری امروزه از این کانکتور بهعنوان رابط با دستگاه عیبیاب استفاده میکنند. همانطور که ملاحظه میشود این کانکتور دارای 16 پایه (پین) است که البته ممکن است تمامی پایهها مورد استفاده قرار نگرفته باشند.
نکته: استاندارد دیگری با عنوان EOBD (Enhanced On-Board Diagnostics)در سال 2006 به بازار عرضه شد کانکتور رابط این استاندارد همان نوع OBD II است با این تفاوت که پارامترهای بیشتری را تحت کنترل دارد.
باتوجهبه گسترش رابط OBD II در ادامه در مورد انواع و ساختار این کابل رابط دستگاه دیاگ مطالبی ارائه خواهد شد.
انواع کانکتور(رابط)OBD IIدر دستگاه دیاگ
به روشهای مختلف میتوان کابل رابط OBD را دستهبندی کرد. شکل 5 سادهترین نوع این دستهبندی را نشان میدهد.
شکل 5- انواع دستهبندی رابط OBD II
دستهبندی از نظر شکل کانکتور در دستگاه دیاگ
باتوجهبه اینکه شکل کلی OBD II بهصورت استاندارد تعریف شده است در قابل آن تغییرات زیادی نمیتوان ایجاد کرد. تغییرات در این فرم بهصورت کلی است. شکل 6 این دو نوع را نشان میدهد.
شکل 6- انواع رابط OBD II
همانطور که مشاهده میشود تفاوت بسیار جزئی و در خط واسط بین دو ردیف پینها است. هر دو مدل تحت استاندارد J1962 است.
نکته: معمولاً مدل B برای خودروهای سنگین که ولتاژ برق 24 ولت در مدار اصلی دارند استفاده میشود.
دسته بندی رابط OBD از نظر محل نصب در دستگاه دیاگ
یکی از سادهترین راه دستهبندی رابط از نظر محل قرارگرفتن آن روی خودرو است. بهصورت کلی بر اساس استاندارد J1962 محل نصب رابط OBD II روی خودرو باید در فاصله حداکثر 300 mm نسبت به ستون فرمان باشد شکل 7 محل نصب این کانکتور را روی خودرو نشان میدهد.
شکل 7- محل نصب احتمالی کانکتور OBD II
همانطور که مشاهده میشود محل نصب کانکتور میتواند بسیار متفاوت باشد. البته عموماً در خودروها گزینه 1 یا 2 بسیار متداولتر است. شکل 8 برخی از محلهای نصب را روی خودرو نشان میدهد.
شکل 8- محل کانکتور OBD II در برخی خودروها
دستهبندی از نظر پروتکل مورد استفاده در دستگاه دیاگ
مهمترین روش دستهبندی رابط از نظر پروتکلهای مورداستفاده است. در این روش دستهبندی میتوان پایهها و ارتباط پایهها را مشخص کرد. شکل 9 پروتکلهای متداول برای کانکتور OBD II را نشان میدهد.
شکل 9 – پروتکلهای OBD II
همانطور که مشاهده میشود 4 دسته کلی برای پروتکلهای OBD II وجود دارد البته در برخی دستهبندیها این تعداد 5 عدد معرفی شده است که در ادامه دلیل اینکه در اینجا 4 عنوان ارائه شده است بیان خواهد شد .
پروتکل J1850 – PWM
یکی از پروتکلهای مورداستفاده برای رابط دستگاه عیبیاب (دیاگ) این پروتکل است. پایههای پینهای بر اساس شکل 10 دستهبندیشدهاند.
پین 2: سیگنال Bus +
پین 10: سیگنال Bus –
پین 4 و 5: اتصال بدنه
پین 16: برق 12+
شکل 10- پین اوتهای اصلی کانکتور J1850 PWM
شکل 11 اطلاعات جدول این استاندارد را نشان میدهد.
شکل 11- مشخصات استاندارد J1850-pwm
پروتکل J1850-VPW
یکی دیگر از پروتکلهای رایج برای اینترفیس OBD II استاندارد J1850-VPW است. شکل 12 پایه پینهای این پروتکل در کانکتور DLC را نشان میدهد.
پین 2: سیگنال
پین 4 و 5: اتصال منفی
پین 16: برق 12+
شکل 12- پین اوتهای اصلی کانکتور J1850 PWM
شکل 13 اطلاعات جدول این استاندارد را نشان میدهد.
شکل 13- مشخصات استاندارد J1850-pwm
پروتکل ISO 14230/9141-2(KWP2000)
یکی از پروتکلهای رایج بر روی اینترفیس OBD II پروتکلهای ISO 9141-2 یا ISO 14230 است. از نظر پین اوت این دو پروتکل تفاوتی با هم ندارد. شکل 14 پین اوت این نوع استاندارد دستگاه عیبیاب را روی OBD II نشان میدهد.
پین 4 و 5: اتصال بدنه
پین 7: K-line
پین 15: L-line
پین 16: برق 12+
شکل 14- پین اوتهای اصلی کانکتور OBD II از نوع KWP2000
همانطور که در شکل 14 مشاهده میشود خط دیتا در این نوع استاندارد از طریق پینهای 14 و 15 OBD II بین دستگاه عیبیاب و خودرو اتفاق میافتد. در شکل 15 نحوه ارتباط بین دستگاه عیبیاب و نودها (اگر فراموش کردید نود به چه معنی است به مقاله مالتی پلکس در خودرو مراجعه کنید.)
KWP2000 یکی از معروفترین استانداردهای ارتباط با دیاگ است.
در برخی خودروها تعداد K-line میتواند بیش از یک خط را در کانکتور OBD II اشغال کند. بهعنوان نمونه شکل 15 این ارتباط را نشان می دهد.
شکل 15- ارتباط نودها با دستگاه دیاگ از طریق پروتکل KWP2000
در برخی پین اوتها OBD II ممکن است بیش از یک خط K-line مشاهده شود این کار برای ارتباط بهتر و امنتر دستگاه عیبیاب با نودهای آن خودرو است. بهعنوانمثال شکل 16 خط سیم ارتباط دستگاه عیبیاب در خودرو 206 فول ماکس نشاندادهشده است.
شکل 16- نقشه سیمکشی نودها به کانکتور OBD II در 206 full mux
همانطور که در شکل 16 مشاهده میشود 2 خط سیم دیگر علاوه بر خط سیم K-line اصلی وجود دارد که یکی مستقیماً به BSi و دیگری به نود ABS متصل شده است. فراموش نشود K-line اصلی به ECM (یونیت موتور) و TCU (یونیت گیربکس اتومات) متصل شده است.
پروتکل J2480/ CAN
تقریباً بیشتر خودروها که بعد از سال 2010 تولید شدهاند از این پروتکل برای ارتباط خودرو با دستگاه عیبیاب استفاده میکند. شکل 17 پین اوت این استاندارد را نشان میدهد.
پین 4 و 5: اتصال بدنه
پین 6: CAN-H
پین 14: CAN-L
پین 16: برق 12+
شکل 17- پین اوتهای اصلی کانکتور OBD II از نوع CAN
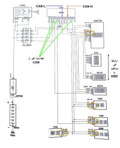
بهعنوان نمونه خودرو تارا برای ارتباط با دستگاه عیبیاب از پروتکل CAN استفاده کرده است. شکل 18 سیمکشی و ارتباط نودها با دستگاه عیبیاب را مشخص کرده است.
شکل 18- نقشه سیمکشی نودها به کانکتور OBD II در خودرو تارا
همانطور که در شکل ملاحظه میشود. نودهای NBCM – یونیت فرمان برقی خودرو EPS (7126)- یونیت موتور EMS (1320) – یونیت پایداری خودرو ESC (7800) – یونیت ایموبلایزر ICU (8208) بهصورت مستقیم به کانکتور عیبیاب از طریق پایهای CAN-L و CAN-H متصل شدهاند. نودهای پشت آمپر ICN و رادیو 8410 به روش غیرمستقیم به کانکتور OBD II متصل میشوند. بعلاوه جهت اطمینان از دریافت دادهها در کانکتور به یونیتهای پایداری خودرو، فرمان برقی و ایموبلایزر نیز متصل شده است.
در مقالههای بعد در مورد روشهای عیبیابی در سیستمهای مالتی پلکس مطالبی ارائه خواهد شد
نویسنده: مهندس بهروز خطیبی

























سلام
پین mid هم در اتصال can وجود دارد?
سلام سوالتون مفهوم نیست لطفا سوال رو واضح بنویسید.
پروتکل دنا معمولی و ساینا رو میگید چیه؟
سلام عمدتا از CAN استفاده می کنند.
با عرض سلام لطفا پروتكل ارتباطي خودرو ساينا را معرفي نمائيد
سلام انشاالله
سلام ، من دستگاه عیب یاب خودرو jdiag906s خریدم به 207 اتومات قدیمی وصل میکنم ارورنات کنکت میده چکارباید بکنم ؟
سلام به شرکتی که دیاگ رو تهیه کردید مراجعه کنید.
ازAMAZON خریدم
سلام به آمازون هم ایمیل بزنید مسیر ارتباطی با شرکت تولید کننده رو برقرار میکنه.
ممنون ازراهنمایی شما .
تشکر
سلام و سپاس از همراهی شما
سلام.
ممنون از شما که به صورت کامل این مبحث رو توضیح دادید
سلام و سپاس از همراهی شما
سلام من دیاگ ویمکس دارم کابلشم دارم فقط سوکت obdرو که به رنگ نارنجی هست رو گم کردم چطوری باید تهیه کنم وبخرم
سلام
لطفا از شرکت نیک پردازش تهیه کنید