سیستم های کمربند پیش کشنده و کیسه هوا
از آنجايي كه تصادف خودرو و نحوه انجام تصادف غيرقابل پيشبيني و بسيار سريع ميباشد، لذا واكنش صحيح انسان در مقابل آن، بسيار سخت و حتي غيرممكن ميباشد، لذا در خودرو از سيستم كيسه هوا و پيشكشنده كمربند ايمني به جهت جلوگيري از برخورد انسان به قسمتهای مختلف خودرو در هنگام تصادف استفاده ميشود. به عبارتي ديگر با استفاده از اين سيستمها، بدن انسان را در موقعيت صحيح خود تثبيت نموده و از حركتهای بيمورد آن و برخورد با اجزاء خودرو در هنگام بروز تصادف جلوگيری ميشود.
شكل (1) شمای كلي كيسه هوای راننده، سرنشين جلو، پيش كشنده كمربند ايمني و اجزای سيستم را نشان ميدهد.

1- پيشكشنده كمربند ايمني 2- كيسة هواي سرنشين جلو
3- كيسة هواي راننده 4- ECU يا واحد كنترل
شكل 1- نماي كلي كيسة هوا و پيشكشندة كمربند ايمني
نحوة عملكرد اين سيستم به اين شكل است كه، در هنگام بروز تصادف، كاهش ناگهاني سرعت خودرو و با به عبارتي شتاب منفي خودرو توسط سنسورهاي موجود در واحد كنترل (ECU) احساس ميشود، چنانچه شتاب منفي خودرو از حد مجاز بيشتر شود، واحد كنترل جريان برق متناوب با فركانس KHz 100 (ذخيره شده در خازن) را به واحدهاي عملگر کیسه هوا ارسال ميكند، اين جريان برق ضعيف، منجر به ايجاد جرقه ضعيف يا ذوب شدن المنتي در واحد عملگر كيسة هوا ميگردد و اين عمل باعث انفجار سوخت جامد موجود در عملگر ميشود.
سوخت جامد معمولاً از نوع نیترات سدیم یا نیترات پتاسیم بورن میباشد که حاوی مقادیر زیاد اکسیژن بوده و برای سوختن به اکسیژن محیط نیاز ندارد. در جریان این انفجار مقادیر زیادی بین 50 تا 200 دسی متر مکعب گاز نیتروژن تولید میشود که پس از عبور از فیلترهای متعدد، دما و صدای آن تا حدودی کاهش یافته و وارد کیسۀ هوا شده و باعث فعال شدن کیسه هوا میگردد. در این وضعیت کیسۀ هوا بین سرنشین و اجزاء خودرو قرار گرفته و از برخورد بدن سرنشین با قسمتهای مختلف خودرو جلوگیری میکند.
توجه: گاز تولیدی ناشی از انفجار سوخت جامد عملگر کیسۀ هوا (گاز نیتروژن) سمی نمیباشد.
معمولاً کیسۀ هوا به شکلی ساخته میشود که بعد از آنکه توسط گاز ناشی از انفجار سوخت جامد، متورم شد پس از مدت زمان کمی، گاز موجود در آن به تدریج تخلیه شده (از طریق سوراخهای کوچک روی کیسۀ هوا و یا فضای باز بین الیافهای کیسۀ هوا) و از مسدود شدن مجرای تنفسی سرنشین و همچنین فشار بیش از حد به قفسۀ سینه جلوگیری میکند.
یکی از مشکلاتی که در هنگام بروز تصادف و قبل از عملکرد کامل کیسۀ هوا وجود دارد، تأخیر عملکرد کمربند ایمنی و در نتیجه حرکت بدن سرنشین به سمت اجزاء خودرو میباشد، برای حل این مشکل از پیش کشنده کمربند ایمنی استفاده میگردد.
توجه: کمربند ایمنی را سیستم مهارکنندۀ اولیه[1] (PRS) و کیسۀ هوا را سیستم مهارکنندۀ مکمل یا ثانویه[2] (SRS) میگویند بنابراین در هنگام رانندگی باید حتماً از کمربند ایمنی استفاده نمود تا با وجود کیسۀ هوا، از آسیبهای شدید در هنگام بروز تصادف جلوگیری شود.
شکل (2) نحوۀ عملکرد کیسه هوا و پیش کشندۀ کمربند ایمنی و میزان جابجایی سرنشین جلو را برای خودرویی که با سرعت 50 کیلومتر بر ساعت در حال حرکت بوده و از روبرو با جسمی ثابت برخورد میکند را نشان میدهد.

1- شروع تصادف 2- جرقهزدن عملگر کیسۀ هوا و پیش کشندۀ کمربند ایمنی
3- کشیده شدن و محکم شدن کمربند ایمنی 4- عمل کردن کیسۀ هوا
شکل 2- نمودار زمان عملکرد کیسۀ هوا، پیش کشندۀ کمربند ایمنی و جابجایی سرنشین
با توجه به شکل (2) حدود 10 میل ثانیه پس از بروز تصادف (2) جرقه در عملگر کیسۀ هوا و پیشکشنده کمربند ایمنی ایجاد میشود و پس از 20 میلی ثانیه بعد از تصادف (3) کمربند ایمنی کشیده شده و کاملاً محکم میشود و در حدود 40 میلی ثانیه پس از تصادف نیز کیسۀ هوا فعال میگردد. حال با توجه به موارد فوق و دو منحنی (S) که بیانگر جابجایی سرنشین است، ملاحظه میگردد که اگر سرنشین از کمربند ایمنی پیش کشندهدار استفاده نکرده باشند و کیسۀ هوا هم وجود نداشته باشد، جابجایی سرنشین در حدود 100 میلی ثانیه پس از بروز تصادف (توقف کامل خودرو) در حدود 80 سانتیمتر میباشد، در حالیکه چنانچه سرنشین از کمربند ایمنی (کمربند ایمنی پیش کشندهدار) و کیسۀ هوا استفاده کند، بعد از 100 میلی ثانیه پس از بروز تصادف فقط 20 سانتیمتر حرکت میکند و بنابراین از برخورد فرد با اجزاء خودرو جلوگیری میشود.
توجه: دقت کنید که عملکرد کیسۀ هوا و پیش کشندۀ کمربند ایمنی در مدت زمانی کمتر از 40 میلی ثانیه انجام میشود، در حالیکه کل زمان تصادف خودرو از روبرو با سرعت 50 کیلومتر بر ساعت تا توقف کامل در حدود 100 میلی ثانیه انجام میپذیرد.
شکل (3)، نحوه عملکرد پیش کشندۀ کمربند ایمنی و محکم شدن کمربند ایمنی در هنگام تصادف را نشان میدهد.

1- محل اتصال به خودرو ECU 2 – جرقهزن 3- سوخت جامد
4 – پیستون 5- سیلندر 6- طناب سیمی یا سیم بکسل
7- قرقرۀ کمربند ایمنی 8- کمربند ایمنی
شکل 3- نحوۀ عملکرد پیش کشنده کمربند ایمنی
با توجه به شکل (3)، در هنگام بروز تصادف و صدور دستور انفجار از طرف ECU کیسه هوا و پیش کشندۀ کمربند ایمنی، سوخت جامد (3) منفجر شده و بادبی مشخص به قسمت زیرین پیستون (4) رسیده و باعث حرکت پیستون به سمت بالا میشود.
با حرکت پیستون به سمت بالا، طناب سیمی یا سیم بکسل (6) نیز به سمت بالا حرکت کرده و باعث دوران قرقرۀ کمربند ایمنی در جهت کشیدن و سفت کردن کمربند ایمنی میشود و در نتیجه از حرکت سرنشینهای جلو خودرو به سمت جلو جلوگیری میشود.
شکل (4) نیز نحوۀ عملکرد کیسه هوا سمت راننده از زمان احساس بروز تصادف توسط ECU کیسۀ هوا تا فعال شدن کامل آن ظرف مدت 30 میلی ثانیه را نشان میدهد.

شکل 4- نحوۀ عملکرد کیسۀ هوای سمت راننده
در خودرو کیسه هوا را در قسمتهای مختلف خودرو به جهت محافظت از سر (درون سقف و ستونها)، قفسۀ سینه و پهلو (روبروی هر سرنشین و درون دربها)، زانوها و غیره تعبیه میکنند.
شکل (5) نمایی از کیسههای هوای جانبی خودرو که دورن ستونها و دربها تعبیه شدن است را نشان میدهد.
شکل5- نمایی از کیسههای هوای جانبی خودرو
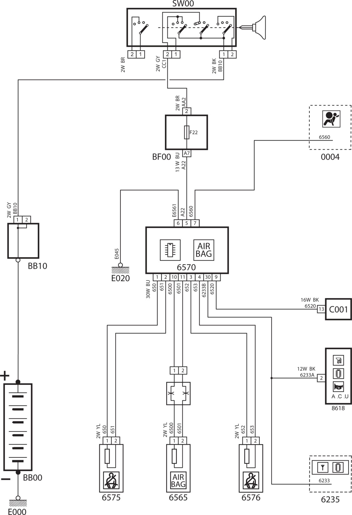
در خودرو سمند سورن یک کیسه هوا درون غربیلک فرمان تعبیه شده و کمربندهای ایمنی سرنشینهای جلو نیز به پیش کشنده مجهز شدهاند که مدار الكتريكي در شکل (6) قابل مشاهده میباشد.

BB00: باتری، BB10: جعبه فیوز کالسکهای یا جعبه تقسیم، SW00: سوئیچ، BF00: جعبه فیوز،
0004: صفحۀ نشان دهندهها، 6570: ECU کیسۀ هوا و پیشکشندۀ کمربند ایمنی C001: کانکتور عیبیاب
8618: ACU یا واحد کنترل هشدار دهنده، 6235: واحد کنترل قفل مرکزی
6576: پیشکشندۀ کمربند ایمنی سمت سرنشین 6575: پیشکشندۀ کمربند ایمنی سمت راننده
6565: کیسۀ هوای داخل غربیلک فرمان
شکل 6- مدار الکتریکی کیسۀ هوا و پیشکشندۀ کمربند ایمنی خودرو سمند سورن
با قرار گرفتن سوئیچ در مرحلۀ دوم، جریان برق باتری پس از عبور از فیوز F22 به پایۀ 5 ECU کیسۀ هوا و پیش کشندۀ کمربند ایمنی میرسد، این ECU با داشتن منفی دائم از طریق پایۀ، خدو در شش ثانیۀ اول لامپ اخطار کیسۀ هوای درون صفحۀ نشان دهندهها را از طریق پایۀ (7) خود روشن میکند.
در زمان بروز تصادف، این ECU از طریق پایههای 1، 2، 3، 4، 10 و 11 جریان برق متناوبی با فرکانس KHZ100 به عملکردها ارسال میکند و باعث انفجار سوخت جامد موجود در آنها میشود در این وضعیت جریان برقی نیز از طریق پایۀ 30 به ACU و واحد کنترل قفل مرکزی ارسال شده و باعث آزاد شدن ضامن قفل دربها میگردد.
در زمان عیبیابی این سیستم، توجه به نکات زیر ضروری است، در غیر اینصورت احتمال صدمات جانی و مالی وجود دارد:
1- حتی المکان عیبیابی این سیستم توسط دستگاه عیبیاب پیشنهاد شده توسط سازنده انجام میشود.
2- هیچ وقت عملگرها و ECU این سیستم را بوسیلۀ مولتی متر آزمایش نکنید، در صورت انجام تست اهمی توسط اهم متر بر روی عملگرها، احتمال انفجار آنها وجود دارد.
3- عملگر کیسۀ هوا وپیشکشنده کمربند ایمنی را به سمت افراد نگرفته و بر روی زمین قرار ندهید. حتماً آنها را بوسیلۀ گیره، محکم مهار کنید
4- از ضربه زدن به ECU این سیستم خودداری کنید.
5- ECU این سیستم را حتماً در جهت مشخص شده نصب کنید، در غیراینصورت عملکرد سیستم دچار مشکل میشود.
6- جهت انجام تعمیرات بر روی سیستم کیسۀ هوا و پیشکشندۀ کمربند ایمنی، کابل مثبت باتری را قطع کرده و حداقل 5 دقیقه صبر کنید تا این سیستم غیرفعال شود.
7- در هنگام تعويض اجزاء اين سيستم و معدوم نمودن سيستمهاي قديمي علاوه بر رعايت نكات ايمني، حتماً به راهنماييها و دستورالعملهاي سازنده توجه كنيد.
نویسنده صیاد نصیری
گروه فنی مهندسی اِیمِگ
























