رله فن پژو یکی از حیاتیترین قطعات در سیستم خنککاری است. اگر به دنبال تست رله فن پژو ۴۰۵ یا عیبیابی مدار فن سمند هستید، این راهنما به شما کمک میکند تا از آسیبهای جدی به موتور جلوگیری کنید.سیستم خنککاری شامل رادیاتور، واتر پمپ و ترموستات است؛ اما قلب تپنده مدیریت دما، مجموعه فن است.
آنچه در این مقاله خواهید خواند...
در این مقاله به بررسی علائم خرابی رلهها، ترتیب قرارگیری و روشهای ساده برای تست سلامت مدار فن میپردازیم.با ما همراه باشید تا وضعیت پایهها و عملکرد دور کند و تند فن را بهصورت گامبهگام تحلیل کنیم تا دیگر نگران دمای بالای موتور خودروی خود نباشید.
دوره آموزش برق خودرو داخلی با مدرک معتبر از دانشگاه شریف

آشنایی با اجزاء و مدار فن رادیاتور پژو ۴۰۵ و سمند
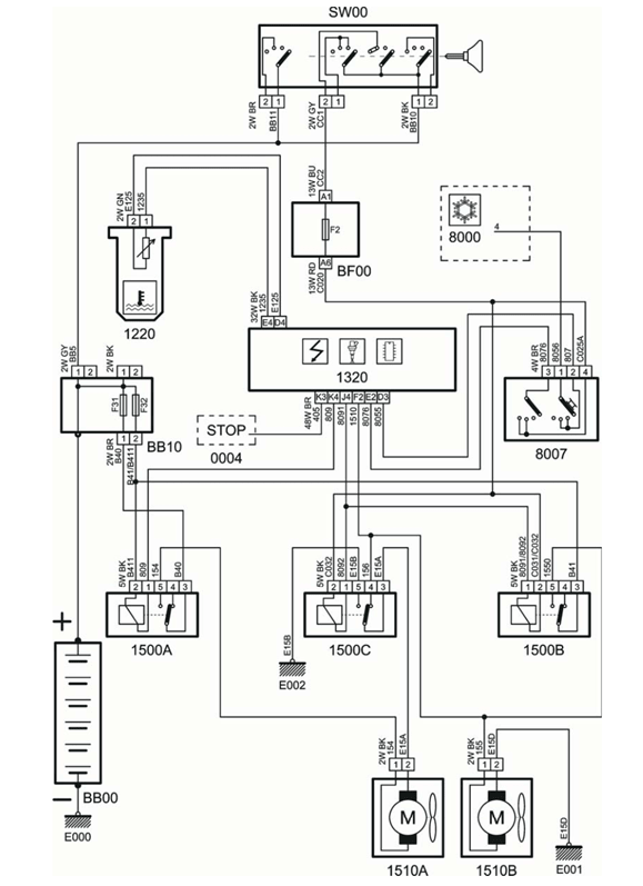
همانطور که در شکل 1 ملاحظه میشود پس از بازکردن سینی جلو موتور برخی از مدار فن خنککننده پژو 405 قابلمشاهده است.

1 – رله دور کند (1504 یا 1500A) 2- فن سمت راننده (1510A یا 1512)
3- رله دور تند (B1500 یا 1503) 4- فن سمت شاگرد (1510B یا 1511)
5- رله موازی کن (1502 یا 1500C)
شکل 1- برخی اجزا مدار فن خنککننده 405/سمند
برای آشنایی نسبی با نقشهخوانی مدار شکل 2 و 3 بخشی از مدار الکتریکی فن را که به تصویر واقعی شکل 1 مشابهت دارد نشان میدهد.

شکل 2- بخشی از مدار الکتریکی فن پژو 405

شکل 3 – بخشی از مدار الکتریکی فن سمند
همانطور در تصاویر شکل 1 , 2 و 3 مشاهده میشود اجزا مدار فن خنککننده موتور، به شرح زیر است:
- موتور فن رادیاتور شماره 1
- موتور فن رادیاتور شماره 2
- رله دور کند فن رادیاتور
- رله دور تند فن رادیاتور
- رله موازی فن رادیاتور
البته غیر از این موارد باید به سنسور دمای مایع خنککننده موتور (فشنگی آب) و یونیت مدیریت موتور (ECU موتور) که نقش اندازهگیری دمای مایع خنککننده موتور و صادرکننده دستور فعال یا غیرفعالشدن رلهها و در نتیجه فن ها است هم اشاره کرد.
عملکرد موتور فن رادیاتور و ارتباط آن با رلهها
موتور فن خنککننده یک موتور DC است. در مدل پژو 405 و سمند این موتور، یک موتور تک دور است. شکل 4 این موتور را نشان میدهد.

شکل 4- موتور فن پژو405
عملکرد موتورهای تک دور بسیار ساده است. به یک سیم برق مثبت و یک سیم منفی برای عملکرد خود نیاز دارند.
دوره آموزش تعمیر ایسیو با مدرک معتبر از دانشگاه شریف

نکته بسیار مهم: با جابهجا کردن سیمهای موتور DC جهت حرکت آن نیز برعکس میشود. دانستن این نکته از این نظر اهمیت دارد که اگر در موتور فن خودرویی کانکتور سیمها طوری باشد که از هر دو طرف بتوان کانکتور را نصب کرد باید در هنگام بستن کانکتور در محل خود به جهت حرکت موتور فن توجه کرد که جهت حرکت هوا توسط فن با جهت حرکت هوا در زمان حرکت خودرو در یک راستا باشد (باد فن خلاف جهت حرکت باد روبرو نباشد).
روشهای تست و آزمایش سالم بودن موتور فن رادیاتور
سادهترین روش بررسی با کمک یک سیم مثبت و منفی از باتری و اتصال آن به پایههای موتور است. پس از داده برق موتور فن باید شروع به حرکت کند. برای آزمایش موتور فن نیازی بهدقت در اتصال صحیح پایهها نیست کافی است به یکپایه مثبت و به دیگری منفی بدهید.
رله فن رادیاتور و ترتیب قرارگیری رلهها در پژو
رله مورداستفاده در فن پژو 405 و سمند از نوع رله 5 پایه میباشد. شکل 5 نمونه رله فن پژو 405 و مدار داخلی آن را نشان میدهد.

شکل 5- رله فن پژو 405 معروف به رله کلاهدار
همانطور که در شکل 6 ملاحظه میگردد. رله بهصورت ساده از یک بوبین (سیمپیچ) و یک مجموعه پلاتین تشکیل شده است.

شکل 7 نحوه اتصال اجزا بهصورت شماتیک را نشان میدهد. اگر پایههای 85 و 86 که در واقع دو طرف سیمپیچ است برق مثبت و منفی متصل شود رله عمل کرده پلاتین حرکت کرده و پایه 30 به 87 متصل میشود (در حالت فعال نبودن بوبین پایه 30 به a87 متصل است)

شکل 7- نحوه اتصال و اجزا داخلی پایههای رله
نکته: گاهی ممکن است رلهای فن مورد بررسی شماره پایههای متفاوتی داشته باشد. شکل 8 این نوع را نشان میدهد.

شکل 8- رله 5 پایه فن با شمارهگذاری متفاوت
همانطور که در شکل 8 ملاحظه میشود بهجای کدهای استاندارد شماره پایهها با اعداد 1 الی 5 شمارهگذاری شدهاند. جدول 1 نحوه تطبیق این دو نوع شمارهگذاری را نشان میدهد. (البته این کار را میتوان با کمک بررسی شکل درج شده روی رله نیز انجام داد.)
| ردیف | نامگذاری با کد استاندارد | نامگذاری با کد ساده |
|---|---|---|
| ۱ | 85 | 1 |
| ۲ | 86 | 2 |
| ۳ | 30 | 3 |
| ۴ | 87a | 4 |
| ۵ | 87 | 5 |
جدول 1 – تطبیق شمارهگذاری پایههای رله
آموزش تست عمومی رله فن رادیاتور پژو و سمند
باتوجهبه توضیحات داده شده آزمایش سلامت رله 5 پایه بسیار ساده است.
با کمک بیزر مولتیمتر یا اهم متر اتصال پایههای با کمک جدول زیر بررسی شود. به این صورت که مولتی متر را روی حالت بیزر (تست صدا) قرار داده و پراب های مولتی متر روی پایه اول و دوم ذکر شده در جدول 2 قرار داده شود. نتایج باید مطابق ستون نتیجه ها باشد.
| ردیف | پایه اول | پایه دوم | نتیجه |
|---|---|---|---|
| ۱ | 30 | 87a | بوق بزند – وصل باشد |
| ۲ | 30 | 87 | بوق نزند – قطع باشد |
| ۳ | 85 | 86 | بوق بزند – وصل باشد |
| ۴ | 30 | 85 | بوق نزند – قطع باشد |
جدول 2- روش تست پایههای رله 5 پایه و نتایج آن
نکته: گاهی ممکن است رله در آزمایشها جدول صحیح عمل کند اما توان عبور شدت جریان لازم را از پلاتینهای خود نداشته باشد. این مشکل ممکن است با سنباده زدن پایههای پلاتین تصحیح شود.
بررسی عملکرد مدار فن رادیاتور و نقش رلهها
برای بررسی عملکرد مدار فن 405 یا سمند لازم است مدار شماتیک آن مورد بررسی قرار گیرد. در شکل 9 مدار شماتیک این مدار قرار داده شده است.

شکل 9- مدار شماتیک فن خنککننده – خودروی سمند
شرح مرحلهبهمرحله مدار ممکن است کمی طولانی به نظر برسد بنابراین تا حد ممکن آن را خلاصهسازی کرده و بهصورت فلوچارت نمایش می دهیم و سپس به مرحله بررسی و عیوب رایج فن موتور خنککننده می پردازیم.
تحلیل عملکرد و عیبیابی دور کند فن رادیاتور پژو
شکل 10 نمودار عملکرد مدار فن رادیاتور در وضعیت دور کند نشان میدهد.

شکل 10 – مسیر عملکرد مدار فن 405 / سمند در دور کند
در این حالت هر دو فن با هم سری شده و در نتیجه بر اساس روابط سری به هرکدام 6 ولت برق رسیده و هر دو فن با دور کند حرکت میکنند.
عملکرد دور تند فن رادیاتور و نشانههای خرابی رله آن
در حالت دور تند کمی مسیر عملکرد پیچیدهتر است. ECU همزمان هر 3 رله را فعال میکند. دیاگرام شکل 11 نحوه عملکرد این مدار را نشان میدهد.

شکل 11 – مسیر عملکرد مدار فن 405 / سمند در دور تند
در این حالت هر دو موتور فن با هم موازی شده و طبق قوانین موازی به هرکدام 12 ولت رسیده و با دور کند هر دو کار میکنند.
راهنمای عیبیابی، علائم خرابی و تعمیر مدار فن پژو
باتوجهبه پیچیدگی نسبی مدار عیبیابی دقیق مدار بسیار دشوار، پیچیده و زمان بر است در اینجا جهت سادهسازی و فهم بهتر مواردی که مربوطه موتور فن ها، رلهها و سیمکشیهای مرتبط است بیان میشود.در بسیاری از موارد بررسی نکات ذکر شده در این بخش به حل مشکل منجر خواهد شد.در جدول 3 حالت بسیار ساده خراب بودن فقط یک عضو را نشان میدهد.
- خراب بودن موتور فن در این جدول به معنی سوختن موتور است
- خراب بودن رله در این جدول به معنی عملنکردن بوبین و پلاتین است
از کجا بفهمیم رله فن پژو خراب است؟ (علائم خرابی فن ۴۰۵ و سمند)
| ردیف | موتور فن ۱ (سمت راننده) |
موتور فن ۲ (سمت شاگرد) |
رله کند | رله موازی کن | رله تند | نتیجه |
|---|---|---|---|---|---|---|
| ۱ | سالم | سالم | خراب | سالم | سالم |
در دور کند هر دو فن خاموش در دور تند فن سمت شاگرد روشن |
| ۲ | سالم | سالم | سالم | خراب | سالم |
در دور کند هر دو فن روشن در دور تند فن سمت شاگرد روشن |
| ۳ | سالم | سالم | سالم | سالم | خراب |
در دور کند هر دو فن روشن در دور تند فن سمت راننده روشن |
| ۴ | خراب | سالم | سالم | سالم | سالم |
در دور کند هر دو فن خاموش در دور تند فن سمت شاگرد روشن |
| ۵ | سالم | خراب | سالم | سالم | سالم |
در دور کند هر دو فن خاموش در دور تند، فن سمت راننده روشن |
جهت سهولت در بررسی سیمکشی نوع برق موجود در پایههای رلهها و موتورها در حالتهای مختلف بررسی شده در جدول بعدی نشاندادهشده است.
نقشه پایهها و ترتیب رله فن پژو در وضعیتهای مختلف
| نام رله | پایه | خاموش بودن | باز کردن سوییچ ACC | باز بودن سوییچ IGN | دور کند / موتور روشن | دور تند |
|---|---|---|---|---|---|---|
| رله کند | ۱ | – | – | – | منفی | منفی |
| ۲ | مثبت | مثبت | مثبت | مثبت | مثبت | |
| ۳ | مثبت | مثبت | مثبت | مثبت | مثبت | |
| ۴ | – | – | – | – | – | |
| ۵ | منفی | منفی | منفی | منفی | مثبت | |
| رله موازی کن | ۱ | – | – | – | – | منفی |
| ۲ | – | – | مثبت | – | مثبت | |
| ۳ | – | – | – | مثبت | مثبت | |
| ۴ | – | – | – | مثبت (6V) | – | |
| ۵ | منفی | منفی | منفی | منفی | منفی | |
| رله دور تند | ۱ | – | – | – | – | منفی |
| ۲ | – | – | مثبت | مثبت | مثبت | |
| ۳ | مثبت | مثبت | مثبت | مثبت | مثبت | |
| ۴ | – | – | – | – | – | |
| ۵ | – | – | – | مثبت (6V) | مثبت |
باتوجهبه دو جدول بالا مشخص میشود مشکل از کجاست.
دقت کنید در این مقاله فقط موارد مربوط به خرابی موتور فن، رلهها و دسته سیمها که نسبت به سایر موارد متداولتر است مورد بررسی قرار گرفته است.
- در صورت بروز مشکل در هرکدام از رلهها، رله مربوطه باید تعویض شود.
- در صورت بروز مشکل در فن ها میتوان آنها را تعمیر یا تعویض کرد.
- در صورت وجود مشکل در سیمکشی، حالت ایدهآل تعویض دسته سیم و حالت معمول تعویض سیم مربوطه از ابتدا تا انتها میباشد.
نویسنده: مهندس بهروز خطیبی


























سلام و درود آقای مهندس وقت شما بخیر
ماشین سمند مدل۸۹، فن های ماشین دور کند کار میکن ولی دور تند کار نمیکن. حتی تمام رله هاروهم به همراه سوکتاش عوض کردم. یه تستی هم که انجام دادم دوتا از رله قبلیارو از جلدش در اوردم و رله وسطی و سمت شاکرد رو دستی روشن کردم، رله وسطی رو دستی روشن میکنم میره رو دور تند ولی فن سمت راننده از کار میوفته. رله موازی رو هم که دستی روشن میکنم فن سمت راننده میره رو دور تند و فن سمت شاکرد از کار میوفته دوتاشوهم که همزمان دستی وصل میکنم هردو دور تند رو میزنن. درضمن سنسور دما رو هم عوض کردم. بنظرتون ایراد از کدوم قسمتش میتونه باشه. راهنمایی بفرمایید ممنون میشم. امیدوارم توضیحاتم گنگ نباشه مشکلی بود بفرمایید بیشتر توضیح بدم. تشکرفراوان
سلام هر سه رله رو با دست وصل کنید باید دور تند هر دو فن روشن بشه. اگه روشن شد یعنی مسیر رله تا فن درست هست. سوکت سنسور دمای آب موتور رو قطع کنید باید هر سه رله وصل بشن و دور تند فعال بشه اگه انجام شد نشون میده که مسیر ایسیو تا رله هم درسته و احتمالا ایراد از فشنگی یا سنسور هست ولی اگه دور تند فعال نشد باید مسیر سیم کشی ایسیو تا رله ها رو بررسی کنید یا کارکرد ایسیو رو بررسی کنید.
خیلی ممنونم از راهنماییتون
جسارتا یه سوال دیگه، برای رله فن وسط دوتا سیم سبز دارم، دوتا سیم زرد، دوتا هم سیم زخیم که یکیش مثبته، احتمال میدم یکی از ایرادت شاید اتصال اینا باشه. هرطوری هم وصلشون میکنم مشکل حل نمیشه. اگر میشه بفرمایید این سیم هارو چطور باید مطمئن بشم درست وصل شدن.(سیم زخیم مثبت رو میدم به پایه ۳۰، اون یکی سیم زخیم هم پایه ۸۷ و دوتا سبز هم پایه ۸۶ و دوتا زردهم به پایه ۸۵).
سلام سیم های نازک دو سر بوبین یا سیم پیچ رله هستند که اگه مثبت و منفی بهشون بدید باید وصل بشه و قطع کنید باید قطع بشه سه پایه دیگه برق قدرت ورودی و خروجی هستند که برق باتری رو به موتور فن متصل میکنه یا برق منفی موتور فن رو تامین میکنه ولی به هر حال رله فقط به یک شکل در کانکتور خودش قرار میگیره و نمیشه جای پایه هاش رو عوض کرد.
سلام
یک مشکل در رابطه با نشانگر بنزین ماشینم دارم
پژوپارس مدل ۸۸ موتور معمولی دوگانه سوز کیلومتر شمار با دستگاه شبیه ساز تست شده سالم است پمپ بنزین تعویض وسالم شناور تا آخر بیاد نشانگر تا یک چهارم پایین میاد اما اگر سوکت از پمپ جداشود عقربه تا آخرپایین میاد وچراغ چشمک میزند
لطفا راهنمایی بفرمایید.
سلام وضعیت شارژ باتری و دینام رو بررسی کنید. اتصالات باتری و بخصوص اتصال بدنه ها رو تمیز، محکم و در صورت نیاز تقویت کنید. اگه کیلومتر شمار سالم هست مقاومت شناور یا مشکل داره یا با کیلومتر شمار همخوانی نداره لذا از یه شناور سالم استفاده کنید و کارکرد رو تست کنید.
سلام مهندس وقت بخیر من یدونه مشکل جالب دارم خدمتتون وقتی با دستگاه دیاگ تست عملگر میزدم رو دور تند . موتور فن ها هر دو رو دور کند حرکت میکردن و وقتی مستقیم میکردم دور تند رو موتور فن سمت شاگرد فقط رو دور تند کار میکرد . اگه راهنمایی کنید ممنون میشم سپاس
سلام مشکلی نداره برخی ایسیوها به صورت طبیعی توی تست عملگر فن به همین شکل عمل می کنند.
سلام مهندس ، ماشین سمند ۸۳ تا 2 ماه قبل که یونیت فن خراب نشده بود ، هر جا میخواستم خاموش کنم و دمای اب ۹۰ بود فیوز شماره 2 در جعبه فیوز را از جاش خارج میکردم و هر دو فن دور تند میزد دو دقیقه بعد دما به ۷۰ میرسید و فیوز جا میزدم و موتور خاموش میکردم ، حالا که یونیت فن همرنگ عوض شده دیگه این کار انجام نمیشه
ضمنا همانطور که میدونید وقتی فیوز خارج میکردم امپر اب از کار میافتاد ولی فن تند داشتم
مشکل کجاست ؟ راهنمایی کنید لطفا
سلام به نظر میاد یونیت فن قبلی مشکل داشته و یونیت فعلی درست هست مگر اینکه سیم کشی دست کاری شده باشه چون نباید با قطع کردن فیوز دور تند فعال بشه ولی با قطع کردن کانکتور سنسور آب موتور، دور تند فعال میشه.
ممنون از توضیحات شما
سلامت و برقرار باشید
خیلی عالی و کاربردی بود، سپاسگذارم
از انرژی مثبت شما سپاسگزارم
بسیار عالی بود
سلام و سپاس از همراهی شما
سلام ..استاد ببخشید .برای خودروی سمند ال ایکس 1388رله فن تا چه آمپری مجاز هستیم وصل کنیم.رله فن 100آمپر برای فن ها ضرری ندارد؟
بعدش الان در بازار رله فن چهار پلاتینه هم هست.ایا هر چه تعداد پلاتین رله بیشتر باشه کارایی فن بهتر هست؟
سلام اگه رله فن با آمپر بالا استفاده بشه مشکلی ایجاد نمیکنه مگر اینکه آنقدر جریان مصرفی زیاد بشه که دسته سیم دچار مشکل بشه ولی اگه موتور فن رو 300 وات در نظر بگیریم به رله ای حدود 35 آمپر نیاز هست که طبیعتا 100 آمپر واقعی گرانتر هست و مشکلی هم نداره. از رله 4 پایه به جای 5 پایه نمیشه استفاده کرد. تعداد پایه های رله ربطی به کارایی نداره بلکه کارکرد رله 4 پایه با 5 پایه متفاوت هست بنابراین رله قبلی اگه 4 پایه یا 5 پایه بوده باید دقیقا همون جایگزین بشه.
سلام و درود بر مهندس عزیز واقعا یاد گیری این مطالب خیلی عالیه دستتون طلا حالا یه سوال اگر ترموسوئیچ قابلمه ای نرمال اوپن ۷۵ درجه روی رادیاتور پژو ۴۰۵ متصل کنیم و یک سیم به منفی و یک سیم به منفی رله دور کند وصل کنیم فن در درجه حرارت ۷۵ درجه شروع به کار میکنه یعنی حالت ۹۲ درجه زودتر و یک ترموستات ۷۶ درجه هم ببندیم آیا مشکلی در سیستم ایجاد میشه چون زودتر از فرمان ایسیو فن دور کند راه میفته و خیلی تاثیر در خنک بودن موتور میکنه فقط سیم نازک منفی رو لخت کنیم ببندیم به سیم ترمو سوییچ
سلام میشه این کار رو انجام داد ولی چون منفی رله دور کند زودتر از موعد به بدنه متصل میشه و این پایه به ایسیو هم وصل هست ممکنه مشکلاتی برای ایسیو ایجاد کنه.
سلام انشاالله خودتان و خانواده و عزیزانتان همیشه سلامت باشید توی جاده کولر گرفتم رله ها سوختن و کمکی داشتم عوض کردم و از مطالب شما بسیار استفاده کردم و اموختم و از واشر زدن ماشینم جلوگیری گردین از ته قلبم براتون ارزوی سلامتی کردم و می کنم در پناه قویترین انرژیی هوشمندی که عالم را بدون الگو ساخت و پرورش داد و هدایت میکند باشد ما را از یک مشکل بزرگ نجاتمان دادید الله نگهدار
ناجی و اجابت گر دعاهایتان باشد
سلام و سپاس از همراهی شما، انشاالله سلامت و پایدار باشید.
سلام مهندس من برای ماشین م دو تا فن توربو دور بالا نصب کردم اما الان همه اش رله ها میسوزه چطور باید این مشکل را حل کنم
سلام از رله های با آمپر بالاتر استفاده کنید احتمالا جریانی که موتورهای فن مصرف می کنند از جریان قابل تحمل رله ها بیشتر هست. البته به سیم کشی هم توجه کنید که قابلیت تحمل این جریان رو داشته باشه و سیم کشی نسوزه.
با سلام..
تنها سایتی که با نهایت مهندسی و کاملا رسا و ساده اصول و نقشه مدار سیستم خنک کننده خودرو را بیان کرد همین سایت بوده.. بنده به نوبه خودم بی نهایت سپاسگزارم
سلام و سپاس از همراهی شما
سلام سمند مدل ۸۳ دارم رله دور کند و دور تند ۴ سیم وصل شده یعنی به پایه 87aرله سیمی وصل نشده ولی رله موازی ۵ سیمه هست
سلام به صورت فابریک همه رله ها باید 5 پایه باشند مگر اینکه سیم کشی و مدار دستکاری شده باشه.
سلام از نظر نوع رله همه از نوع ۵ پایه هستند . از نظر پایه های مورد استفاده راه دور کند و تند از پایه 87a استفاده نمیکند . فقط راه سری موازی از این پایه استفاده میکند
سلام بله همینطوره. اگه پایه ها درست وصل شده باشه مشکلی نداره.
سلام
سمند مدل۸۱دارم هر دو فن دور کند از کار افتاد و امپر به۹۵رسید هر دو فن دور تند شروع شد مشگل از کجا است
سلام اگه یکی از فن ها با دور تند روشن شده احتمالا ایراد از رله ها هست ولی اگه هر دو فن دور کند کار نمیکنه ولی دور تند کار میکنه باید کارکرد فشنگی آب موتور و کنترل یونیت فن رو بررسی کنید.
پایه 87a رله موازی یا همون رله وسطی ممکن اتصالش شل باشه و نتونه فن ها رو سری کنه لذا رله را در پایه ها محکم کنید یا فشار بدید و اتصال سیم این پایه رو بررسی کنید.
سلام
میشود رله ی چهار فیش جک واسه فن کولر رو بیرون بکشم و از رله ی متفاوت با امپر بالاتر وصل کنم که رله مکرر نسوزد چون نوع جای گذاری فیش رله تا 40a است نوع دیگه با امپر 70 متفاوته ممنون میشوم راهنمایی کنید
سلام از لحاظ ساختاری باید از رله ای با ساختمان یکسان استفاده کنید یعنی پایه های رله شرایط الکتریکی یکسانی داشته باشه و جای پایه های بوبین با پایه های برق قدرت عوض نشه ولی استفاده از آمپر بالاتر مانعی نداره.
سلام رله فن اصلی کدام نوع است
سلام در مدار فن خودروهای پژو و سمند از سه رله پنج پایه برای کنترل فن های خنک کننده رادیاتور استفاده شده است.
سلام.امکانش هست دور تند فن ۴۰۵ رو دستی روشن کرد وکلید جدا برای گذاشت
سلام میشه ولی اگه مدار خنک کاری درست باشه نیاز به این کار نداره.
سلام ببخشید میشه مدار این دور تند دستی را تشریح یا به صورت شماتیک رسم کنین؟ واقعا خیلی پیگیر این موضوع هستم و میخوام روی ماشینم نصب کنم که فقط در مواقع خاص از آن استفاده کنم.
سلام اگه پایه یک رله 1500A رو با یه کلید به منفی وصل کنی که با وصل کردن کلید، به منفی وصل بشه دور کند شروع میشه و اگه پایه یک رله های 1500B و 1500C هم که به هم وصل هستند با یک کلید دیگه به منفی وصل کنید دور تند فعال میشه یعنی اگه هر دو کلید رو وصل کنید دور تند فعال میشه.
سلام جناب نصیری
مدار فن دور کند و تند دستی را کامل متوجه شدم ممنون.
اما یک سوال برایم پیش آمد آیا گذاشتن سیم منفی که از منفی ایسیو نیست از منفی باطری هست، اختلال در کار ایسیو بوجود نمیاد. مخصوصا زمانی که مثلا ما زودتر از فرمان ایسیو کلید دستی را وصل کنیم.
آیا این منفی در زمانی که هنوز پایه ۱۵۰۰A یا ۱۵۰۰B و ۱۵۰۰C توسط ایسیو منفی دار نشده، وارد ایسیو نمیشود؟ و خرابی به بار نمیآورد؟ یا اینکه هیچ تفاوتی نمیکند چه ایسیو منفی بفرستد چه ما به صورت دستی قبل یا بعد از دستور ایسیو منفی بفرستیم. البته این را میدانم که بعد از دستور ایسیو اگر ما هم کلید منفی دستی را بزنیم هیچ مشکلی ایجاد نمیشود اما زمانی که دما نرمال شد و ایسیو فرمان قطع منفی ارسالی خودش را داد ولی منفی دستی ما هنوز وصل هست شاید منفی ما برگشت به داخل ایسیو کند. این را نمیدانم مشکلی برای ایسیو ایجاد میکند یا نه؟
اگر واقعا این مدار پیشنهادی شما هیچ عوارضی برای ایسیو نداشته باشد، خیلی عالی هست.
سلام این موضوع بستگی به مدار داخل ایسیوی موردنظر داره و باید مدار داخلی ایسیو رو بررسی کرد مثلا اگه ایسیو فیدبک دور کند و تند داشته باشه اگه این پایه ها منفی بشن و ایسیو دستور نداده باشه دچار کد خطا میشه و چراغ چک رو روشن میکنه، در هر حال این کار اصولی نیست.
ممنون جناب نصیری اما باز هم اگر مزاحمت نیست با خواندن جواب شما سوال دیگری برایم باز شد.
فیدبک دور تند و کند چیست؟ چگونه میتوانم بفهمم که ایسیو ماشین من فیدبک دور تند و کند دارد؟
مدل ایسیو ماشین من VALEO S2000PL4 FC5
سایر مشخصات ULP REF : 201112
و مشخصه دیگری SOF TWARE LABEL
مشخصات فوق روی ایسیو نوشته شده.
قبلا یک ایسیوی دیگری با این مشخصات روی ماشینم نصب بود.
VALEO S2000 FC5E
و مشخصات دیگری نداشته فقط در یک کادر مستطیل شکل کمرنگ یعنی با فونت باریک و کوچک نوشته شده بود SLC
ایسیوی قبلی نمیدانم اشتباه تعمیرکار بود یا اینکه خودش خراب شده بود به هر جهت تعمیرکار گفت ایسیو مشکل دارد و این ایسیوی استوک با ۵ میلیون بهم داد.
البته خراب شدن یا خراب کردن ایسیوی قبلی ربطی به دور تند یا کند فن نداشت این اتفاق مربوط به چند سال قبل هست که من هیچ اطلاعات فنی در مورد خودرو نداشتم و به فکرم هم نمیرسید که فن را با دور دستی روشن یا خاموش کنم.
حالا که تجربهام بیشتر شده میخوام این روش را تست کنم.
محل سکونت من هرمزگان هست و تابستانها در ترافیک بندرعباس ماشین بشدت گرم میشود که تمام مایعات خودرو جوش میآیند مثلا مخزن روغن هیدرولیک در اینگونه مواقع چون به گرمای موتور نزدیک هست جوش میآید و بخار بیرون میدهد. البته مدار فن ماشینم کاملا درست هست اما در حالت عادی و با اراده ایسیو برای دور تند فکر کنم دمای آب باید به ۹۶ یا شاید هم ۱۰۰ و بالاتر برسد تا دور تند راه بیفتد. من میخوام در اینگونه ترافیکها به محض اینکه دور کند روشن شد بعد از آن کلید دور تند دستی را بزنم تا دما به ۹۵ یا ۱۰۰ نرسد.
سلام مسئله این هست که پایه های k4 و j4 این ایسیو به پایه های 12 و 54 آی سی کنترل فن های خنک کننده موتور متصل هست لذا وقتی که به طور مستقیم پایه های k4 و j4 به بدنه متصل بشن یعنی پایه های 2 و 12 آی سی کنترل فن ها به بدنه متصل میشه و ممکنه مشکلاتی برای این ای سی و ایسیو ایجاد کنه لذا انجام این کار توصیه نمیشه.
ممنون جناب نصیری از اینکه حوصله به خرج دادین و تمام سوالات من را پاسخ دادین تشکر میکنم. توصیه شما را آویزه گوشم قرار میدهم و از خیر کنترل دستی فنها که بعدها ممکن است به شر و ضرر بینجامد،صرفنظر میکنم.
مجددا از شما تشکر میکنم و شما را به خدای بزرگ میسپارم. از خداوند موفقیت روزافزون برای شما و سایر همکارانتان در این سایت خواهانم.
سلام و سپاس از همراهی شما، پیروز و سربلند باشید.
سلام و سپاس، اگه خیلی شرایط سخت هست میتونید با ریمپ مقداری دمای فعالسازی فن رو تغییر بدید تا شرایط مطلوب حاصل بشه.
سلام خودرو سمند ۸۷ xu7
در دور کند هردو فن روشن میشن
ولی در دور تند فقط فن سمت شاگرد روشن میشه
اوستا میگه مشکلی نداره ، مشکلی نداره واقعا؟ آمپر تا نصفه میاد بالا
تو تست ها مشکلی نداره با دیاگ
سلام در دور تند هم باید هر دو فن با دور تند روشن شوند احتمالا رله دور تند دچار مشکل شده لذا کارکرد رله های موتور فن رو بررسی کنید.
سپاس از شما
سلام و سپاس از همراهی شما
برای من هم همینطوره . قاب هر سه تا رله رو درآوردم .دستی پلاتین هارو فشارمیدم میچسبه و هر دو موتور رو دور تند و کند کار میکنه ولی تو هیچ حالتی همزمان هر دو رو دور تند کار نمیکنه .حتی کولر میگیری فقط سمت شاگرد تند میشه.
سلام اگه رله ها سالم هستند سیم کشی و ایسیو رو بررسی کنید در دور تند و کند هر دو موتور باید شبیه به هم عمل کنند.
سلام ۴۰۵ مدل ۹۶ دارم آمپر آب تا نزدیکای وسط هم اومد ولی فن دور کند روشن نشد ، کولر روشن کردم فن دور تند روشن شد ، رله دور کند سمت راننده رو عوض کردم درست نشد ، رله دوبل گرفتم تعویض کنم مشکل حل میشه ؟
سلام کارکرد رله سری موازی هم بررسی کنید کارکرد فشنگی آب هم بررسی کنید. این موضوع به رله دوبل ارتباطی نداره.
سلام بنده ماشین سورنef7 دارم .امپر ماشینم بالاس ازخط وسط کمی گذشت و اصلا پایین نمیومد.ووقتی که کولر ماشین روشن میکنم امپر پایین میاد .اب رادیات هم پره ..دلیلش چی میتونه باشه؟
سلام بررسی کنید که فن بدون کولر کار میکنه؟ اگه کار نمیکنه کارکرد فشنگی آب و رله ها رو بررسی کنید.
سلام مهندس فن دور پایینم کار نمیکنه با دیاگ تست زدم فقط صدای رله به گوش میرسید ولی عملکرد نداشت فن دور کند
ولی فن دور بالا با تست دیاگ عملکرد داشت
سلام وقت بخیر بنده پارس مدل ۹۹دارم فن دور کند کار نمیکنه با دستگاه تست زدم صدای رله به گوش میرسه ولی فن واکنشی نداره
ولی دور تند روی دمای۹۵روشن و زیر ۹۰خاموش میشه رله ها از جلو پنجره حذف شدن و داخل محفظه قرار دارن و تمام فیوز و رله ها سالمه آیا مشکل فن هست؟امکان داره دور کند فن ها با هم خراب بشن؟
سلام اگه فن ها مشکل داشته باشند نه دور کند دارید نه دور تند لذا مشکل از رله ها هست و کارکرد رله های دور کند رو بررسی کنید.
درود و خسته نباشید خدمت شما،اگر ممکنه بهترین مارک رله فن برای پژو رو معرفی کنید،گویا تو بازار مارکهای مختلفی وجود داره و کیفیتشون هم متفاوت
سلام متاسفانه برندهای مرغوب مثل بوش دیگه پیدا نمیشه و عمدتا کپی هستند لذا شاید رله هایی که شرکت ایساکو یا سایپا یدک توزیع میکنه کیفیت بیشتری داشته باشه
درودمهندس
ترموستات سمند ef7روعوض کردم 88درجه،ازاون موقع، ماشین وقتی گرم میشه وفن دورکند روشن میشه دیگه خاموش نمیشهآمپرنرمال کارمیکنه، زمانی که کولر رو روشن خاموش میکنم فن خاموش میشه،ایرادش رو سپاسگذارم بفرمایید
سلام کارکرد فشنگی آب رو بررسی کنید و همچنین بررسی کنید که کانکتور و پین های سنسور درست باشند یعنی مادگی ها گشاد نشده باشند و نری ها هم کج نشده باشند.
سلام وقت بخیر پژو پارس سال مدل 94دور کند فن کار نمیکنه کولر میزنم دور تند کار میکنه از چه رله ای هستش ممنون از شما
سلام کارکرد رله های فن رو بررسی کنید
سلام میخواستم بدونم رله فن ۱۰۰ آمپر برای پژو بندازم مشکل نداره
سلام نه مشکلی نداره
سلام و اردات .پارس ۹۵ دارم یک دفعه امپر از وسط رد شد و چراغ استپ روشن شد . خاموش کردم و با توجه به اموزش شما رله دور تند اتصال برقرار نمیشد که سنباده زدم درست شد . حال وقتی کولر روشن میکنم اصلا فن رادیات شروع به کار نمیکنه و همچنین در حالت عادی وقتی امپر یکم از وسط رد میشه اونوقت فن دور تند شروع میکنه . راهنمایی بفرمایید مشکل از کجاست . ممنون
سلام کارکرد رله دور کند رو بررسی کنید اگه درست بود کارکرد سوئیچ سه مرحله ای گاز کولر رو بررسی کنید.
سلام
سمند دوگانه دارم، چند روزه تا ماشین استارت میشه فن دور تند فعال میشه چراغ چک روشن میشه بعد از چند دقیقه که ماشین گرم شد، همه چی عادی میشه.یعنی فنها قطع و چراغ چک خاموش میشه. و بعدش هم فنها به موقع روشن و خاموش میشن.
سلام وضعیت شارژ باتری و دینام رو بررسی کنید. اتصالات باتری و بخصوص اتصال بدنه ها رو تمیز، محکم و در صورت نیاز تقویت کنید. کارکرد فشنگی آب موتور رو هم بررسی کنید.
سلام مهندس خسته نباشید.
بنده۱پژو۴۰۵دارم ک جدیدا زود ب زود فن میزنه یعنی تا ۱خط ب وسط میاد فن کند میزنه میاد پایین۵دقیقه بعد هم اینکار تکرار میکنه .هواگیری انجام دادیم اتصالات هم چک کردیم.ایا این کار مشکل داره یا قطعه ای خراب هست.
سلام کارکرد فشنگ آب رو بررسی کنید اگه درست بود ایراد مکانیکی هم بررسی کنید مثلا اگه پره های واترپمپ دچار مشکل شده باشند آب خوب جریان پیدا نمیکنه و این مشکل پیش میاد لذا واترپمپ و ترموستات رو بررسی کنید و همچنین اطمینان حاصل کنید که وضعیت شارژ باتری و دینام مناسب باشه.
سلام خسته نباشید،سمند مدل 83دارم،همه چیزش نرماله ،ولی وقتی خاموش میکنم بعد از یک دقیقه دور کند روشن میشه و نزدیک به پنج دقیقه کار میکنه بعد خاموش میشه،مهندس جان آیا طبیعی هستش یا نیاز داره از طریق icu,دستکاری بشه
سلام سمند و پژوهای قدیمی سنسور 57 درجه داشتند که اگه دمای محفظه موتور بیش از این عدد باشه، فن روشن میمونه تا موتور رو خنک کنه لذا مشکلی نداره.
سپاس مهندس جان🙏🙏
سلام و سپاس از همراهی شما
خیلی هم خوبه .آب رادیاتور که خنک بشه فشار داخل موتور از روی واشر سرسیلندر سریع برداشته میشه
سلام من سمند دارم دیروز تو مسیر یه مرتبه کولر فن داخل کابین و فن های رادیات همه از کار افتادن فیوزها رو چک کردم فیوز کولر ۵امپری سوخته بود تعویض کردم باز سوخت بنطزت مشکل از کجاست
سلام مسیر بعد از فیوز رو بررسی کنید یه جایی اتصال بدنه شده یا ممکنه فن ها گیر کرده باشند یا اتصال کوتاه شده باشند شاید هم سیم های دسته سیم بین قطعات قیچی شده و به بدنه متصل شده اند.
ممنون از کمکتون استاد نصیری طبق راهنمایی بررسی کردم یکی از سیم های رله سمت راننده قطع شده روی بدنه افتاده بود
سلام و سپاس از همراهی شما و خدا رو شکر که مشکل حل شد.
سلام استاد ۲۰۶ تیپ دو مدل ۸۲ فن روشن نمیشه سه تا از پایه رله مثبت بعضی وقت ها دوتا پایه مثبت منفی نیست جالبه دوبار هنگام تست برق رله پمپ بنزین هم روشن شد چکار کنم فن روشن بشه
سلام کارکرد رله های فن رو بررسی کنید.
سلام پژو آر دی دارم یکی از فن های کار نمیکنه لطفا راهنمایی بفرمایید فن سمت راننده کار نمیکنه
سلام کارکرد رله های فن را بررسی کنید.
سلام وقت بخیر
سمند موتور معمولی دارم مدل 94
یکی دو ماهه گاهی وقتها فن ها دور کند کار نمیکنن به دور تند که میرسه کار میکنن گاهی هم به دور تند میرسه فن شاگرد خاموش هست این مشکل همیشه نیست علت از چی میتونه باشه؟
سلام وضعیت شارژ باتری و دینام رو بررسی کنید. اتصالات باتری و بخصوص اتصال بدنه ها رو تمیز، محکم و در صورت نیاز تقویت کنید. کارکرد رله های فن و کانکتورها رو بررسی کنید.
سلام ببخشید آریسان ۹۹ موتور پیکان دارم چند روزی هست فنهای ماشین دور تند کاملا روشن هست و تا خاموشش نکنم ماشینو روشنه آمپرهم از وسط رد میشه علت چیه ۱ اتصال بدنه هم منفی به بدنه دادم میشه برای اون باشه ممنون
سلام کارکرد رله های فن و فشنگی آب موتور رو بررسی کنید.
ترموستات وچک کن و فشنگی آب
سلام ماشین من دور تند مدام روشن و خاموش میشود مثلا7دقیقه روشن بعد 3دقیقه خاموش. دمای آب هم از وسط پایین تر مشکل کجاست
سلام باتری رو چند دقیقه قطع کنید و مجدد وصل کنید اگه درست نشد کارکرد سنسور دمای مایع خنک کننده و رله ها و ایسیو رو بررسی کنید.
سلام بزرگوار ماشین بنده 405 هستش.همه چی مرتبه اما زمانی که برای دور کند که میخواد شروع کنه انگار چند دور رله کند قطع و وصل میکنه (بگیر نگیر)داره اوکی میشه بعدش پایه های هر سه مورد رو عوض کنم بنظر شما خوده رله رو عوض کنم یا خیر ؟
سلام کارکرد رله رو بررسی کنید و در صورت معیوب بودن تعویض کنید.
سلام جسارتا موتور فن سمت راننده نه دور کند کار می کنه نه دور تند ولی تو تست دور کند مثبت تا موتور فن می یاد اما منفی ندارم.و فن سمت شاگرد فقط تو دور تند کار می کنه رله فن ها همشون سالم هستش.سمند مالتی پلکس اکوماکس هستش
سلام منفی یکی از فن ها که دائم هست و منفی اون یکی فن هم که در حالت عادی سری با فن اول هست و در دور تند از طریق رله تامین منفی میشه. لذا اگه رله ها سالم هستند مسیر سیم کشی رو بررسی کنید. ولی معمولا ایراد از رله هست لذا مجددا کارکرد رله ها رو بررسی کنید.
درود بر شما . 206 تيپ 6 اخيرا فن دور آرام خيلى دير خاموش مى شه و دور تند انگار خرابه ! علامت خراب بودن رله دور تند چيه ؟ سينى جلوى ماشين دوتا رله ٣٥ و ٨٠ آمپر هست . فيوزهاى محفظه ى موتور را چك كردم . ممنون
سلام وضعیت شارژ باتری و دینام رو بررسی کنید، اتصالات باتری و بخصوص اتصال بدنه ها رو تمیز، محکم و در صورت نیاز تقویت کنید. هواگیری مدار خنک کننده رو انجام بدید و سطح مایع خنک کننده رو میزان کنید. رله ها اگه خراب شده باشند قطع و وصل نمی کنند یا اگه قطع و وصل کنند ممکنه پلاتین ها خال زده باشه یا ذوب شده باشه و افت ولت داشته باشند.
درود مهندس جان و روزهاى نو مبارك . امروز با دياگ مشخص شد كه هردو فن كند و تند سالم است . هواگيرى مجدد انجام شد . فن دور كند ديرتر خاموش مى شه و دماى موتور بالاست . و با روشن كردن كولر دور تند نمى.زند. شستشوى مدار خنك كارى رادياتورهاى اصلى و بخارى با توجه به تميزى كولانت كه هرساله عوض مى كنم ( ضديخ پارس با آب ديونيزه و اختلاط ٥٠-٥٠) مى تونه موثر باشه . ؟ يا ريمپ و كاهش دماى موتور ؟
سلام و سپاس، سال نوی شما هم مبارک باشه. اگه رله ها و فن سالم هستند باز هم میتونه در گام نخست وضعیت شارژ باتری و دینام رو بررسی کنید اگه باتری ضعیف باشه همین مشکل رو ایجاد میکنه اگه مشکل باتری و اتصالات وجود نداره ایراد از فشنگی آب و برنامه ایسیو میتونه باشه. البته رادیاتور اگه کثیف باشه، شستشوی رادیاتور موثر هست ولی اگه تمیز باشه که نیاز نیست.
سلام استاد برای اینکه بتونیم به صورت دستی فن ها رو با دور بالا به کار بندازیم راه حلی وجود داره؟
سلام باید منفی سیم پیچ رله های فن رو با کلید بدنه کنید، ولی راه اصولی نیست و دستکاری مدارهای برقی خودرو توصیه نمیشه.
سلام استاد، ماشین من آردی هست. وقتی ماشین خاموش میکنم فن ها کار نمی کند و آب سرریز می شود. به همین دلیل آمپر آب بالا می رود و هر سه هفته یکبار هواگیری میکنم. علت چیست؟
با تشکر
سلام وقتی که ماشین خاموش میشه الزاما نباید فن روشن بشه مگر اینکه دمای مایع خنک کننده خیلی بالا باشه. اگه بعد از خاموش کردن ماشین مایع خنک کننده سرریز میشه بررسی کنید که مایع خنک کننده زیاد نباشه و در رادیاتور سالم باشه.
سلام استاد، ماشین من آردی هست، وقتی ماشین و خاموش میکنم فن ها کار نمیکنه و همین امر باعث سایز شدن آب و گرفتن هوا داخل رادیاتور میشه. و سه هفته یکبار هواگیری میکنم. علت چیست.
باتشکر
سلام علت نزدن فن برای خنک کردن چیست رله ها رو تعویض کردم فشنگی رو تعویض کردم و همینطور جا رله ها رو هم تعویض کردم ولی بازم فن نمیزنه یکی از بست های باطری منفی شکسته امکان داره واسه اون باشه،چون. دیدم نوشتین ممکنه واسه نکشیدن برق کافی باشه، و اینکه دور تند اصلا نداره کولر هم میزنم نداره و کار نمیکنه میگن باید اول سیم کشی رو تعویض کنم اگه درست نشد ایسیو نظر شما چیست ،ممنون میشم راهنمایی کنید امیدوارم موفق باشید 🙏🏻
سلام ابتدا وضعیت شارژ باتری و دینام رو بررسی کنید. اتصالات باتری و بخصوص اتصال بدنه ها رو تمیز، محکم و در صورت نیاز تقویت کنید و بستی که شکسته شده رو تعویض کنید. اگه درست نشد ابتدا برق مستقیم به موتورهای فن بدید که کار میکنه یا خیر اگه کار کرد که نشون میده موتورهای فن درست هستند بعد رله ها رو بررسی کنید اگه رله ها درست بودند مسیر سیم کشی از رله ها تا فن ها و همچنین مسیر سیم کشی از ایسیو تا رله ها رو بررسی کنید تا محل بروز عیب مشخص بشه.
سلام خسته نباشید
یه سمند ال ایکس مولتی پلکسی دارم که تو ترافیک و حالت درجا هر چند وقت یکبار امپر اب بالا میره و چراغ استپ میاد بعدش فن دور تند کار میکنه و دما به حالت عادی بر میگرده
واتر پمپ رو هم عوض کردم
رادیاتور رو هم سیخ زدم
رادیات بخاری رو شستم
سلام وضعیت شارژ باتری و دینام رو بررسی کنید. اگه باتری ضعیف باشه، فن توان لازم رو برای خنک کردن موتور نداره. اتصالات باتری و بخصوص اتصال بدنه ها رو تمیز، محکم و در صورت نیاز تقویت کنید. مدار خنک کاری رو هواگیری کنید. کارکرد فشنگی و رله های فن خنک کننده موتور رو بررسی کنید.
سلام خسته نباشید موتور فن A منفیش را از کجا میگیرد؟
سلام در دور کند از طریق سری شدن با فن B و در دور تند از طریق رله 1500C
رله فن
سلام. یه ۴۰۵ دارم بعضی وقتها آمپر میره بالا ولی دور کند کار نمیکنه مجبور میشم کولر بزنم دور تند کار کنه دما بیاد پایین
بعضی وقتها هم درست کار میکنه به موقع دور کند عمل میکنه
بعضی مواقع هم دورکند عمل نمیکنه کولر میزنم دور تند کار نمیکنه ولی دور کند فعال میشه
برخی اوقات هم دور کند که عمل نمیکنه کولر میزنم تا تند کار کنه دما بیاد پایین میبینم اصلا فن نه کند نه تندش عمل نمیکنه
سلام کارکرد فشنگی آب، رله ها و ایسیو رو بررسی کنید.
با سلام
سلام و خوش آمدید.
با عرض سلام من پژو 405 دوگانه مدل 97 دارم مشکل اینه ک فنهای دور کند دیر عمل میکنن یعنی آمپر از وسط ک رد بشه بعد عمل میکنن خواستم بپرسم آیا این طبیعی یا مشکلی وجود داره ترموستات ماشینم ورنته 75 درجه است ضمنا اگر کولر بگیرم آمپر پایین میاد …با تشکر
سلام مشکل خاصی به نظر نمیرسه داشته باشه ولی برای اینکه خیالتون راحت بشه، کارکرد فشنگی آب هم بررسی کنید. با روشن شدن کولر هم طبیعتا فن روشن میشه و آمپر آب میاد پایین.
سلام من آب رادیاتور سمند ال ایکس مدل ۸۹ را امروز عوض کردم بعد آمپر رفت روی نزدیک آخر قرمز ولی کولر روشن کنم فن ها کار میکنند ولی تا کولر خاموش است کار نمیکنند علت چیست مختصر توضیح دهید ممنونم
سلام ممکنه خوب هواگیری نشده باشه. لذا مجددا هواگیری کنید.
سلام وقت بخیر ببخشید که دوباره مزاحمتون میشم در خصوص مشکل فن سورن ef7 خدمت شما عرض کنم در هنگام بروز عیب به یک تعمیرگاه تخصصی رفتم فشنگی دمای مایع خنک کننده را تعویض کردند. در حال حاضر هم گاهی آمپر آب تا وسط آمده ،فن با دور کند روشن میشه و آمپر آب را پایین آورده ولی فن قطع نمیشه دوباره آمپرآب وسط آمده و وقتی آمپر آب مجددا به پایین برمی گرده فن قطع میشه. لطفاً راهنمایی کنید
سلام وضعیت مایع خنک کننده رو بررسی کنید. مدار خنک کاری رو هواگیری کنید. وضعیت شارژ باتری و دینام رو بررسی کنید و اتصالات باتری و بخصوص اتصال بدنه ها رو تمیز، محکم و در صورت نیاز تقویت کنید. باتری رو چند دقیقه قطع و مجددا وصل کنید اگه درست نشد کارکرد سنسور دمای مایع خنک کننده رو بررسی کنید. کارکرد واترپمپ و ترموستات هم بررسی کنید.
سلام وقت بخیر ضمن تشکر و سپاس
چنانچه بخواهیم یک خروجی اضطراری از دور تند هر دو فن های آر دی داشته باشیم میبایست از کدام رله فن و کدام یک از پایه های آن خروجی گرفته شود و کلیدی سر مسیر آن قرار گیرد که به سیم کشی آسیب وارد نگردد
سلام باید مدار برقی فن خنک کننده رو بررسی کنید و پایه های سیم پیچ های رله ها که به کنترل یونیت یا ایسیو میره رو به صورت موازی و با کلید متصل کنید ولی باید از کلیدی استفاده کنید که با وصل کردن پایه به بدنه، پایه ایسیو رو قطع کنه تا ایسیو دچار مشکل نشه که ممکنه کد خطا ایجاد کنه و لذا استفاده از این روش توصیه نمیشه.
سلام وقت بخیر من ماشینم مدتیه کولر رو ک روشن میکنم فقط دور کند کار میکنه ولی وقتی دور موتور رو میبرم بالای ۴ برای ۲ ۳ثانیه دور تند روشن میشه و باز خاموش میشه میره دور کند مشکل از چیه؟
سلام این موضوع نمیتونه عیب باشه ولی میتونید فشار گاز کولر رو بررسی کنید و کارکرد کلید سه مرحله ای گاز کولر هم بررسی کنید.
سلام پژو 405 slx دارم زمانی که فن دور تند روشن می شه فن دور کند از کار می افته و فیوز دور کند می سوزه
متاسفانه تعمیر کار که می برم فیوز عوض می کنه و در حالتی که موتور سرده می گن کولر بگیر و هر دو فن کار می کنه
زمانی که فن دور بالا شروع به کار می کنه فیوز دور کند می سوزه و از کار می افته
ممنون می شم اگه راهنمایی کنید
سلام احتمالا منظورتون رله هست که میسوزه، از رله مرغوب و ترجیحا شرکتی استفاده کنید.
ببخشید استاد.در حالتی که موتور تازه گرم شده،فنهای دور کند باهم شروع به کار میکنند یا یکی روشن وگرمتر که شد دیگری هم روشن میشه(باهم)؟وسوال بعدی هم اینکه میشه یه فن روی دورتند ودیگری خاموش یا اینکه کند کار کنه؟ممنون
سلام هر دو فن باید با دور کند روشن شوند و هر دو هم با دور تند. اگه یکی خاموش هست و یکی کار میکنه با هر دوری، نشان از بروز مشکل در مدار هست.
سلام.واقعا یکی از بی نقص ترین وکاملترین بحث های مکانیکی خودرو رو تماشا کردم.ممنون از حوصلتون.دست مریزاد.
سلام و سپاس از همراهی شما
پژو۴۰۵
سلام دوستان، امروز به موردی برخورد کردم که تو جدول عیب یابی موجود نبود اما با توجه به اینکه زمینه در رشته ی برق دارم، مشکل رو حل کردم و به نظرم به جدول عیب یابی میشه اضافه ش کرد، و اونم اینه که اگر هردوتا فن دور کند روشن نشه ولی هردوتا فن دور تند روشن بشه، پلاتین 87a و 30 رله موازی که در حالت عادی باید جریان برق رو عبور بده به دلیل خرابی پلاتین های رله موازی جریان برق رو عبور نمیداد و هر دوتا فن دور کند رو شن نمیشد ولی دور تند روشن میشد که من این مورد رو که چند روزی درگیرش بودم، با تعویض رله موازی که پلاتینهاش آسیب دیده بود،برطرف کردم.
سلام و سپاس از به اشتراک گذاشتن تجربیات
سلام ببخشید من یک سورن پلاس ef7 مدل 402با 16000کارکرد دارم. وقتی ماشین را روشن میکنم سیستم خنککننده نرمال کار می کند یعنی آمپر آب تا وسط آمده ،فن روشن شده ، آمپر آب پایین آمده و فن خاموش میشه، اما پس از طی مسافتی یا چندین بار فن کردن، آمپر آب تا وسط آمده فن دور کند روشن میشود وآمپر آب را پایین می آورد ولی فن خاموش نمیشه و باحالت روشن و دور کند دوباره با آمپر آب تا وسط آمده مجددا با حالت روشن و دور کند ،آمپر آب را پایین آورده و فن قطع میشه. ولی در بیشتر اوقات بیش از 3یا چندین مرحله تکرار میشود تا فن خاموش شود به نظر شما علت چیست. چندین بار نمایندگی بردم گفتن همه چیز نرمال است ولی اینطور نیست
سلام هنگام بروز عیب با دیاگ و اهم متر کارکرد سنسور یا فشنگی دمای مایع خنک کننده رو بررسی کنید.
ناموسا دمتون گرم علیرقم اینکه بعضی از جاهاشو نفهمیدم ولی خیلی با عشق نوشتین دمتون گرم.
مخصوصا جدول عیب یابی
کارتون درسته
همینجوری سرچ کردم تو نت سایتتون و توضیحاتتون دیدم
سلام و سپاس از همراهی شما
سلام موقعی که کولر روشن فن فقط روی دور کند کار میکنه و با بالارفتن فشارم دور تند فعال نمیشه اصلا و حتی بعضی وقتا دور کندم قطع میشه وقتی کولر روشن علت چیه؟!
سلام کارکرد کلید سه کاره کولر رو بررسی کنید.
سلام خسته نباشید مدتی هست فن ماشین کار نمیکنه تا دما میره وسط یدفه دور تند روشن میشه همراه با چراغ استپ و آمپر آب،رله ها تازه عوض شدن فشنگیم عوض کردم ولی بازهم این مشکل داره.فیلمشو از صفحه کیلومتر دارم که همچین مشکلی داره
سلام وضعیت شارژ باتری و دینام رو بررسی کنید. اتصالات باتری و بخصوص اتصال بدنه ها رو تمیز، محکم و در صورت نیاز تقویت کنید. مدار خنک کاری رو بررسی کنید که مایع خنک کاری به اندازه کافی باشه و هواگیری کنید. فشنگی رو به تنهایی تست کنید که اطلاعات درستی ارسال کنه، سیم کشی فشنگی تا ایسیو رو بررسی کنید بخصوص کانکتور سولفات نشده باشه و مادگی کانکتور گشاد نشده باشه. اگه درست بود از سمت کانکتور ایسیو به صورت دستی مدار فن رو در حالت دور کند و تند تحریک کنید ببینید درست کار میکنه تا از کارکرد مدار و سیم کشی فن اطمینان حاصل کنید اگه همه چی درست بود باید کارکرد ایسیو رو بررسی کنید.
سلام
ماشین من پارس ۸۲ هست موقع روشن شدن فن وقتی میخواد در تند عمل کنه فن سمت راننده دورتند کار میکنه ولی سمت شاگرد دور کند انگار جریان برق سمت شاگرد ضعیف میشه
سلام کارکرد رله ها و موتورهای فن رو بررسی کنید.
سلام و خسته نباشید
استاد پژو پارس ۸۶ دارم رله ها همه سالمند تست کردم و پیش میکامیک برق خودرو بردم.
دور کند کار میکنه سالمه . دور تند فقط سمت شاگرد کار میکنه. کولر میزنم دور تند هر دو کند کار میکنه وقتی داغ میکنه دوتا فن هم دور تند کار میکنن ؟
چرا ؟ چرا دور تند بدون کولر فقط سمت شاگرد کار میکه؟
مشکلش چیه؟
سلام اگه رله ها سالم هستند، ممکنه سیم کشی مشکل داشته باشه لذا کانکتورها رو بررسی کنید که تمیز و محکم باشند، مادگی ها گشاد نباشند و نری ها هم عقب نشینی نداشته باشند و یا اینکه ایسیو ممکنه فرامین درستی صادر نکنه لذا از سمت ایسیو پایه رله ها رو منفی کنید ببینید دور تند و کند درست کار میکنه اگه درست کار کرد نشون میده که سیم کشی درسته و کارکرد ایسیو رو بررسی کنید.
سلام استاد فن دور کنده هردو میزنن ولی دور تند سمت شاگرد نمیزنه علتش چی میتونه باشه ممنون
سلام کارکرد رله دور تند رو بررسی کنید.
سلام . ۲۰۶ وی ۸ مدل ۸۹ دارم چند روز بود وقتی کولر رو خاموش میکردم فن دور تند خاموش نمیشد تا زمانی که ماشین رو خاموش میکردم و دوباره روشن تا فن دور فن کند میشد . الان دو سه روزه اصلا فن رو دور تند نمیره حتی زمانی که کولر میگیرم و ماشین داغ میشه فقط دور کند کار میکنه …
یه باطری ساز هم نشون دادم رله رو عوض کرد ولی دور تند راه نیفتاد . با دیاگ هم دستور دور تند داد لازم فقط کند فعال میشد نه تند ….
ممنون میشم راهنمایی کنید
سلام اگه با دیاگ هم دور کند فعال میشه یعنی مقاومت فن و فن سالم هست اگه دور تند با دیاگ هم فعال نمیشه باید کارکرد رله دور تند رو بررسی کرد.
ممنونم از شما…
رله رو نو کرد اما درست نشد .
رله دور تند و کند فرق میکنند ؟یعنی میشه جا به جا زد تو ۲۰۶ ؟
ممکنه توی bsm یا acu رله ای مربوط به دور تند باشه که سوخته باشه ؟
راهی داره که بشه چک کرد مشکل از کجاست ؟
سلام رله ها مثل هم هستند و میشه جابجا کرد. برق مثبت بوبین این رله ها از BSI و منفی آنها توسط ایسیو موتور تامین میشه لذا مدار سیم کشی رله های فن رو بررسی کنید. ممکنه کانکتورها دچار مشکل شده باشند اگه مادگی کانکتورهای و نری ها مشکلی نداشتند باید BSI و ECU رو بررسی کرد.
مشکل من حل شد . اصلا فکر نمیکردم گاز زیادی کولر میتونه اینقدر اذیت کنه و سیستم برق فن رو به هم بریزه . ممنونم از پاسخگویی و لطف شما
سلام و سپاس از همراهی شما و به اشتراک گذاشتن تجربیاتتون
سلام من روآ سال دارم وقتی کولر میگیرم تو سرعت هر ۴ یا ۵ ثانیه یکبار رله های زیر پای شاگرد و زیر پای راننده عمل میکنن
اول سمت شاگرد و بعد سمت راننده
کولر از لحاظ خنکی هیچ مشکلی نداره
سلام مدار کولر بر اساس فشار گاز کولر، دمای اواپراتور و دمای مایع خنک کننده رفتارهای مختلفی رو نشون میده و بوسیله رله ها فرامین لازم رو صادر میکنه لذا اگه عملکرد کولر خوب هست مشکلی نداره ولی میتونید رله هایی که قطع و وصل میشه رو با رله نوع جایگزین کنید و نتیجه رو بررسی کنید.
ممنون از راهنماییتون چک میکنم
سلام و سپاس از همراهی شما
سلام وقت بخیر.پژو ۴۰۵ مدل ۸۲ دارم.سیم های مدار فن پوسیده شده بود و تعویض کردم
اما دسته سیمی که خریدم به اشتباه دست سیم سمند بوده
الان دور کند کار میکنه اما دور تند فن کار نمیکنه
سلام برق منفی بوبین های رله های دور کند، تند و سری-موازی توسط کنترل یونیت یا ایسیو تامین میشه و منجر به فعال شدن دور کند و تند فن ها میشه لذا مطابق نقشه بررسی کنید که دسته سیم با پایه های مربوطه همخوانی داره یا خیر.
سلام
وقت بخیر و تشکر بابت پاسخ دهی خوبتون.
پارس ۹۴ دارم،سرسیلندر رو تازه عوص کروم رایانه شستم هر۲فشنگی آب هم عوص کردم،ولی فن ها فقط دور تندشون میان سرویس و دور تند فقط هنگام زدن کولر میاد سرویس،بعد از مدتی حرکت آمپر مباد بالا،رله ها هم تعویض کردم فایده نداشت پایه رله ها هم چک کردم سالم بودن تقریبا باطری هم اوکی عه،آیا شارژ دینام و اتصال به بدنه قطب منفی میتونه انقد تاثیر گذار باشه که کلا دور تند فن نیاد سرویس؟
سوال دومم اینکه آیا کلا درآوردن ترموستات برای ما که تو گرمای ۵۰درجه خوزستانیم کار درستیه یا خیر؟
تشکر فراوان
سلام شارژ باتری به فعال نشدن دور کند ربطی نداره یعنی اگه دور تند فعال میشه حتما باید دور کند هم فعال بشه. برای فعال شدن دور کند هم نیاز هست که رله دور کند برق فرمان مثبت و منفی و برق قدرت داشته باشه لذا کارکرد رله دور کند رو بررسی کنید. برداشتن ترموستات در نواحی گرمسیری هم مشکلی نداره.
سلام خسته نباشید پژو405 مدل 88دارم فن دور تند کلا از کار افتاده ب هیچ وجه کار نمیکنه چه با کولر چه با دمای بالا،بردم یجا رله فن هارو عوض کرد جواب نداد،بردم تنظیم موتور حتی برنامه ایسیو رو عوض کرد بازم هیچی نشد توروخدا ی راهنمایی کنید ببرم چیکارش کنم
سلام اگه دور کند هر دو فن کار میکنه یعنی موتورهای فن سالم هستند. اگر دور تند هر دو فن قطع شده نشون میده که مثبت یا منفی سیم پیچ رله های فن تامین نمیشه لذا فیوزهای مدار فن رو بررسی کنید و منفی و مثبت سیم پیچ رله های سری-موازی و دور تند رو بررسی کنید.
رله دوبل هم ممکنه ارتباطی داشته باشه؟چون قسمتای لهیم سیاه شده انگار اتصالی کرده باشه،ممنون میشم اینم جواب بدین
سلام نه رله دوبل به فن خنک کننده ارتباطی نداره. رله دوبل برق مثبت پمپ بنزین، ایسیو و برخی از سنسورها و عملگرهای سیستم سوخت و جرقه رو تامین میکنه.
دستتون درد نکنه ممنون،یه سوال دیگه ذهنمو مشغول کرده اینکه رله دوبل هم میتونه تاثیر داشته باشه؟چون دیدم یکم حالت سوختی داره بعضی قسمتاش
سلام استاد.. 405 مدل 90 دارم.. سیلندر و سرسیلندر و واتر پمپ تازه عوض کردم. ترموستات 75 انداختم رادیاتور دو لول تازه سرویس کردم و سر باطری منفی رو با سه عدد کابل اتصال بدنه تقویت کردم شمع هم عوض کردم لول اگزوز و منبع اول و دوم هم عوض کردم ولی تو سربالایی یا هوای گرم داخل تونل توحید ، آمپر از وسط رد میکند. در حالی که در شرایط عادی همیشه آمپر روی یک چهارم هست یعنی وسط خط اول و خط وسطی.. لطفاً راهنمایی بفرمایید. تشکر
سلام اگه مدار و سیستم خنک کاری درست عمل میکنه. وضعیت موتور رو بررسی کنید. میزان پاشش سوخت انژکتورها رو بررسی کنید. وضعیت کاتالیست رو بررسی کنید که گرفتگی نداشته باشه. کمپرس موتور رو هم اندازه گیری کنید اگه کم بود وضعیت تایم و شیم سوپاپ ها رو بررسی کنید. اگه موتور تعمیر شده، سفت بودن یاتاقان ها، رینگ ها، وضعیت پیستون و بوش ها هم در داغ کردن موتور تاثیر داره.
ماشین به شدت داغ کرد بعد دیدم فن ها کار نمی کنه
مکانیک باز کرد رله ها رو دید رله ی دور کند خراب شده به خاطر فشاری که بهش وارد شده
فقط جاشو با رله ی موازی عوض کرد و رله ی موازی رو گذاشت جای رله ی دور کند و مشکل حل شد و الان خیلی خوب و میزون هم دور کند هم دور تند کار می کنه
می خواستم بدونم لازم نیست اون رله رو عوض کنم ؟ مشکلی ایجاد نمی کنه؟
سلام بهتره که اون رله عوض بشه چون احتمالا آسیب دیده که کار نمیکرده.
سلام وقتتون بخیر چرا رله فن ها برای پژو ۴۰۵ آمپر های مختلفی توی بازار داره آمپر بالا بندازیم یا آمپر پایین تر مثلا من رله فن بنفش فابریک زانتیایی دارم میخوره به پژو ولی ۲۵ آمپره بندازم بنظرتون؟
سلام آمپر بالا مناسب تر هست کمتر در معرض آمپر کشیدن و داغ کردن دچار مشکل میشه و البته گران تر هم هست.
سلام وقت بخیر در دور تند پروانه ی سمت شاگرد فقط باید تند کار کنه؟!؟ مثلا زمانی در جا وایسیم در تابستان یا زمان کولر گرفتن فقط سمت شاگرد باید تند کار کنه یا جفت پروانه ها باید تند بزنه؟!؟ ممنون میشم جواب بدید
سلام در دور کند هر دو باید با دور کند بچرخند و در دور تند هم هر دو با دور تند می چرخند در غیر اینصورت کارکرد رله ها رو بررسی کنید.
سلام
لطفا بفرمایید رله فنهای پژو 405 لازمه هر دو سه سال یکبار تعویض کرد و نو انداخت ؟ در ضمن راه فنها باید چند آمپر باشند ، با تشکر
سلام درصورتیکه مشکل نداشته باشه نیاز به تعویض نداره
سلام خودرو سمند دور کند کلا کار نمیکنه و دور تند فقط سمت راننده به جای دور کند کار میکنه مشکل از چیه
سلام کارکرد رله های فن رو بررسی کنید.
سلام. وقتی موتور داغ میشه و فن ها روشن میشه به محض خاموش کردن ماشین فن ها هم خاموش میشن و آمپر بالاتر میره و حتما باید چند دقیقه ماشین رو روشن بذارم تا کمی خنک تر بشه. البته یه باطری ساز گفت چون ماشین سمند مدل ۸۸ هست اینطوریه. میخواستم بدونم درست میگه؟
سلام طبیعتا وقتی موتور داغ باشه و موتور رو خاموش کنید گرمای موتور به بخش بالای موتور یا سرسیلندر منتقل میشه و سنسورهای دما، دمای بالاتر یا دمای ثابتی رو نشون میدن که به منزله بروز عیب نیست ولی اگه دما خیلی بالا باشه با خاموش کردن موتور، فن ها روشن باقی می مونن.
سلام عزیز.فن ماشین ما اغلب نرمال کار میکنه ولی گهگاهی فقط دور تند سمت راننده کار میکنه در حالی که هر دو فن دور کندش اصلا کار نمیکنه ( مخصوصا در حال ثابت ماشین بیشتر اتفاق میفته) علتش چی میتونه باشه؟
سلام کارکرد رله های فن و بخصوص رله سری موازی رو بررسی کنید.
سلام مهندس ماشین 405 دو گانه فابریک مدل 89دارم امپر اب وقتی میاد بالا دور کند کار مکنه میاردش پایین ولی دیر فن خاموش میکنه علت چی میتونه باشه؟
سلام وضعیت شارژ باتری و دینام رو بررسی کنید. اتصالات باتری و بخصوص اتصال بدنه ها رو تمیز، محکم و در صورت نیاز تقویت کنید. کارکرد رله ها رو بررسی کنید. مدار خنک کاری رو هواگیری کنید. از کارکرد صحیح ترموستات اطمینان حاصل کنید.
سلام وقت بخیر
ماشین پژو دوگانه شرکتی دارم. دور کند فن و تند کار میکنه ولی وقتی میرم توی سربالایی انگار فن دیر کار میکنه. آمپر از خط وسط رد میشه و ب خط نزدیک آخر میرسه و تند دوباره کار میکنه و توی همون محدوده آمپر میمونه. ب موتور فشار میاد. لطفا راهنمایی کنید. ممنونم
سلام وضعیت شارژ باتری و دینام رو بررسی کنید. اتصالات باتری و بخصوص اتصال بدنه ها رو تمیز، محکم و در صورت نیاز تقویت کنید. وضعیت فن خنک کننده موتور رو بررسی کنید که راحت دوران کنه و گیر نداشته باشه، کارکرد رله های فن رو بررسی کنید و در صورت نیاز تعویض کنید.
سلام فن دور کند و تند فرقی باهم نمیکنه سرعتشون ایراد از چیه دور کند هم هر دو فن کار میکنه دور تند هم همینطور هر دو با یه سرعت کار میکنن
سلام بله همینطوره. هر دو فن با دور کند کار می کنند یا هر دو فن با دور تند.
سلام پژو مدل91دورکند روی80درجه شروع میکنه
دور تند هم بعضی وقتا از وسط هم رد میشه ولی نه کند و تند کار نمیکنه رله ها سالمن و ترموسات و فشنگی آب هم عوض کردم اما فایده ندارد
سلام وضعیت شارژ باتری و دینام رو بررسی کنید. اتصالات باتری و بخصوص اتصال بدنه ها رو تمیز، محکم و در صورت نیاز تقویت کنید. اگه موتور فن، رله ها، فشنگی و سیم کشی سالم هستند کارکرد ایسیو رو بررسی کنید از یه ایسیو بدون کد استفاده کنید و نتیجه رو بررسی کنید.
سلام پژو ۴۰۵ دور کند هر دو فن بعضا روشن نمیشه دمای اب که بالا میره( عقربه امپر دما از نصف رد میشه ) فن دور تند شروع به کار میکنه و سریع هم خاموش میشه ولی امپر اب هنوز بالا هست کولر که روشن می کنم فن دور تند تا زمانی که امپر اب پایین بیاد کار میکنه بعد فن دور کند فعال میشه .
سلام وضعیت شارژ باتری و دینام رو بررسی کنید. اتصالات باتری و بخصوص اتصال بدنه ها رو تمیز، محکم و در صورت نیاز تقویت کنید. اگه در حالت عدم استفاده از کولر، فن دور کند فعال نمیشه کارکرد رله های فن رادیاتور رو بررسی کنید. اگه درست بود کارکرد فشنگی رو بررسی کنید.
سلام خسته نباشید 405 مدل 86 فن سمت راننده روشن نمیشه فن سمت شاگرد فقط دورتند روشن میشه طبق جدولی که ارائه کردید رله دورکند تعویض کردم موتور فن سمت راننده با برق مستقیم امتحان وروشن میشه ممنون میشم لطف کنید بفرمایید مشکل ازکجاست
سلام
پلاتین پایه رله فن اگر لق یا گشاد شده باشه همین ایراد بوجود میاد ، وقتی فن روشن میشه با دست رله رو تکون بدین یا به سمت پایه فشار بدین اگر فن عمل کرد دهنه پلاتین ها رو سفت کنید یا پایه رله فن رو عوض کنید
سلام مهندس خسته نباشید 405 مدل 86 فن سمت راننده روشن نمیشه فن سمت شاگرد فقط دورتند روشن میشه طبق جدولی که ارائه کردید رله دورکند تعویض کردم موتور فن سمت راننده با برق مستقیم امتحان شده وروشن میشه ممنون میشم لطف کنید بفرمایید مشکل ازکجاست
سلام کارکرد رله های فن رو بررسی کنید.
سلام
مطالب ارزشمندتان برایم خیلی مفید بود.
در امتیازدهی اشتباهی دو ستاره زدم ولی قصدم امتیاز کامل بود.
لطفا اگر ممکنه اصلاح بفرمایید.
خدا پشت و پناهتان
سلام و سپاس از همراهی شما
سلام ماشین سمند مدل83 فن دما 80 دور تند میزنه بعضی وقتا ماشین درجا کار میکنه درسته میشه سنسور دما اب تازه عوض کردم رله سالم هستن
سلام وضعیت شارژ باتری و دینام رو بررسی کنید. اتصالات باتری و بخصوص اتصال بدنه ها رو تمیز، محکم و در صورت نیاز تقویت کنید. اگه اطمینان دارید که فشنگی درست هست کارکرد کنترل یونیت فن رو بررسی کنید یا به یک نمونه سالم موقتا جایگزین کنید و نتیجه رو بررسی کنید.
سلام.اولین فرمان شروع بکار فن همانطور که در مقاله اومده از فشنگی اب صادر میشه و ای سی یو به رله ها فرمان میده.اگه در دمای سرد فن روشن میشه یعنی فشنگی اب ماشین شما اطلاعات نادرست به ای سی یو میفرسته و ای سی یو هم براساس داده های فشنگی رله هارو فعال میکنه.درنتیجه فشنگی اب روی سزسیلندر رو چک کنید.اگه سوکت روی فشتگی هم دراومده باشه یا محکم نباشه فن از ای سی یو فرمان روشن شدن میگیره.
سلام مهندس
ماشینم ۴۰۵ مدل ۸۶ تک
توی جاده بعضی اوقات وقتی ماشین سرد هم هست فن روشن میشه گفتن مشکل از ترموستات هست ولی عوض کردم درست نشد مشکلش ازکجا میتونه باشه؟
سلام وضعیت شارژ باتری و دینام رو بررسی کنید.اتصالات باتری و بخصوص اتصال بدنه ها رو تمیز، محکم و در صورت نیاز تقویت کنید. کارکرد رله های فن و فشنگی آب موتور رو بررسی کنید.
سلام مهندس نصیری.من پژو 405 مدل 87 دوگانه سی ان جی کارخانه دارم.کامپیوتر ماشین ساژم s2000 است.ماشین در حرکت آمپر پایین هست ولی در ترافیک و در حالت درجا آمپر بالا میاد تا خط نزدیک قرمز می رسد.
به احتمال زیاد واتر پمپ خراب شده حتما برسی شود
اگه خودت میخوای تست کنی و متوجه بشی ببین سمت تسمه تایمت صدای غیر عادی که قبلا نبوده متوجه میشی یا نه
سلام مهندس.
من پژو 405 مدل 1387 دوگانه کارخانه با کامپیوتر ساژم s2000 دارم.مشکل ماشین من اینه که ماشین در حالتی که آمپر پایین است و جوش نمیاد و چراغ استپ و چراغ آب ماشین روشن میشه و دو تا فن ها دور تند میزنند و ماشین بد کار میکنه و رادیاتور هم سرد است.ترموستات رو عوض کردم و هوا گیری کردم و نشتی آب هم نداشتم.لطفا راهنمایی کنید.
سلام وضعیت شارژ باتری و دینام رو بررسی کنید. اتصالات باتری و بخصوص اتصال بدنه ها رو تمیز، محکم و در صورت نیاز تقویت کنید اگه همه چی درست بود کارکرد فشنگی آب و کنترل یونیت فن رو بررسی کنید.
سلام
احتمال داره ی جایی سیم کشی برق مشکل داشته باشه به بدنه اتصال کنه منم این مشکل داشتم اینجوری بود همون دسته سیم که از زیر باطری میره به فشنگی آب
سلام من 405مدل 80دارم صبح ماشینو روشن میکنم تا وقتی کامل ماشین گرم شه رله دور آرام جرقه میزنه و هر دو هفته میسوزه بخاطرش یونیت فن حرارتی و سوکت رله هم عوض کردم و باطری ساز هم گفت سیم کشی سینی فن مرتبه اتصالی نداره بنظر شما چی میمونه و عیب از کجاست
سلام اولا در هوای سرد که نباید فن کار کنه اگه رله وصل میشه یا فن کار میکنه کارکرد فشنگی آب رو بررسی کنید. وضعیت موتورهای فن رو بررسی کنید که روان باشند و گیر مکانیکی نداشته باشند. از رله مرغوب با آمپر بالاتر استفاده کنید.
سلام دوست عزیز
من یه 405 مدل 85 دارم وقتی بیرون شهر میرم بیشتر مواقع اگه هوا سرد باشه چراغ آمپر آب و stop روشن میشن و فن دورتند فعال میشه منم برای رفعش میزنم بغل ماشین رو خاموش میکنم رله دوبل رو یکبار خارج و نصب میکنم سپس ماشین رو روشن میکنم ایراد رفع میشه الان چند وقتی هست این مشکل رو دارم لطفا راهنمایی کنید
ضمنا من ترموستات نو انداختم با این وجود مشکل پابرجاست.
سلام وضعیت شارژ باتری و دینام رو بررسی کنید. اتصالات باتری و بخصوص اتصاب بدنه ها رو تمیز، محکم و در صورت نیاز تقویت کنید. کارکرد رلهها، فشنگی آب و شل نبودن مادگی کانکتورهای دسته سیم فنر رو بررسی کنید.
رفیق سلام . منم پژو دارم همین مشکلو داره . اشکال از ECU داداشم . کافیه که ECU رو یک بار از نو ری مپ کنی تا مشکل کلا حل بسه. من دو سال پیاپی تو زمستونا این مشکلو داشتم تا بالاخره عیبشو فهمیدم و الان اوکی اوکیه .
موفق باشید
سلام.
منم ۴۰۵ دوگانه سوز۸۶ دارم چندبار تاحالا واشرزده آخرین بار مکانیک یک سنسور حرارتی کارگذاشت بعدش همین که آمپر به درجه اول میرسه دورتندفنروشن میشه درزمستان که آمپراصلا بالا نمیره استوپ روشن میشه فن هاهم روشن میشه.میزنم کنار ده دقیقه خاموش میکنم برطرف میشه باز۵۰ کیلومتر میرم همین مشکل پیش میاد.دردانشگاه به استاد مکانیک گفتم درکارگاه آزمایش کردیم همین شدگفت علتش اینه که درفصل سرماسنسوروفن نمیذاره آب گرم بشه درنتیجه واترپمپ روخاموش میکنه پس کامپیوتر ازکارافتادن واترپمپ رو میگیره واستوپ روروشن میکنه فن هاهم فعال میشن تا موتور صدمه نبینه.این کار کامپیوترو به اشتباه میندازه.نتیجه کارسنسور وسردبودن بیش ازحدآب هست.درتابستان دیگه این مشکل برطرف میشه.اگه سرسیلندراین خودرورو اینقدرضعیف نمیزدن وآلومینیومی نمیزدن این جورمشکلاتم نداشتیم.پرایدسرسیلندرش اینجوری نیست آب جوش هم بیاد واشرش صدمه نمیبینه.بقول مکانیکی اوناهم بایدنون بخورن.نقص به این سادگی روبرطرف نمیکنن متاسفانه
سلام
واتر پمپ تا زمانی که موتور روشنه کار میکنه اصلا قابل خاموش کردن نیست جدا از موتور کار نمیکنه یعنی مکانيکي هست برقی نیست که کامپيوتر بتونه دستر بده خاموش کنه
منم مشکل داشتم فشنگی روغن عوض کردم okشد
سلام وقت بخیر ببخشید اگه میشه راهنمایی کنید منو ممنون یه ۴۰۵ مدل ۸۴ دارم اول صبح بعد نیم ساعت کار کردن ماشین چراغ استپ و امپر اب همزمان روشن مبشه و فن ها رو دور تند شروع به کار کردن میکنن ، ترمستات ، قاب ترمستات ، فشنگی اب ، جعبه فیوز کالسکه ای رو هم عوض کردن ولی متاسفانه درست نشد یه بار که ماشین رو خاموش کنی سرد بشه دوباره روشن کنی دیگه اون مشکل رو نداره
سلام وضعیت شارژ باتری و دینام رو بررسی کنید اتصالات باتری و بخصوص اتصال بدنه ها رو تمیز، محکم و در صورت نیاز تقویت کنید اگه از عملکرد فشنگی آب، دسته سیم و رله ها اطمینان دارید کنترل یونیت فن رو با یه سالم جایگزین کنید و نتیجه رو بررسی کنید.
دوست گرامی سوکت های رله فن و آب رو جابجا کن احتمالآ اشتباه نصب کردید
ایسیو مشکل دارد
مشکل فشنگی روغن
رله دوبل خراب است
سلام استاد من پژو مدل 97 دارم دور کند اصلا کار نمیکنه وقتی آمپر آب به وسط برسه هردو فن روی دور تند کار میکنن کولر هم بزنم هر دو فن کار میکنن مشکل از کجاست
سلام کارکرد رله های فن رو بررسی کنید.
سلام وقت بخیر استاد ، سوالی از خدمتتان داشتم وقتی بخاری ماشین را روی 27 درجه تنظیم میکنم باد گرم خوب میزنه ولی بعد از مدتی که در مسیر هستم گرمای آن کمتر میشه و بایستی درجه را بیشتر کنم آیا طبیعی هست یا نه؟ خودروی دنا معمولی دارم.ممنون
سلام چون وضعیت اتوماتیک داره و دمای داخل اتاق در تمامی نقاط یکسان نیست این مشکل پیش میاد و طبیعی هست.
سپاس فراوان از راهنماییتون ممنونم
سلام و سپاس از همراهی شما
تو کدام مدل های پژو ، فن بعد خاموش شدن خودرو همچنان روشن می مونه تا اما پایین بیار بعد خاموش میشه؟
سلام معمولا پژوهای 2000 کاربراتوری بود که سنسور 57 درجه داشت و البته پژوهای بعدی هم اگه دما خیلی بالا باشه، بعد از خاموش کردن موتور همچنان فن روشن میمونه تا دما در حد نرمال قرار بگیره
سلام وقت بخیر ممنون از زحمات شما
کتابی هست که مطالب باتری سازی (سیمکشی)
رو مثل مطالب شما توضیح داده باشه
ممنون میشم معرفی کنید
سلام معمولا نمیشه کتاب رو به این شکل نوشت چون حجم کتاب خیلی زیاد میشه و طبیعتا قیمتش خیلی بالا میره ولی کتابی که خودمون نوشتیم”تعمیرکار برق خودرو درجه 1 و 2، مولف صیاد نصیری، انتشارات پارتیان” رو یه نگاهی بندازید شاید مفید باشه.
سلام و عرض ادب سمند ef7دارم، وقتی ماشین کاملا سرد هست و روشن میکنم بلافاصله فن دور تند روشن میشه مشکل از چی میتونه باشه؟
سلام کارکرد سنسور دمای مایع خنک کننده موتور رو بررسی کنید.
سلام و وقت بخیر استاد
یک سوالی از خدمتتان داشتم ، من خودرو دنا معمولی مدل 95 دارم وقتی که آمپر آب به حد عقربه وسط میرسه و قبل از اینکه دور تند فن بکار بیفته ، موتور را خاموش کنیم آیا فن بایستی کار کند یا خیر ، چونکه من قبل از خاموش کردن ماشین صبر میکنم دور تند فن کارش را انجام بده و پس از پائین آمدن آمپر آب ماشین را خاموش میکنم ، ممنون از جنابعالی اگر پاسخ دهید.
سلام بله با خاموش کردن ماشین باید دور کند و تند هم خاموش بشه مگر اینکه دمای آب موتور خیلی بالا باشه که با خاموش کردن ماشین هم فن کار میکنه تا دما رو بیاره پایین که البته این مورد خیلی کم اتفاق میافته و مخصوص زمانی هایی هست که سیستم خنک کاری ممکنه مشکل داشته باشه.
سپاس فراوان از راهنمایی جنابعالی و ممنون
سلام و سپاس از همراهی شما
درود وقت بخیر مهندس
بنده ۴۰۵ مدل ۸۷ دارم الان زمانی که ماشین سرد هستش استارت میزنم چراغ استپ و فن دور تند کار میکنه و روشن میمونه و چند وقتی هستش که رله سمت راننده رو باید با پیچگوشتی یه ضربه بزنی تا شروع به کار کنه سه بارم عوض کردم ولی همشون رو باید یه ضربه بزنی تا پلاتین وصل بشه علت چی هستش سپاس
سلام وضعیت شارژ باتری و دینام رو بررسی کنید. اتصالات باتری و بخصوص اتصال بدنه ها رو تمیز، محکم و در صورت نیاز تقویت کنید. اتصالات کانکتور سنسور یا فشنگی آب موتور رو بررسی کنید. کارکرد رله های فن رو بررسی کنید و در صورت نیاز تعویض کنید.
جناب مهندس ارادت پژو پارس مدل ۹۶دارم موتور معمولی فن سمت شاگرد گاهی وقتا کار میکنه گاهی وقتا نه باید با یک پیچ گوشتی بلند به وسط فن ضربه بزنم تا کار بکنه گاهی اوقات دوتاشون کار نمیکنن باید خاموش روشن کنم تا کار کنن لطفا راهنمایی بفرمایید
وضعیت شارژ باتری و دینام رو بررسی کنید. اتصالات باتری و بخصوص اتصال بدنه ها رو تمیز، محکم و در صورت نیاز تقویت کنید. کارکرد رله های فن و موتور فن رو بررسی کنید. اگه زغال های موتور فن کوتاه شده باشند این مشکل ایجاد میشه که باید یا زغال ها عوض بشن یا موتور فن تعویض بشه.
درود وقت بخیر استاد
بنده ۴۰۵ مدل ۸۷ دارم دوگانه سی ان جی دستی و دیروز مشگل جا نرفتن دنده داشتم که از ماهک بود و برای تعویض ماهک باتری رو خارج کردم و بعد تعویض دوباره بستم و زمانی که استارت زدم چراغ استپ روشن و دور تند فن ها شروع به کارکردن کرد و زمانی که دنده عقب میزنم چراغ کیلومتر خیلی کم نور روشن میشه مشگل از کجا هستش و مورد دیگه اینکه دور کند و تند سمت راننده کار نمیکنه حتما باید یه ضربه به رله بزنم بعد کار کنه و تعویض کردم ولی آن هم همین مشگل رو داره باید با پیچ گوشتی یه ضربه بزنم تا کار کنه .
سپاس
سلام وضعیت شارژ باتری و دینام رو بررسی کنید. اتصالات باتری و بخصوص اتصال بدنه ها رو تمیز، محکم و در صورت نیاز تقویت کنید. اتصالات کانکتور سنسور یا فشنگی آب موتور و سنسور سرعت خودرو روی دیفرانسیل رو بررسی کنید. در سیستم فن هم عملکرد رله ها رو بررسی کنید و در صورت نیاز تعویض کنید.
با سلام و تشکر از مطالب علمی و تجربی کامل شما
کلید سه کاره کولر 405 تعداد 4 سیم دارد . لطفا راهنمایی کنید به ترتیب کدام به کلاچ کمپرسور / کدام به دور کند / کدام به دور تند مربوط می باشد؟
برای نصب سوییچ کنترل دستی و فعال نمودن دور کند یا تند فن به نظر شما از سیم کشی کدام قسمت با کمترین مشکل می توان استفاده کرد ؟
سلام
پایه 1 برق تغذیه از رله تهویه
پایه 2 برق تغذیه قدرت رله کمپرسور کولر
پایه 3 ایسیو یا کنترل یونت فن
پایه 4 تغذیه 12 ولت
توصیه با انجام فعال کردن دستی فن نمیشه چون ECU آسیب میبینه
سلام و خسته نباشی مهندس
من پژو 405 مدل 89 دارم در حالت عادی یعنی بدون حرکت خودرو ماشین نرمال فن خاموش و روشن میکنه ولی توی حرکت فن ها اصلا خاموش نمیشن و دمای آب هم نرسیده ب وسط میمونه ولی توی شب هوای خنک سرعت ک میرم دمای آب میاد زیر یک خط و فن ها خاموشن
فشنگی .ترموستات .واتر پمپ تعویض و رادیات هم سیخ زدم
خیلی ممنون میشم کمکم کنید
سلام مدار خنک کاری رو هواگیری کنید و عملکرد فشنگی آب رو بررسی کنید. احتمالا علی رغم تعویض فشنگی، این فشنگی هم درست عمل نمیکنه.
مدار هواگیری شده و عملکرد فشنگی با دستگاه تست شده و سالم هستن
سلام اگه مطمئن هستید که فشنگی درست هست ایسیو رو با یه ایسیو بدون کد جایگزین کنید و نتیجه رو بررسی کنید.
سلام مهندس شرمنده یه سوالی داشتم از خدمتتون.من سمند موتور ملی دارم وقتی آمپر میره بالا فن دور کند روشن میشه چراغ چکم روشن میشه و خطای( ایراد در سیم زمین یا مثبت)رله هم تعویض کردم درست نشد هر جا هم میبرم سر در نمیارن لطفا راهنماییم کنید خیلی کلافم کرده
سلام وضعیت شارژ باتری و دینام رو بررسی کنید. اتصالات باتری و بخصوص اتصال بدنه ها رو تمیز، محکم و در صورت نیاز تقویت کنید.
مهندس سلام و عرض ادب.
پژو ۴۰۵ دوگانه مدل ۹۱ دارم که چند سالی هست در سربالایی شدید آمپر آب از وسط رد میشه فقط فن دور کند کار میکنه دور تند کار نمیکنه در صورتی که در زمان کولر گرفتن دور کند و تند منظم کار میکنه
دستگاه دیاگ میذارم مگن هیچ مشکلی ندارد.
لطفاً راهنمایی کنید.
ممنون.
سلام اگه دمای آب موتور به 105 نرسه فن دور تند کار نمیکنه ولی اگه دما زیاد هست و فن دور تند کار نمیکنه کارکرد فشنگی آب موتور و ایسیو یا کنترل یونیت فن رو بررسی کنید.
سلام مهندس عرض ادب وقت شما بخیر.بزرگوار سمند مدل ۸۹ دارم که از صفر دست خودم بوده چند روزی میشه فن سمت راننده به حالت تند و فن سمت شاگرد خیلی اهسته کار میکنه بعضی مواقع هر دو تا به حالت عادی کار میکنه وقتی کولر ماشین روشن میشه فیوز فن ها میسوزه هر سه تا رله ها پایه هاش عوض شده هر دو تا موتور فن و پروانه ها عوض شده ولی باز مثل الان فن سمت راننده داره تند کار میکنه ولی سمت شاگرد خیلی اهسته میچرخه کنار ماشین که وایسادم دو مرتبه فن سمت راننده از حالت تند خارج و مجددا به حالت تند بر میگرده میشه لطفا بنده رو راهنمایی کنید ممنون میشم.شبتون خوش
سلام ابتدا عملکرد موتورهای فن رو بررسی کنید که مشکل و اتصالی نداشته باشند. سپس عملکرد هر سه رله، فشنگی آب، دسته سیم و نهایتا ایسیو رو بررسی کنید. بخصوص اگه فیوز میسوزه ممکن هست دسته سیم فن دچار اتصالی شده، مثلا حین تعمیرات ممکنه دسته سیم بین قطعات مونده و قیچی شده.
سلام منم همین مشکل رادارم رادیات سرسیلندر واترپمپ ترموسات تمام رله ها را هم عوض کردم حتی جفت موتور فنهابازهم خوب نشد که نشد آمپر میره توسط قبلا اینطور نبود
باسلام خدمت جناب آقای مهندس نصیری
مهندس جان بنده خودروی پژو 405 مدل 87 دوگانه سوز LPG دارم که متاسفانه قیمت LPG به لیتری 3000 تومان رسیده و جاهایی هم اصلا گیر نمیاد,چندروزی هستش که تصمیم به دوگانه کردن دستی CNG کردم.میخواستم لطف کنید راجع به مزایا ومعایب CNG و اینکه اگر مزیتی LPG نسبت به CNG داره برام توضیح بدید.
پیشاپیش از لطف وبزرگواری شما کمال تشکروقدردانی رو دارم.
سلام سازگاری موتور به LPG بیشتر هست و قطعاتش از جمله مخزن هم سبک تر هست چون فشار گاز CNG حدود 200 بار هست و LPG حدود 20 بار. اگه موتور با CNG سازگار نباشه احتمال سوختن سوپاپ و ایجاد مشکل برای موتور زیاد هست. در کل LPG شرایطی مثل بنزین داره و کمتر موتور رو دچار مشکل میکنه ولی مشکلات CNG برای موتور زیاد هست.
با عرض سلام و احترام خدمت جناب آقای مهندس نصیری عزیز
مهندس جان لطف کنید راجع به سیستم برقی پژو405 که مربوط به فن دورکند وتند درچه دمایی باید روشن بشه و مثلا تاکدوم خط آمپروسیستم خنک کاری که مربوط به بخاری وکولر میشه ی توضیح کامل بفرمایید.
بنده هم دارای ی پژو 405 مدل 87 با گاز ال پی جی می باشم.حدود دوماهه که موتور رو تعمیراساسی کردم. لوله های بخاری و ریگلاتور گازش دیرتر از لوله های پشت ترموستات گرم میشه و طی این دوماه متاسفانه ازبس مشغله داشتم نتونستم ضدیخ بریزم.مهندس جان در ضمن میخواستم بدونم اگه لوله های بخاری و ریگلاتور گاز دارای گرفتگی باشند آب کم میکنه چون غیرطبیعی هستش که موتور تازه تعمیر چندروزی یک لیتر آب کم میکنه.شایان ذکر است که رادیاتور هم بنده از تک لول به دول لو تغییر داده ام.ولی متاسفانه انقدر استرس دارم خواستم بزرگواری کنید راهنمایی بفرمایید. باتشکرفراوان رضا
سلام دور کند فن در 97 درجه و دور تند در 105 درجه شروع به فعالیت میکنه که با این توضیح آمپر آب تقریبا باید حدود خط وسط قرار بگیره. اگه لوله های رگولاتور یا داخل رگولاتور رسوب داشته باشه طبیعتا اون لوله ها دیرتر گرم میشه ولی گرفتگی به آب کم کردن ربطی نداره. لذا نشتی بیرونی سیستم خنک کننده رو بررسی کنید که از واترپمپ، هوزینگ ترموستات، لوله ها و غیره نشتی نداشته باشه. اگه نشتی بیرونی نبود باید نشتی داخلی موتور رو پیگیری کرد لذا رنگ روغن موتور رو بررسی کنید اگه سفید بود یا داخل درب سرریز روغن سفید بود نشون دهنده نشتی داخلی موتور هست.
سلام وقت بخیر. سمند مدل 93دارم چراغ آمپر و استپ همزمان با هم موقعی که امپر روی خط وسط میاد روشن میشه. همون موقع فن ها رو چک کردم خاموشه موقعی که این دو چراغ روشن میشه فن ها با هم شروع به کار کردن میکنن.دلیلش چیه با تشکر
سلام کارکرد فشنگی آب رو بررسی کنید.
سلام خسته نباشین
پژو پارس مدل ۹۳ دارم.تازه تعمیر کردم.بوش پیستون سیلندر رفته تراش فقط میلنگ باز نکردم.قبل تعمیر ترموستات ۷۳ پیکان روش بود بعد تعمیر ۸۳ انداخ تم.فن ها کلا کار میکرد دما پایین نمیومد فشنگی اب عوض کردم ۱ ساعت خوب کار کرد بعد باز دما پایین نیومد .ترموسات عوض کردم ۷۵ انداختم.ماشین الان حالت درجا خوب کار میکنه امپر بالا پایین میشه فن خاموش روشن میشه ب موقع.الان فقط موقع حرکت ایراد داره فنا همیشه روشنه.تا خاموشم میشه باز روشن میشه پشت بندش
سلام وضعیت شارژ باتری و دینام رو بررسی کنید. اتصالات باتری و بخصوص اتصال بدنه ها رو تمیز، محکم و در صورت نیاز تقویت کنید. کارکرد سنسور دمای مایع خنک کننده، رله های فن و کنترل یونیت فن رو بررسی کنید.
سلا خسته نباشید، ماشین پارس موتور معمولی هست ، چند روزی بود فن دور تند سمت شاگرد یکسره کار میکرد به طوری بعد از کامل خاموش کردن ماشین و حتی بدون سوویچ هم یکسره روشن بود تا باتری بخوابه … بردیم باتری سازی رله دور تند وسط رو عوض کرد ، الان فن خاموش میشه و دور تند هم هردو فن کار میکنند ، ولی مشکل اینجاس تا چراغ آمپر روشن نشه اصن فن ماشین دیگه کار نمیکنه … کولر میگیرم کمپرسور هی کلاچ میکنه هم آزاد میکنه … یعنی تا امپر به خط وسط نزدیک نشه فن ندارم و اونهم فقط یک دقیقه دور تند میشه بعد خاموش میشه …ممنون میشم راهنمایی کنید
سلام وضعیت شارژ باتری و دینام رو بررسی کنید و اتصالات باتری و بخصوص اتصال بدنه ها رو تمیز، محکم و در صورت نیاز تقویت کنید. کارکرد فشنگی آب، رله های فن و ایسیو یا یونتی فن رو بررسی کنید.
سلام استاد
رادیاتور ماشین مدام هوا میگیره
رادیاتور سالمه و نشتی نداره ترموستات و واتر پمپ و تمام جنت ها هم تعویض شده
موتور ماشین هم ۱۰ روز پیش تعمیر کامل شده و همه چی تعویض شده
علتش چی میتونه باشه؟
سلام کارکرد درب رادیاتور رو بررسی کنید.
گاز سوز هستش؟
اگر گاز سوز بود رگولاتور گاز رو بازدید کنید که نشتی داخلی گاز به آب نداشته باشد
ممنون از پاسخگوییتون🌹
و اینکه رادیاتور ماشین مدام هوا میگیره
رادیاتور سالمه و نشتی نداره ترموستات و واتر پمپ و تمام جنت ها هم تعویض شده
موتور ماشین هم ۱۰ روز پیش تعمیر کامل شده و همه چی تعویض شده
علتش چی میتونه باشه؟
سلام و سپاس از همراهی شما، کارکرد درب رادیاتور رو بررسی کنید.
سلام مهندس. من لیفان دارم. لیفان علاوه بر رله دور کند و تند یک رله به نام رگولاتور داره. ماشین وقتی دماش بالا می رفت فقط دور تند کار می کرد و دور کند کار نمیکرد. با جابجایی رله دور تند و کند هم تغییری حاصل نشد و باز دور تند کار می کرد و معلوم شد مشکل از رله دور کند نیست. اما رله رگولاتور رو عوض کردم الان می ره دور کند. دوباره هر کدوم از اون دو تا رله رو به جای این رله رگولاتور بذارم دور تند می ره و دور کندش قطع میشه.
به طور خلاصه با یک رله رگولاتور دور کند می گیرم و اگه یه رله دیگه رو رگولاتور بذارم دور تند می گیرم.
مشکل چی هست؟
سلام اسمش مهم نیست به فعال شدن فقط یک رله دور کند فعال میشه و اگه هر سه رله فعال بشه باید دور تند فعال بشه اگه عمل نمیکنه یا مشکل از رله ها هست یا سیم کشی و نهایتا پایه فرمان منفی رله ها که توسط ایسیو تامین میشه رو بررسی کنید.
سلام استاد خسته نباشید
ماشین ۲۰۶ تیپ ۲ مدل ۸۹ دارم
وقتی کولر میگیرم فن دور تند همون لحظه عمل نمیکنه و مدت زیادی دور کند کار میکنه
و باید امپر تا یکم بالاتر از وسط بیادش بعد دور تند عمل میکنه
اگه راهنمایی کنید مشکل از کجاست ممنون میشم
سلام درست عمل میکنه و نباید همون لحظه دور تند عمل کنه مگر اینکه فشار گاز کولر زیاد باشه یا دمای موتور زیاد باشه
سلام
درود بر شما
سلام و عرض ادب من ی پژو ۴۰۵مدل۹۴دارم از وقتی صفر خریدمش تک استارت روشن نمی شن باید استارت رو نگه داری تا روشن بشه پمپ بنزین شمع وایر شمع عوض کردم ولی خوب نمی شه وقتی هم روشن شد هیج مشکلی ندارن لطف کنین راهنمایی کنید باید جی عوض کنم
سلام فشار ریل سوخت هنگامی که ماشین خاموش هست رو بررسی کنید. نشتی انژکتورها رو بررسی کنید. فشار کمپرس موتور رو اندازه گیری کنید اگه کم بود باید بخش های مکانیکی موتور مثل شیم سوپاپ، تایم، وضعیت رینگ و غیره بررسی بشه.
سلام.دقیقا همین مشکل به این صورت صبح که با استارت اول روشن نمیشدوتمامی کارهای که بایستی انجام داد ونداد را انجام دادم ودرست نشد وبعدا به نتیجه رسیدم که ایسیو چینی مدل کروز cgd روش از کارخانه نصب وهمین مشکل هست وان را با ایسیو زیمنس که بدون کد روش بستم وخیلی عالی وتک استارت کار میکنه متاسفم برای گاری خودرو وخریدارانش …
سلام مهندس خسته نباشید
ماشین من سمند مدل 83هست ماشین در دور کند فن ها عمل نمیکنند دور تند عمل میکنه
رله هم زیاد میسوزه ،سمت راننده،، کولر میگیرم رله سریعتر میسوزه وقتی هم درست کار میکنه آمپر آب بالا میره لطفاً راهنمایی کنید
سلام کارکرد رله دور کند و سری موازی رو بررسی کنید. از رله مرغوب با آمپر بالاتر استفاده کنید. کانکتور رله ها رو بررسی کنید و اگه مادگی ها دسته سیم شل هستند سفت کنید.
سلام
ماشینم ۴۰۵ مدل ۹۱ هست از زیر موتور ماشین گرمای زیادی خارج میشود و از طرفی امپر از خط وسط پایین تر است گاهی هم ماشین آب کم میکنه علت این همه حرارتی که از زیر ماشین خارج میشود چیست
سلام عملکرد فن باعث میشه که هوای گرم از زیر ماشین بیرون بیاد ولی آب کم کردن نشونه نشتی هست که باید شیلنگها، درب رادیاتور، و غیره بررسی بشه.
سلام استاد.دور کند فن روشن نمیشه تا اینکه دما میره بالا تازه دور تند روشن میشه ولی کولر میزنم دور کند فعاله.دلیل اینکه دور کند فن بدون کولر اصلا روشن نمیشه چیه
سلام عملکرد فشنگی آب رو بررسی کنید.
سلام خسته نباشید.
من ماشینم ۴۰۵ مدل ۸۷ تو جاده سربالایی امپر بالا اومد یه لحظه از وسط رد شد اومدم دیدم فن سمت شاگرد کار نمیکنه بعد از یه دیقه کار کرد فقط اونو دیدم .
.والان داخل شهر که میرم امپر ماشین تا وسط میاد بالا .
هردوتا فن کار میکنن نمیدونم مشکل چیه امپر میاد بالا قبلا اینجوری نبود و میخوام مشکلشو پیدا کنم .الان موندم دقیقا مشکلش چیه . و من ماشینم هر دو روز یه لیوان اب کم میکنه تو داخل شهر ولی تو جاده نه کم نمیکنه
سلام احتمالا دور کند کار نمیکنه لذا عملکرد رله های فن رو بررسی کنید.
سلام استاد محترم ، ۴۰۵ مدل ۹۵ دارم . فن در دمای ۹۳ میزنه و در دمای ۸۵ قطع میکنه ، آیا ریمپ کردن جهت فعال کردن فن در دمای پایین تر مورد تایید است؟
سلام عملکرد مناسب هست و توصیه نمیشه که ریمپ بشه
سلام من خودم ریمپ کردم عالیه ریمپ دمای اب بزنید
سلام خسته نباشید
سمند ال ایکس ۹۸ دارم
مکانیکی گفته که واشر سوزانده ولی امروز فن های ماشین از کار افتاده
ترموستات هم باز شده که فشار کمتر بشه ولی فن ها کار نکرده رله فن ها هم سالمه
سلام اگه واشر بسوزه احتمال ورود کمپرس به داخل مایع خنک کننده هست و اگه هوا اطراف فشنگی آب جمع بشه نمیتونه دما رو درست تشخیص بده و طبیعتا فن هم کار نمیکنه یا دیر کار میکنه. بنابراین عملکرد فشنگی آب رو بررسی کنید و وضعیت واشر سرسیلندر هم بررسی کنید و در صورت نیاز تعویض کنید.
سلام من یه سمند ef7 دارم فن ماشین ک روشن میشه همزمان نور بالا و چراغ راهنما سمت راننده روشن میشه مشکل از کجاست
سلام اگه مالتی پلکس هست پیکربندی رو با دیاگ بررسی کنید.
سلام ماشین من سمند سورن ای اف سون است
فن ماشین ثانیه به ثانیه روی دور کند و بعد دور تند تغییر میکنه
نمیدونم چشه !!؟
سلام باتری رو چند دقیقه قطع و مجددا وصل کنید. وضعیت شارژ باتری و دینام رو بررسی کنید. اتصالات باتری و بخصوص اتصال بدنه ها رو تمیز، محکم و در صورت نیاز تقویت کنید. کارکرد رله های فن رو بررسی کنید وضعیت سیم کشی و کانکتور دسته سیم فن بررسی کنید.
سلام استاد نصیری من سمند 83،دارم یونیت فندار هسته سیم کسی داخل موتور کامل عوض کردم 3تا فشنگی آب واشرسرسیلند عوض کردم آمپر آب همش بالا هسته امپر از خط اول میگذره دورکند شروع میکنه بعداز خط وسط میگذره میره رو دورتند ترو قرآن راحل پیدا کنید خسته شدم از بس واشر زدم(( چکار کنم فن زودتر عمل کنه چه دور کند چه دور تند پایین تر بزنن ممنون
سلام ابتدا وضعیت بخش های مکانیکی موتور مثل واترپمپ، رادیاتور، ترموستات، درب رادیاتور، بلوک سیلندر و غیره رو بررسی کنید که اولا تمیز باشند و جرم گرفتگی زیاد نداشته باشند و دوما کارکرد درست داشته باشند. در صورت صلاحدید میتونید از یه رادیاتور با تعداد مجاری عرضی بیشتر استفاده کنید تا توان خنک کاری رادیاتور افزایش پیدا کنه. ممکنه داخل رادیاتور هم بخش آب و هم بخش هوا جرم گرفتگی زیادی وجود داشته باشه که وضعیت خنک کاری ضعیف شده ضمن اینکه اگه سرسیلندر هم تراش خورده باشه در داغ کردن موتور موثر هست. این موارد رو بررسی کنید اگه درست نشد حالا باید بخش برقی مدار خنک کاری رو بررسی کرد که میتونید از کنترل یونیت های با دمای کارکرد پایین تر استفاده کنید. البته وضعیت فن ها هم بررسی کنید که هم دور کافی داشته باشند و هم اینکه پروانه ها مشکل نداشته باشند. که مثلا اگه رله ها مرغوب نباشند یا زغال فن کوتاه شده باشه دور فن به مقدار مناسب نمیرسه.
سلام تعمیر موتور کامل انجام دادم بوش پیستون رینگ یاتاقان واشر سرسیلندر اویل پمپ واترپمپ هرسه فشنگی آب. ترموستات75. رادیاتور دولول با عرض بیشتر گذاشتم یونیت فن سبز گذاشتم هرکاری که گفتین قبلا انجام دادم دیگه نمیدونم چکارش کنم حتی سیم کشی داخل موتور عوض کردم
سلام اگه دور فن به دور مجاز نرسه موتور داغ میکنه لذا با توجه به اینکه خیلی از اجزا رو تعویض کرده اید، وضعیت شارژ باتری و دینام رو بررسی کنید. اتصالات باتری و بخصوص اتصال بدنه ها رو تمیز، محکم و در صورت نیاز تقویت کنید. اگه درست نشد تایم موتور رو بررسی کنید اگه تایم هم درست بود و باز هم داغ میکنه باید وضعیت تراش سرسیلندر رو بررسی کرد.
سلام استادگرامی من ۴۰۴ مدل ۸۸ دارم. فنها دیر کار میکنن. باید با دست بچرخونم بعد کار میکنن
سلام وضعیت شارژ باتری و دینام رو بررسی کنید. اتصالات باتری و بخصوص اتصال بدنه ها رو تمیز، محکم و در صورت نیاز تقویت کنید. کارکرد فشنگی آب، رله فن، موتور فن و سیم کشی فن رو بررسی کنید. برق مستقیم بدید و بررسی کنید که موتور فن خوب کار میکنه ممکنه زغال موتور فن کوتاه شده باشه.
سلام خسته نباشید
پراید ۱۳۱ مدل ۹۱
هروقت کولر میگیرم و رله های فن رو چک میکنم میبینم هردوتا رله فن برای دور کند و تند با هم فعال هستن و داغ میکنن
مگه نباید یکی از رله های فن حالا یا دور کند یا دور تند فعال باشه ؟
سلام عملکرد رله ها درست هست و داغ کردن رله هم طبیعی هست.
سلام استاد خسته نباشید وقتی کولرماشین روشنه میخام توقف کنم ماشین خاموش خاموش کنم امپر ماشین بالا میره ینی فقط فن دور تند روشنه وقتی کولر خاموش میکنم هردو فن بزور ماشین سرد میکنن چرا موقع کولر نباید هردوفن روشن بشن که به خنک کردن رادیاتور کمک کنند ؟؟ تمام رله فن ها هم عوض کردم
سلام بستگی به خودرو داره ولی در پژو وقتی کولر استفاده می کنید هر دو فن با دور کند یا تند فعال میشن.
سلام وقت بخیر
اول تشکر کنم بابت مطالب واقعا خوب و بدردبخور
من یک مشکلی برام پیش امده و بعد از پنج روز که هیچ مکانیک و باطری سازی و تست موتوری نتونستن ایراد رو پیدا کنن خودم گفتم تحقیق کنم بلکه چیزی پیدا کنم که با سایت شما و مطالب کاربردی تون اشنا شدم و گفتم ازتون کمک بگیرم
من برای این که تو روز های گرم قبل از این فن خودرو شروع به کار بکنه و برای اینکه موقعه پارک خودرو تا زمان و سوخت مصرف نکنم تا فن خودرو شروع به کار کنه که ماشین دمای ابش بیاد پایین تا خاموش کنم که واشر نزنه خواستم کلیدی بزارم برای فن دور کند که قبل ایستادن بزنم خنک بشه و خودم دستی خاموش کنم.دادم باطری ساز این کار و انجام داد.و یک سیم از رله سمت راننده به پایه یکی از سیم های سفید نازک وصل کردن و کشیدیم داخل کابین و یک کلید گذاشتن براش که وقتی به بدنه وصل بشه شروع به کارمیکنه.ولی به محض زدن کلید ماشین خاموش کرد
و با استارت زیاد روشن شد.با بررسی زیاد گفت شاید به مدل این ماشین جور در نمیاد و نباید دستی این کار انجام بشه و تمام کار های انجام شده رو لغو کردن.ولی ماشین خود بخود از اون لحظه خاموش میشه حتی زمان حرکت.تمام رله ها بررسی شد ٫تست موتور دادیم و خرابی رله فن و ربه دور کند نشون داد داخل دستگاه ولی قابل پاک شدن نبود که پاک کنن.خلاصه هیچ جوری نتونستن ایراد رو پیدا کنن و همینجوری موندیم.
سلام نیاز به انجام این چنین کارهایی نیست. ممکنه منفی رله که توسط ایسیو تامین شده با کلید مستقیم به بدنه متصل می کرده و احتمال داره مدار داخلی ایسیو دچار مشکل شده باشه. یه ایسیو موقت جایگزین کنید و نتیجه رو بررسی کنید یا عملکرد ایسیو رو بررسی کنید.
سلام و عرض ادب خدمت آقای نصیری ، سوالی که برایم پیش آمده این هست که برق مصرف کننده های خودرو از کدام اجزای ماشین تامین میشه . اصولا اجزای تامین کننده برق مصرف کننده ها در خودرو چه اجزایی میباشد ؟؟
پاسخ مرحمت بفرمایید
سلام وقت بخیر
من پژو۴۰۵glx مدل ۹۴ دارم بعضی مواقع فن ماشین روشن نمیشه کولر هم که میگیرم روشن نمیشه در صورتی روشن میشه که آمپر به وسط برسه چراغ استوپ روشن،و بلافاصله فن شروع به کار کردن میکنه و دما میاد پایین
مشکل و بگین ممنون میشم
سلام عملکرد رله های فن رو بررسی کنید. سیم کشی فن هم بررسی کنید که کانکتورها شل نباشه.
سلام مهندس
ماشین منم پژو ۴۰۵ دقیقا همین مشکل رو داره بعد از اینکه چراغ استپ روشن میشه فن با دور تند کار نیفته!!! رله ها و سوکتشونو عوض کردم درست نشد ممکنه از فشنگی آب سنسور دما باشه اگر هست این سنسور کجای موتور پژو قرار میگیره
سلام عملکرد سنسور دمای مایع خنک کننده که زیر هوزینگ ترموستات نصب شده رو بررسی کنید. پشت موتور زیر هوزینگ رادیاتور بالای کلاچ نصب شده کمی دسترسی بهش سخت هست.
سلام وقت بخیر
داخل جعبه فیوز موتور یه رله هست به اسم رله مدار 70 امپر هست . کارکردشو نمیدونم چیه ولی چند باری که بهش دست زدم بشدت داغ میکنه . نمیدونم احتیاج به تعویض داره یا نه ممنون میشم راهنمایی بفرمایید
سلام وظیفه رله تامین جریان برق با آمپر بالا برای مصرف کننده ها هست و وقتی وصل میشن گرم و بعضا داغ میشه و نیاز به تعویض نداره.
سلام وقت بخیر
خودرو 405 مدل 93 دارم و بعد از ده دقیقه روشن شدن خودرو امپر به وسط 90 درجه می رسد و حداکثر دو یا سه درجه نوسان دارد و پایین نمی اید در حرکت و توقف فرق ندارد. فشنگی ها و ترموستات 75 عوض کردم رادیاتور را بررسی و رسوب زدایی شد فن ها هم نرمال است. با روشن کردن کولر آمپر پایین می اورم. مکانیک ها مشکل را پیدا نکردند. ممنون می شوم راهنمایی کنید و جواب را به ایمیل بفرستید.
سلام وضعیت شارژ باتری رو بررسی کنید. اتصالات باتری و بخصوص اتصال بدنه ها رو تمیز، محکم و در صورت نیاز تقویت کنید اگه درست نشد. پشت آمپر رو بررسی کنید که مشکل نداشته باشه و ترجیحا با یه سالم به صورت موقت جابجا کنید.
با عرض سلام
بنده یک دستگاه slx مدل ۹۸ دارم تا هفته قبل فن ها وقتی آمپر تا وسط بود روشن میشد و نوسان آمپر هم نداشتم
تا اینگه بعضی وقتها آمپر تا خط سوم میرفت و بعد فن ها روشن میشد و بعضی وقت ها هم از نصف آمپر کمتر نشون میده بردم نمایندگی گفت از ترموستات هست عوض کرد مشکل هنوز بود بعد گفت از فشنگی آب هست اونم عوض کرد باز همون حالته حتی دیاگ هم گذاشتند و گفتند همه چیزش خوبه در ضمن اون موقع آمپر رو خط وسط بود و فن ها روشن میشدند ولی بازم بعضی وقت ها آمپر که وسط هست فنها روشن میشه و بعضی وقت ها رو خط سوم
لطفا راهنمایی کنید از چه قطعه ای میتونه باشه
سلام کارکرد فشنگی آب، رله های فن و ایسیو رو بررسی کنید. اگه همه چی درست هست آمپر آب رو تست کنید که خراب نباشه.
سلامو وقت بخیر برلیانس مدل96 دارم متاسفانه رله های فن درست عمل نمیکنن و40 امپر هستن هر جا میگردم پیدا نمیشه فقط 80 امپر دارن خواستم سوال کنم رله 80 امپر میشه استفاده کرد >
سلام بله مشکلی نداره
سلام و خسته نباشی من دنا مدل 97 دارم تمام رله ها فن رو تعویض کردم فن هم تعویض کردم ولی بازم فن ماشین دیر عمل میکنه میخواستم راهنمایی کنید و مشگل من چطوری حل میشه
سلام کارکرد فشنگی آب رو بررسی کنید.
سلام آقای نصیری بنده 405 مدل 88 دارم متاسفانه تمام سیم کشی موتور و سینی بر اثر اتصالی سوخت منم تمام کمال نو شرکتی انداختم بعد از اون دکمه AC که میزنم چراغ روشن میشه ولی کمپرستور خیر…
ضمناً چون خودم برق کار صنعتی و فنی کارم از زیر کاپوت مستقیماً برق دادم به کلید سه کاره کولر شروع به کار کرد
الان اگه خلاصه بگم رلههای زیر داشبورد چک کردم سالمه، با برق مستقیم کار میکنه ولی دکمه Ac با وجود روشن و خاموش شدن تاثیری ندارد.
اینم بگم با برق مستقیم خوب کار میکنه ولی کولر OFF نمیکنه…
دوتا رلهای که زیر داشبورد قسمت شاگرد هست یکیش با روشن شدن هواکش میچسبه ولی دومی که با زدن دکمه Ac بایدعمل میکرد، عمل نکرد…
به جای رله لامپ تست گزاشتم روشن شد یعنی دوتا از سیم ها مثبت بود یکی دائم و دومی با زدن دکمه Ac.
نکته مهم اینکه:
4 تا سیم سوکت رله هیچ کدوم منفی نداشت.
یه سیم منفی از بدنه گرفتم دادم بهش این بار رله عمل کرد ولی بار کمپرستور روشن نشد.
کامل رله برداشتم با یه تکه سیم اتصال کوتاه کردم و کار رله با دست انجام دادم ولی باز روشن نشد…
1- از شما خواهش دارم اگه چیزی مد نظرتون هست لطفا راهنمایی کنید…
2- بهم بگید آیا بین رله و کلید سه کاره اتوماتیک چیز دیگه ای مثل رله یا هر چیز دیگهای قرار میگیره یا خیر؟؟؟
پیشاپیش از توزیعات و هنرنمایی جناب عالی کمال سپاس گزاری را دارم و بسیار بسیار ممنونم….
سلام نقشه کولر 405 از طریق ایمیل ارسال شد. مطابق نقشه برقی عمل کنید.
سلام وقت بخیر خدا قوت ، بنده ساکن اهواز هستم و ماشینم سمند ال ایکس xu7 مولتی پلکس مدل ۹۸ هست، میخواستم ببینم با توجه به گرمای خوزستان و اهواز اگر از موتور فن های دنا پلاس توربو شارژ به جای فن های فابریکی سمند استفاده کنیم مشکلی برای ماشین پیش می آید یا خیر ، با توجه به اینکه فن های دنا توربو ۲۶۵ وات هستند و فن های فابریکی سمند ۲۰۰ وات هستند آیا مشکلی برای ماشین درست میشود یا خیر، لازم به ذکر است که دوستانم در اصفهان و قم و یزد این کار رو کردند و مشکلی برای ماشین پیش نیامده و فوق العاده راضی بودند مضاف بر اینکه دوستانم هر سه رله های فابریکی سمند را که ۳۰ آمپر و آبی بودند رو با ۴۰ آمپر تعویض کردند و مشکلی برای ماشین نداشتند ، لطفا نظر خود را درباره این کار بیان بفرمایید که آیا خوب هست یا خیر. ببخشید که طولانی شد ، وقت بخیر خدا نگهدار .
سلام مهندس وقت بخیر خدا قوت ، بنده ساکن اهواز هستم و خودروی بنده سمند ال ایکسxu7 مولتی پلکس مدل ۹۸ میباشد، میخواستم ببینم با توجه به گرمای هوای خوزستان و اهواز و برای بهتر شدن عملکرد سیستم خنک کاری موتور آیا این امکان وجود دارد که از موتور فن های دنا پلاس توربو شارژ به جای فن های فابریکی خودرو استفاده کنیم، با توجه به اینکه فن های دنا ۲۶۵ وات هستند و فن های فابریکی سمند ۲۰۰ وات هستند آیا مشکلی برای ماشین به وجود می آید یا خیر ، لازم به ذکر است که چند نفر از دوستان خودم در اصفهان و قم و یزد این کار رو انجام دادند و مشکلی نداشتند و راضی بودند و آنها هم سیستم برق ماشینشان مولتی پلکس هست و تا به حال مشکلی نداشتند ، مضاف بر اینکه دوستانم هر سه رله فن های خودرو را که به صورت فابریکی آبی رنگ و ۳۰ آمپر هستند را تبدیل به ۴۰ آمپر کردند و مورد خاصی نداشتند و عملکرد فن ها رو فوق العاده توصیف کردند . لطفا نظر خود را در مورد ای کار بیان بفرمایید که خوب هست یا خیر. ببخشید که طولانی شد . وقت بخیر خدانگهدار.
سلام مشکل خاصی ایجاد نمیشه به جز اینکه هزینه بیشتر باید صرف کنید و از طرفی مصرف فن ها زیاد میشه و طول عمر باتری کاهش پیدا میکنه. البته به دلیل قویتر بودن فن دنا، خار محور به کرات میشکنه و دیده شه که طی دو سال سه بار فن عوض شده و بعضا پروانه هم دچار شکستگی میشه. بنابراین اگه موتور خیلی داغ نمیکنه توصیه میشه موتور رو دستکاری نکنید ولی اگه داغ میکنه میتونه یه راه حل باشه.
سلام استاد گرامی
هر دو دور کند و تند فن پراید از کار افتاد، سرسیم و سوکتها و رلهها تعویض شد ولی بازم فن کار نمیکرد، باتریساز گفت برق مستقیم به سمت رلهها قطعی داره و از باتری برای رلهها برق مستقیم گرفت و سر مسیرش یک فیوز ۴۰ آمپر بست و مشکل حل شد. آیا این کار خطر و مشکلی ایجاد نمیکنه؟ یا اینکه باید سیمکشی رو باز و تعویض کنم؟
سلام این روش توصیه نمیشه چون احتمالا برق کار یا باتری سازی بعدی نمیدونه که قبلی چه کاری انجام داده و مشکل ایجاد میکنه ضمن اینکه سیم کشی دستی مقاومت مدار رو زیاد میکنه، مصرف برق زیاد میشه، باتری زودتر خراب میشه و احتمال اینکه دور موتور فن هم به دور مناسب نرسه وجود داره لذا بهتره مشکل سیم کشی حل بشه و در صورت امکان تعویض بشه.
سلام
سمند ال ایکس مدل ۹۹ دارم
فن دور کند روشن نمیشه کولر روشن باشه یا خاموش فرقی ندارد.
فن ها خاموش میمونه تا وقتی آمپر آب در حد دور تند بالا بیاد، اون وقت دور تند روشن میشه. دور تند روشن میمونه تا وقتی آمپر آب رو پایین بیاره و خاموش بشه.
کلا دور کند توی مدار نمیاد.
رله ها رو جابجا کردم و از سالم بودنشون مطمین شدم.
مشکل چی میتونن باشه؟
سلام اگه رله ها سالم هست، کانکتورشون رو بررسی کنید که شل نباشه، اگه درست بود، منفی رله دور کند که توسط ایسیو تامین میشه رو دنبال کنید و از سمت دسته سیم ایسیو منفی کنید اگه دور کند فعال شد یعنی ایراد از ایسیو هست اگه در این حالت هم فعال نشده یعنی کانکتور، همین سیم و کانکتور رله قطعی داره.
سلام. من سمند ال ایکس مولتی پلکس مدل ۹۷ دارم که یک ماهی هست چراغ استپ روشن میشه و بوق هشدار میزنه و آمپر بالا میاد و روی وسط وایمیسه و بعضی وقتها هم فن دور پایین سمت شاگرد از کار می افته و فقط فن دور بالا سمت راننده کار میکنه و گاهی وقتها هم که این هشدار استپ رو میده ولی فنها درست کار میکنن. به نظرتون مشکل از کجا میتونه باشه؟
سلام از وضعیت شارژ باتری اطمینان حاصل کنید، اتصالات باتری و بخصوص اتصال بدنه ها رو تمیز، محکم و در صورت نیاز تقویت کنید. عملکرد سنسور دمای مایع خنک کننده و رله ها رو بررسی کنید.
سلام وقت بخیر خدا قوت ماشین سمند مدل 91 se دارم ایا با کولر گرفتن فن دور تند باید فعال شود؟
چطور باید متوجه بشیم که دور تند فن سالم هست چون با دستگاه دیاگ هم 2 جا بردم نتونستن فرمان تند یا حتی کند را به فن بدن تمام رله ها ی مربوطه چک و تعویض شده فیوز ها چک شده الان فقط دور کند کار میکنه حتی با کولر گرفتن هم مشکلی پیش نمیاد یعنی دمای اب بالا نمیاد با همون دور کند مشکلی نداره اما چطوری باید متوجه بشم که ایا اصلا دور تند فن سالم هست یا نه یه راهنمایی کنید لطفا دور تند را چطور دستی فعال کنم.
سلام اگه سنسور دمای مایع خنک کننده رو قطع کنید باید فن با دور تند فعال بشه.
سلام آقای نصیری دناپلاس مدل ۹۹ دارم روزهای گرم وقتی ماشینو خاموش میکنم و پنج دقیقه بعد که میخوام روشن کنم آمپر تا ته میچسبه و بوق اخطار بهمراه علامت انژکتور میاد بعد از روشن کردن بوق و علامت انژکتور بلافاصله خاموش میشه و تو ده ثانیه آمپر نرمال میشه ، در صورت خاموش کردن موتور وقتی حرارت زیاده فن ماشین کار نمیکنه ایراد از چیه
سلام باتری رو چند دقیقه قطع کنید و مجددا وصل کنید اگه درست نشد. در همون شرایط که آمپر بالا هست، عملکرد سنسور دمای مایع خنک کننده رو در حالت موتور روشن و موتور خاموش بررسی کنید. اگه سنسور سالم بود ممکنه ایراد از آمپر آب باشه. در حالتیکه که موتور خیلی داغ باشه با خاموش کردن موتور، فن روشن میمونه که معمولا این مقدار داغ کردن موتور مربوط به زمانی هست که مثلا موتور جوش آورده یا آب نداره و در شرایط عادی کمتر رخ میده و عیب محسوب نمیشه.
با سلام ممنون از زحمات شما سمند se مدل 91 دارم گاهی از مواقع فن سمت راننده از کار می افته ولی بیشتر مواقع روشن هست وقتی کولر روشن میکنم بلا فاصله دور تند نمیشه علت چیه ممنون
سلام عملکرد رله ها رو بررسی کنید. هنگام روشن کردن کولر هم نباید بلافاصله دور تند فعال شود. ابتدا دور کند و در صورتی که فشار کولر زیاد شود یا دمای موتور افزایش یابد دور تند نیز فعال می شود.
سلام خسته نباشید من ۲۰۷ پانورما دارم ولی همیشه فن دوره تند روشن میشه .ماشین مدلش ۱۴۰۰ هست و از صفر دسته خودمه و مشکلی هم ایجاد نشده میخواستم سوال کنم
۲۰۷ فن دور کند هم دارد؟
سلام بله داره عملکرد مقاومت فن و سنسور دمای مایع خنک کننده رو بررسی کنید.
سلام
خسته نباشید
سمند مدل88 XU7دارم
وقتی ماشین فن میگره دور آروم هر دو فن کار میکنه
ولی هنگام کولر گفتن فن سمت شاگرد دور تند کار میکنه
و فن سمت راننده کلا از کار میفته و کولر رو که خاموش میکنی دیگه فن سمت راننده کار نمیکنه
لطفا راهنمایی بفرمایید
سلام عملکرد رله های فن رو بررسی کنید.
سلام خسته نباشیدمن پژوپارس معمولی باموتورxu7مدل94 داشبوردجدیددارم،هروقت کولرمیگیرم باسرعت پایین یادقیقتربگم بادورموتورپایین کولرخنک نمیکنه ومعلومه که درگیرنمیشه اماوقتی کلاچ میگیرم وچندبارگازمیدم ودورموتورمیره بالاکولرشروع میکنه به خنک کردن تاچنددقیقه وبازهم قطع میشه وگرماورطوبت میده تادوباره همین کارروتکرارکنم توروخداراهنماییم کنید
سلام عملکرد بوبین کمپرسور کولر رو بررسی کنید ممکنه نیم سوز شده باشه یا اتصالی داشته باشه.
سلام خسته نباشید.سمند مالتی پلکس مدل ۹۶ دارم .از امروز صبح فقط فن دور تندم هر دو روشن میشوند ولی اصلا فن دور کند کار نمیکنه لطف میکنید بگید مشکل از کجاست.ممنون میشم
سلام عملکرد رله های فن رو بررسی کنید.
سلام و وقت بخیر پژو ۴۰۵ مدل ۹۱ دارم دور کند و تند کار میکنه ولی آمپر میاد تا وسط بعضی موقع ها هم از وسط رد میشه کولر اگه روشن باشه خاموش کنم یه کمی میاد پایین بیشتر صبح ظهر اینجوری میشه داخل شب خیلی کم این اتفاق میفته
سلام کمی گرم شدن طبیعی هست بخصوص در سربالایی یه هوای گرم حین کولر گرفتن.
زودتر برو رایاتور تعویض کن که عمرش تموم شده و احتمال زیاد رسوب گرفته
سلام ببخشید سمند دارم ۸۷ رله سمت راننده دوسه روزی یبار میسوزه فقط هم وقتی کولر میزنم کار نمیکنه ولی کولر خاموش میکنم کار میکنه اگه میشه راهنماییم کنید خیلی اذیتم میکنه
سلام وضغیت شارژ باتری رو بررسی کنید. اتصالات باتری و بخصوص اتصال بدنه ها رو تمیز، محکم و در صورت نیاز تقویت کنید.رله سمت راننده رو با سمت شاگرد عوض کنید ببینید مجددا این اتفاق میافته؟ اگه تکرار نشده نشونه این هست که رله ای که تهیه میکنید نامرغوب هست و باید از رله با جنس مرغوب استفاده کنید. البته جریان مصرفی دو موتور فن و همچنین عدم وجود برق دزدی در مدار فن رو هم بررسی کنید.
سلام ماشین سمند ایکس یو سون دارم فن ماشینم کار نمیکنه بردم باطری سازی همه جا رو بررسی کرد و هیچ جا مشکل ندارد ولی بازم روشن نمیشه حتی با کولر هم روشن نمیشه (فیوزها سالم.موتورفن سالم.رله سالم)
سلام از یه ایسیو جایگزین به صورت موقت استفاده کنید شاید مشکل از ایسیو باشه.
سلام وقت بخیر پژو آردی
وقتی ماشین خاموش میکنم فن کند روشن میشه بعد مدتی خاموش میشه و بعد دوباره روشن میشه تا ۳ الی ۴ بار خاموش و روشن میشه میخواستم بدونم طبیعیه یا ایرادی داره
سلام سنسور 57 درجه، دمای محوطه موتور رو اندازه گیری میکنه و فن رو روشن میکنه. اگه دمای محوطه موتور از 57 درجه بالاتر بره فن رو روشن میکنه. توی این هوای گرم میتونه طبیعی باشه ولی در هوای خنک مثل اول صبح یا آخر شب ماشین رو خاموش کنید اگه همین شرایط رو داشت یعنی مشکلی وجود داره و باید عملکرد این سنسور رو بررسی کنید.
سلام و عرض ادب خدمت آقای نصیری ، بفرمایید که برق مصرف کننده های خودرو از کدام اجزای ماشین تامین میشه ؟؟
منتظر پاسختون هستم استاد
سلام ماشین من پژو405مدل84هستش ماشین من وقتی کولر روشن میکنم تو حرکت کلا فنا ثانیه ای دور تند و کند میشن تا کولر زیربار هستش حرکت میکنم میره دور کند بعد دوباره دوذ تند همیجورادامه داره بسط باطری رو بردارم بزارم آیادرست میشه؟؟؟؟
سلام وضعیت شارژ باتری و دینام رو بررسی کنید. اتصالات باتری و بخصوص اتصال بدنه ها رو تمیز، محکم و در صورت نیاز تقویت کنید. وضعیت شارژ گاز کولر رو بررسی کنید و کارکرد سوئیچ سه مرحله ای گاز کولر رو بررسی کنید.
سلام وقت بخیر.
من یه پژو 2000 مدل 79 دارم. وقتی دما از 70 که رد میشه، فن ها به صورت دور کند شروع میکنه، ولی با قطع و وصل، یعنی رله ی دور کن هی تند تند صدای قطع و صل میده تا این که فن ها به دور افتاد صدا قطغ میشه و دوباره وقطی دما پایین میاد برای خاموش شدن دور کن، مجدد تا توقف فن ها، رله هی تق تق قطع و وصل صدا میده.این داستان جوریه که چراغ جلو و همه چراغهای ماشین، نورش کم و زیاد میشه، انگار قطع و پصلی رله، جون ماشینو میگیره. باتریشم تازه عوض کردم حل نش، یونیت فت عوض کردم نشد، ست رله ها رو عوض کردم نشد، فشنگی عوض کردم نشد، فقط یه نکته این که، 3 تا یونیت سبز گرفتم، یکی از اون ها داستان رو عوض میکنه یعنی رله دور کند حل میشه، این سری صدای تق تق از دور رله ی دیگه میشه. باطری قبلی ماشین که روش بود 60 امپر بود، ولی الان که 74 انداختم، حالا به نوسانات، اب شدن فیوز و خود جعبه کالسکه ای اضافه شده به داستان. چه کنم کلافم کرده
سلام مدار خنک کاری رو هواگیری کنید. احتمالا ایراد از فشنگی آب باشه، عملکرد فشنگی آب رو بررسی کنید، اتصالات باتری و بخصوص اتصال بدنه ها رو تمیز، محکم و در صورت نیاز تقویت کنید. اتصال بدنه های فن هم تمیز و محکم کنید.
سلام مهندس خسته نباشید
ی سمند دارم وقتی کولر و روشن میکنیم دور تند کار میکنه بعد از چند دقیقه دور تند ب کند عوض میشه دلیلش چی میتونه باشه.ممنون میشم
سلام عملکرد سوئیچ سه مرجله ای گاز کولر رو بررسی کنید.
سلام وقت بخیر
پژو ۴۰۵ دارم فن کند روشن میشه ولی دور تند نه حتی وقتی کولر میگیرم
و اینکه از پشت ترموستات کمی آب گاهی میاد
ممنون
سلام عملکرد رله های فن رو بررسی کنید. نشتی هوزینگ ترموستات هم بررسی و برطرف کنید.
سلام
وقت بخیر
من جیلی شاسی دارم
مدتی هست که دوتا فن دور تند کار میکنه
آمپر درجه نرمال هست
ولی تا بحال بغیر زمان استفاده از کولر، دور تند روشن نشده بود ولی الان دورکند کار نمیکنه و دور تند دوتا فن روشن میشه
ممنون میشم راهنمایی کنید
سلام باتری رو چند دقیقه قطع کنید و مجددا وصل کنید، اتصالات رو تمیز و محکم کنید و عملکرد رله ها رو بررسی کنید. اگه مشکل حل نشد باید با دیاگ عیب یابی بشه.
سلام آقای نصیری
من ۲۰۶ مدل ۸۵ تیپ ۲ دارم
هنگامی که کولر رو روشن میکنم فن رادیات روشن میشه ولی وقتی کولر رو خاموش میکنم فن یکسره روشن میمونه تا وقتی ماشین روشنه .
حتی درجه آب پایین هم که میاد همونطوری فن روشن میمونه تا وقتی که ماشین رو خاموش کنم
اگه امکانش هست راهنمایی بفرمایید .
تشکر . سپاس
سلام عملکرد سوئیچ سه وضعیتی یا سنسور فشار گاز کولر رو بررسی کنید ممکنه گیر کرده باشه.
سلام جناب نصیری من ماشین ef7 مدل 91 دارم وقتی کولر ماشین روشن میکنم و یا اینکه دور تند فن روشن میشه ماشین خاموش میشه یا 3 کار میکنه و زور و نفس نداره و باید کولر خاموش کنم و ماشین هم خاموش کنم بعد چند دقیقه روشن کنم به مسیر ادامه بدم تو رو خدا راهنمایی کنید
سلام وضعیت شارژ باتری رو بررسی کنید و اطمینان حاصل کنید که باتری سالم هست معمولا عمر مفید باتری حدود 2 سال هست. اگه باتری سالم بود فشار گاز کولر رو بررسی و در صورت نیاز تنظیم کنید، عملکرد سوئیچ سه مرحله ای گاز کولر هم بررسی کنید.
سلام مشکل از سیم کشی اصلی موتور هست که بهینه نیست بهترین کار خرید دسته سیم بهینه هست .اگه این کار رو نکنید دائم خطا کوئل میده و سه کار میکنه
سلام. خودروی شاهین دارم که رله فن دور کند بعلت استفاده از کولر هر ماه میسوزه، سیم کشی هم برام نو کردند ولی کماکان مشکل سوختن ماهانه وجود دارد. میگن جنس رله ها بده و در اثر فشار جریان ذوب میشه. دوتا سوال داشتم.
اول اینکه رله خودش ۴۰ آمپر هست اگر ۸۰ آمپر بندازم خطری ایجاد میشه؟ دوم اینکه آیا رله فن و رله بوق اگر هردو پایه هاشون شبیه هم باشند یکی هستند و بجای هم قابل استفاده هستند؟
سلام بله متاسفانه همینطور هست و اجناس بدون کیفیت در بازار بیداد میکنه. مشکلی نداره و رله آمپر بالاتر استفاده کنید التبه به شرط اینکه سیم کشی اتصالی یا برق دزدی نداشته باشه. اگه سیم کشی مشکل داشته باشه و رله آمپر بالا استفاده کنی، رله نمیسوزه ولی سیم کشی آتش میگیره. رله بوق هم اگه 5 پایه باشه میشه استفاده کرد ولی بوق معمولا جریان کمتری داره برای فن استفاده کنی احتمالا زودتر بسوزه
سلام وقت بخیر استاماشین پژو ۴۰۵تیوفادارم کولرشروشن میکنمبعد وقتی که ماشین خاموش میکنمودوباره کولر میزنمروشن نمیشه هوای گرممیدهعلتشچیهخیلی اذیت شدمازش
سلام در همون حالت که گرم هست و عمل نمیکنه باید بررسی کرد که چه مشکلی داره مکانیکی یا برقی. فشار گاز کولر رو اندازه گیری کنید که بشه نظر داد که عیب برقی هست یا مکانیکی. در یه برهه ای خیلی از ماشین های ایران خودرو این مشکل پیدا کردند که ایراد از گاز و روغن کولر بود که دچار زوال میشد و شیرهای کمپرسور رو خراب میکرد و عیب از کمپرسور بود که باید مدار کولر رو تمیز کرد و کمپرسور هم تعمیر کرد.
سلام وقتی درهوای گرم تابستان خودروپژوپارس را در پارکینگ متوقف وخاموش می کنیم برای مدت کوتاهی فن دور تند کارکرده وسپس خاموش می شوند.
فرمان رله های دورتندچگونه تامین می شود.
سلام عملکرد سنسور دمای مایع خنک کننده رو بررسی کنید. فرمان رله ها از سوی ECU صورت میگیره
سلام ارادت جناب نصيري
بنده براي مدت كوتاه اگر ماشين رو خاموش كنم مثلا حدود ١٥ دقيقه با اسنارت مجدد آممپر آب تا نزديك قرمز رفته و با گاز دادن سريع به حد زير خط وسط ميرسه آيا اين اشكال هست ماشين بنده دناef7مدل ٩٥
سلام بله ایراد داره. وضعیت شارژ باتری رو بررسی کنید. اتصالات باتری و بخصوص اتصال بدنه ها رو تمیز، محکم و در صورت نیاز تقویت کنید. وضعیت ترموستات، تسمه دینام، واترپمپ، درب رادیاتور و سنسور یا فشنگی آب رو بررسی کنید. بعضی اوقات هم پشت آمپر مشکل دار میشه.
درود و وقت بخیر
خیلی عالی بود . با توضیحات و تصاویر کافی. سپاس فراوان
سلام و سپاس از همراهی شما
سلام وقت بخیر مهندس یه سمند دارم وقتی تو جاده حرکت میکنم با کولر آمپر میره بالا تا جایی که بچسبه . فن وپروانه رو عوض کردم.ترموستات شمع حرارت .رادیاتور سرویس .ولی بازم آمپر میکشه . دور فن ها رو با دوربین برام بررسی کردن گفتن ۲۲۰۰دور .
سلام اگه همه چی رو عوض کردید نباید دما بره بالا. شاید ایراد از آمپر آب هست. با یه سالم به صورت موقت جایگزین کنید و نتیجه رو بررسی کنید.
با سلام و سپاس بخاطر مطلب جامع و کامل و پاسخهای مناسب و دقیقتون . سمند مدل 83 دارم که دارای کنترل یونیت فن سبز هست مشکلی که هست شروع بکار فن ها در دمای پایینتر از حد نرمال هست دور کند در 83 و دور تند در 89 درجه که البته باعث میشه دمای کارکرد موتور حتی در این روزهای گرم تیرماه زیر 90 درجه باشه علت چی میتونه باشه لازمه بگم ماشین ریمپ نشده ودر مسیر سیم کشی مقاومت گذاشته نشده یونیت فن سبز عوض شده البته بانمونه بازاری چون مارک بیترون پیدا نکردم کلید سه کار کولر هم عوض شده رله های فن رادیاتور هر ستا سالم هستند و فشنگی کله قهوه ای هم تعویض شده و فشنگی آبی هم به درستی عمل میکند و دمای نشانگر پشت آمپر با دمای نشان داده شده در دیاگ کاملا یکی است
سلام اگه همه چیز درست هست پس تنها نکته ای که باقی می میونه اینه که برنامه کنترل یونیت روی این دماها تنظیم شده باشه، شاید با تعویض کنترل یونیت دمای بالاتر کنترل بشه که البته اگه دمای موتور XU7 پاییین تر باشه آسیب پذیریش کمتر هست.
سپاسگزارم بابت پاسخگویی و امیدوارم موفق باشید
سلام و سپاس از همراهی شما
احتمالا یه مقاومت سر راه یونیت فن گذاشتن سیم قرمزشو نگاه کن اما برا تابستون عالیه.
سلام و عرض ادب خدمت آقای نصیری ، بفرمایید که برق مصرف کننده های خودرو از کدام فسمتها یا اجزا ماشین تامین میشه ؟؟
سلام بستگی داره. بعضی از سوئیچ، بعضی از رله، برخی از نودهای شبکه و ایسیو و غیره
با سلام و تشکر بسیار کوتاه و جامع و کامل بود برای کسی که مقداری فنی بلد باشه بسیار عالیه
سلام و سپاس از همراهی شما
سلام خدمت مهندس نصیری ؛ آقا توی موتورسیکلت قطعه ای به اسم شارژر در زبر باک وظیفه کنترل ولتاژ و آمپر نامناسب را داره . آیا در ماشین میشه مشابه شارژر قطعه ای نصب کنیم که برق ورودی مصرف کننده ها مثل لامپ و غیره را کنترل کند تا از سوختن قطعات برقی ماشین جلوگیری کنه . منظورم نصب یک کنترل کننده مرکزی برای جلوگیری از سوختن همه قطعات برقی ماشین است
سلام در خودرو هم رگولاتور که آفتامات نامیده میشه همین وظیفه رو داره که اجازه نمیده ولتاژ شارژ از مقدار مشخصی زیادتر بشه و پیشگیری میکنه از سوختن قطعات برقی.
استاد نصیری درود فراوان ،
آفتامات ماشین در کجا قرار داره و آیا بهتر از آفتامات جهت کنترل کننده مرکزی میتوانیم پیدا کنیم ؟؟
سلام مجدد، آفتامات در دینام یا آلترناتور تعبیه شده. امروزه با استفاده از شبکه و مالتی پلکس اقدامات موثرتری برای کنترل ولتاژ شارژ انجام میشه که بیش از حد پایین و بالا نره.
استاد نصیری عزیز ،
یعنی از نظر جنابعالی موقعیت صحیح آفتامات در سرراه دینام است ؟؟
و اینکه حتما باید ماشین مولتی پلکس باشه تا آفتامات بهتر عمل کنه ؟؟
ممنون میشم به این دو سوال پاسخ بفرمایبد
سلام در مسیر خروجی دینام، آفتامات وجود داره که اجازه نده ولتاژ از حد مجاز تجاوز کنه و روی همه ماشین ها هم نصب هست و وجود داره. عرض کردم با وجود شبکه و مالتی پلکس عملیات کنترل ولتاژ و جریان میتونه به صورت دقیق تر بخصوص در خودروهای خارجی انجام بشه.
سلام به تهیه کنندگان مطلب آموزشی
۰موضوع فن های خنک کننده ورله های مربوطه بخوبی وباجزییات شرح داده اید.
اگر فایلی تصویری ضمیمه می شد کاملتر وعالی می شد.
سپاس فراوان
سلام و سپاس از همراهی شما، انشاالله پیگیری میشه.
عالی بود داداش دمت گرم مختصر و مفید
سلام و سپاس از همراهی شما
سلام دمت گرم خیلی عالی بود.من خودم مهندس برقم و فنی هستم ولی حوصله و وقتشو نداشتم که مدارشو در بیارم ببینم مشکل روشن نشدن دور تند یکی از فنها(سمت شاگرد) چیه؟ ولی شما خیلی جامع و کامل و فنی و خلاصه آموزش دادی خیلی خوب بود.برای کسی که برق بدونه آموزشت کامله.تشکر
سلام و سپاس از همراهی شما
سلام ، ef7دوگانه مولتی پلکس مدل ۹۳ دارم ، وقتی کولر خاموشه فن ها دور کند و تند مرتب و به موقع عمل میکنن ، اما بعد از روشن کردن کولر حتی وقتی موتور خیلی سرده دور تند یکسره میشه و زمان کلاج کردن و حتی خاموش کردن کولر هم کلا دور تنده و تا زمانی که آمپر رو خط اول نیاد خاموش نمیشه و اصلا خبری از دور کند نیست.
سلام عملکرد سوئیچ سه وضعیتی گاز کولر رو بررسی کنید.
سلام خدمت استاد معظم جناب نصیری ؛ ماشین پدرم رانا معمولی هست که یک هفته پیش توی گرمای تابستان فن ۲۰۶ پلمپ روی آن نصب کردم . اما پس از نصب فن ۲۰۶ روی رانا در زمانیکه اول صبح موتور را استارت میکنم در دمای سرد صبح متاسفانه با کولر زدن دور تند روشن میشه و یکسره کار میکنه . که برایم عجیب است که چرا در هوای سرد شهرکرد با کولر زدن دور تند فوری و مداوم دارم !!!! آیا ممکن است از خرابی ترموستات باشه ؟؟
سلام فشار گاز کولر و عملکرد سوئیچ سه مرحله ای گاز کولر رو بررسی کنید.
سلام و درود استاد معظم جناب نصیری . یعنی از نظر جنابعالی در دمای سرد صبحگاهی که موتور خاموش بوده و استارت و کولر بگیرم و فن دور تند فوری و یکسره روشن بمانه بدلیل فشار گاز کولر و سوییچ سه مرحله ای هست و از ترموستات و فشنگی آب و رله ها و واترپمپ نیست ؟؟
سلام و سپاس، احتمال عدم عملکرد سوئیچ سه مرحله ای از موارد دیگه بیشتر هست.
سلام و درود استاد معظم جناب نصیری . یعنی از نظر جنابعالی در دمای سرد صبحگاهی که موتور خاموش بوده و استارت و کولر بگیرم و فن دور تند فوری و یکسره روشن بمانه بدلیل فشار گاز کولر و سوییچ سه مرحله ای هست و از ترموستات و فشنگی آب و رله ها و واترپمپ نیست ؟؟
سلام محضر استاد معظم جناب نصیری ؛ همانطور که بیان شد مشکل روشن شدن دور تند فن و یکسره دور تند زدن در حالت موتور سرد با زدن کولر دارم
فرمودید که فشار گاز کولر و کلید سه کاره را تست کنم
♦️برای فشار گاز کولر حین روشن بودن کولر چه تستی مدنظرتون هست ؟؟
♦️برای صحت و سلامت کلید سه کاره چه تستی مدنظرت هست ؟؟
سلام فشار رو اندازه گیری کنید و عملکرد سوئیچ سه کاره رو بررسی کنید
زیر 2.5 بار کمپرسور قطع
2.5 تا 19 بار کمپرسور وصل و فن دور کند روشن
19 تا 27 بار کمپرسور وصل و فن دور تند روشن
بیش از 27 بار کمپرسور قطع و فن دور تند روشن
استاد ارجمند جناب نصیری ، ضمن تشکر و قدردانی ،
♦️چطور میشه فشار گاز کولر را بین ۲/۵ تا ۱۸ بار تنظیم کنیم و منظورتان فشار لوله آبی است یا قرمز البته میخوام که فشار در آینده بالای ۱۸ بار نره ؟؟
♦️در مورد تشخیص صحت و سلامت کلید سه کاره راهکار مدنظرتون چه میباشد ؟؟
سلام نمیشه فشار رو تنظیم کرد. لوله فشار قوی مد نظر هست. نحوه تست به مقاله زیر مراجعه کنید.
https://www.ameg.ir/%D8%B3%DB%8C%D8%B3%D8%AA%D9%85-%D8%AA%D9%87%D9%88%DB%8C%D9%87-%D9%85%D8%B7%D8%A8%D9%88%D8%B9-%D8%AE%D9%88%D8%AF%D8%B1%D9%88%DA%A9%D9%88%D9%84%D8%B1/
سلام خدمت استاد معظم جناب نصیری ؛
♦️اگر امکانش هست راهی بهم نشون بدید تا سطح فشار گاز کولر را در رنج فن آهسته کند قرار بدم ؟؟
♦️نشانه تشخیص صحت و سلامت کلید سه کاره از نظر جنابعالی چیه؟؟
سلام ماشینم اردی هستش.امپر اب تاروی هفتاد همون خونه اول میاد بعد دور تند فن هی روشن خاموش میشه وقتی هم روشن میشه چراغ استپ و چراغ دما اب هم روشن میشه مشکل از چی میتونه باشه ممنون میشم راهنماییم کنید.
سیستم خنک کاری رو شارژ کنید، از شارژ بودن باتری اطمینان حاصل کنید، اتصالات باتری و بخصوص اتصال بدنه ها رو تمیز، محکم و در صورت نیاز تقویت کنید، عملکرد رله ها بخصوص رله سری موازی رو بررسی کنید اگه هم چی درست بود، عملکرد فشنگی دمای مایع خنک کننده موتور رو بررسی کنید.
یه سیم هم قبلا از همون سیمی که از ecu اومده برای سنسور دما اب وصل کردن به منفی باتری وقتی سیم هم قطع میکنم دور تند فن یکسره کار میکنه
بله با قطع شدن فشنگی مایع خنک کننده موتور، فن باید با دور تند کار کنه.
باسرعت کم که میرم امپر اب همون خونه اوله و دور کند هم تا دما یه کم میا بالا روشن میشه ولی سرعتم که زیاد میشه یعنی از هشتاد که میره بالا چراغ استپ با دور تند فن هی روشن خاموش میشه دما اب هم همون خونه اوله یعنی هفتاد اصلا زیاد بالا نمیاد اتصال بدنه هم چک کردم کابل اصلی به پایین تر از پمپ هیدرولیک وصله یکی هم به بدنه ماشین یکی هم خودم اضافه کردم به سر کمک وصل کردم بازم درست نشد.
سلام وضعیت باتری رو بررسی کنید، عملکرد فشنگی آب رو بررسی کنید و اتصالات مدار برقی سیستم خنک کننده از ایسیو، فشنگی، رله، فن و غیره رو بررسی کنید که محکم باشه و برق دزدی نداشته باشه.
سلام فن دور تند ماشین ۴۰۵ من بعد از گرفتن کولر چرا فن سمت شاگرد ضعیف تره نسبت به سمت راننده؟امپر هم بالا میاد
سلام وضعیت شارژ باتری، رله ها و عملکرد فن ها رو بررسی کنید.
سلام خسته نباشید
دوتا سوال دارم یکی اینکه وقتی تو جاده داری میری کولر روشنه امگر نزدیک وسط میشه ولی خب بعدش یمدت ک میگذره کولر دیگه خنک نمیکنه و با ی گازدادن درجا دوباره کمپرسور فعال میشه گاز کولر هم تازه شارژ شده
سوال دوم وفتی فن روشن میشه رله دور کند شروع به تیک تیک میکنه
سلام وضعیت شارژ باتری رو بررسی کنید. اتصالات باتری و بخصوص اتصال بدنه ها رو تمیز، محکم و در صورت نیاز تقویت کنید. عملکرد رله های فن و کولر هم بررسی کنید و در صورت نیاز تعویض کنید.
باسلام دگمه Acرو میزنم چراغ دگمه روشن میشه ولی کولر روشن نمیشه و دور تند فن کترنمیکنه
سلام باید فشار گاز کولر در حد مجاز باشه و دمای اواپراتور هم مناسب باشه تا کولر فعال بشه بنابراین فشار گاز رو بررسی کنید و عملکرد سنسور دمای سطح اواپراتور هم بررسی کنید.
درود جناب نصیری
بنده سمند xu7 مدل ۹۹ دارم
به تازگی دور کند ماشین اصلا کار نمیکند و فقط دور تند فن کار میکند و در دور تند هردو فن کار میکنند.
در ضمن هنگام استفاده از کولر قبل از روشن شدن دور تند، صدای تیک تیک از رله زیر پای وپ می آید و وقتی دور تند شروع به کار میکند صدا قطع میشود.
لطف میکنید راهنمایی کنید
سلام غملکرد رله ها بخصوص رله سری موازی رو بررسی کنید.
باسلام، بنده ماشین ساینا اس دارم بعضی وقتها موقع کولر گرفتن انگار کولر هرز کار می کنه وصدای تقه از کولر میاد وماشین هم شروع میکنه به پرش یا کله زدن ممنون میشم راهنمایی کنید
سلام عملکرد کلاچ مغناطیسی کمپرسور کولر را بررسی کنید.
با درود بر شما
خودروی من در هنگام دورکند هر دو فن در مدار هستند ولی هنگامیکه کولر میگیرم ازش، فن سمت راننده از کار میافتد ولی فن شاگرد دور تند میزند ، اگه ممکنه راهنمایی بفرمایید
سلام عملکرد رله دور تند و رله سری موازی رو بررسی کنید. احتمالا در دور تند و بدون کولر هم هر دو فن کار نمیکنه و فقط یکی کار میکنه بررسی کنید که اینطوری هست!
سلام و عرض ادب
سمند ال ایکس xu7 مدل ۹۳ دارم
عملکرد فن ها مختل هستش
کولر ک میگیرم دو تا فن با دور تند کار میکنن،و موتور خنک میشه ولی وقتی کولر استفاده نکنم آمپر از وسط هم رد میشه و به ناحیه قرمز نزدیک میشه مجبور میشم مجدد کولر بگیرم تا فن دور تند راه بیفته موتور دوباره خنک بشه،ممنون میشم راهنمایی کنید مشکل از چیه؟
سلام عملکرد سنسور یا فشنگی مایع خنک کننده موتور رو بررسی کنید.
سلام
سوکت ها بررسی شود (هرسه با رله فن تعویض شود
سلام خسته نباشید
یه سوال داشتم
تمام دنا پلاس های توربوی اتومات توی فصلای گرم با دمای آب مشکل دارن حتی از وقتی ماشین هنوز صفره،وقتی توی جاده بین شهری میرن و جاده کمی سربالایی باشه آمپر آب وسط رو رد میکنه و تا وقتی که ماشین ایست نکنه ویا توی سرازیری نیوفته آمپر آب بین وسط و خط قبل از قرمز در حال تغییره،به نظر میرسه که فن تند هم حریف پایین اوردن دما نمیشه
شما راه حلی برای این مسئله دارید؟راهی هست که بشه عملکرد فن ها وسیستم خنک کاری رو تقویت کرد؟
سلام یه مشکلی که توی این ماشین ها زیاد هست اینه که پین اتصال پروانه به موتور فن میشکنه و دور پروانه به مقدار مجاز نمیرسه و موتور داغ میکنه. که بعد از تعویضش مشکل حل میشه. لذا اتصال محکم پروانه با محور موتور فن رو بررسی کنید.
سلام.وقت بخیر .سمند ال ایکس موتور xu7 دارم . لاد کولر نسبتا خنک می باشد اما کولر ماشین هر یک دقیقه مکرر کلاچ آن عمل می کند و قطع و وصل می کند.مدل ماشین ۹۴ می باشد.علت چیست ؟
با تشکر
سلام فشار گاز کولر و عملکرد سوئیچ سه مرحله ای گاز کولر رو بررسی کنید.
سلام عرض ادب
سمند ۹۰ موتور معمولی دارم،مدتی هست که کولر روشن میکنم تا زمانی که سرعت ندارم آمپر پایینه،اما وقتی سرعت ماشین زیاد میشه آمپر هم میاد تا نزدیک وسط بالا،قبلا اینجوری نبود،احساس میکنم گاهی دور تند رکشن میشه اما گاهی نه،ایراد از کجاست؟
ممنون
سلام عملکرد سنسور دمای مایع خنک کننده و رله های فن رو بررسی کنید.
سلام
من سمند LX ساده دارم همون موتور xu7
دور کند فن ها کند فن ها کند عمل میکنه و طول میکشه تا امپر پاین بیاد
ممنون میشم راهنمای کنید
سلام وضعیت شارژ باتری و اتصالات باتری رو بررسی کنید همچنین بررسی کنید که پین اتصال پروانه به محور موتور فن شکسته نشده باشه.
با سلام و تشکر از زحمات شما بابت مطالب بسیار مفیدی که نوشتید ماشین من سمند ال ایکس است که مدتی است فن های دیر وارد سرویس میشوند یعنی زمانی که دما به نصف میرسد شروع بکار میکنند آیا تعویض قشنگی در این مورد توصیه میکنید یا چه راهکار دیگری پیشنهاد میکنید
سلام و سپاس از همراهی شما، عملکرد سنسور یا فشنگی مایع خنک کننده موتور رو بررسی کنید.
سلام خودروی پراید ۱۴۱ مدل ۸۵ دارم به تازگی سیم کشی ماشین سوخت و مجبور شدم سیم کشی و عوض کنم هنگام خرید به جای دسته سیم مدل فن دو دور، دسته سیم مدل فن تک دور بهم داد و فروشنده گفت یه سوکت بهت میدم، با این سوکت فن و دو دور کن ولی هیچ باتری سازی این کار و نکرده و نمیکنه ،ماشین درجا جوش نمیاره در حین حرکت بعد مدت یک ساعت رانندگی جوش میاره و مایع خنک کننده از درب مخزن ذخیره خارج میشه و داخل مخزن اب به حالت قلقل میرسه دو ماه درگیرم کرده هر جا بردم کسی عیب را مشخص نکرده چه باید کرد
سلام از سیم کشی استاندارد استفاده کنید چون استفاده از اون دسته سیم مشکلات زیادی ایجاد میکنه.
سلام و عرض ادب خدمت آقای نصیری ، بفرمایید که برق مصرف کننده های خودرو از کدام اجزای ماشین تامین میشه ؟؟
سلام از باتری و دینام
سلام من سمند x7 ofمدل 90دارم از امروز کولر که میگیرم فن سمت راننده از کار نیفته کولر خاموش میکنم فنه شروع به کار میکنه ممنون میشم راهنماییم کنید
سلام عملکرد رله های فن رو بررسی کنید.
سلام. یکی از رله های فن که برای دور تند هست سوخته
سلام بهترین پیج فنی را دهرید تبریک میگم مشکل من :وقتی که سیستم فن ها دستور دور تند میگیرند فن B دور تند میزنه ولی فن A دور خیلی کم می،نه در حدی که میشه حتی با دست گرفت پروانه را ، با تعویض رله حل نشده ، آیا عیب مربوط به پایه شماره پنج رله موازی کن و اتصال بدنه میتونه باشه یا نه مورد دیگری هست .
سلام و سپاس، ایراد میتونه از اتصلات، رله یا موتور فن باشه. لذا برق مستقیم به موتور فن بدید اگه درست کار کرد بنابراین یا اتصالات ضعیف هست یا رله.
سلام
من سمند ef7 دوگانه دارم
وقتی کولر روشنه مشکلی نیست تا وقتی آمپر از وسط رد میشه و فن میره رو دور تند موتور تک کار میکنه و چراغ چک روشن میشه
خاموش روشن میکنم درست میشه
دوباره تا فن دور تند کار میکنه همین اتفاق میفته
سلام احتمالا خودالقایی و امواج الکترومغناطیسی موتورهای فن روی برخی سنسورها تاثیر میذاره و این مشکل پیش میاد. ابتدا باتری رو چند دقیقه قطع کنید و مجدا وصل کنید تا خطاهای موقت پاک بشه. ضمن اینکه بررسی کنید اگه سیم سنسورها بخصوص سنسور دور موتور از نزدیکی فن یا رادیاتور عبور کرده، اونا رو از رادیاتور دور کنید. اگه درست نشد باید هنگام بروز این عیب با دیاگ پارامترها رو بررسی کرد.
سلام. دسته سیم کوئل خودرو شما یک سوکت دارد. مشکل از عدم اتصال صحیح در فیشهای داخل سوکت است. . اگر میتوانید سوکت را حذف کنید و سیمها را مستقیما به هم با لحیم کاری متصل کنید.
سلام ماشین منم همینجوری بود ( مدل ۹۰ دوگانه ) و کولر که میزدم سه کارمیکرد و حتی خاموش میشد بردم برقکار با یک سیم برق منفی ماشین تقویت کرد و یک رله به سیم کشی کویل اضافه کرد الان دوسال مشکلم حل شده خیلی هزینه ای نداره
سلام. روآ سال دارم. دور کند هردو فن کار میکنه ولی ولی دور تند سمت راننده کار نمیکنه.کولر هم میگیرم کار نمیکنه و دما امپر میره بالا.
سلام عملکرد رلههای دور تند و سری-موازی رو بررسی کنید.
با سلام
کولیوس ۲۰۱۴ دارم .چند روز پیش در داخل شهر و هوای بسیار گرم و با کولر روشن متوجه شدم که کولر خنک نمی کنه و موتور شدیداً داغ شده .وقتی به فن ها نگاه کردم دیدم فن سمت شاگرد با دور تند کار می کنه ولی فن سمت راننده با دور کند کار می کنه .اما وقتی به موتور فن ضربه زدم ،دور تند فن شروع شد و آمپر حرارت پایین اومد و حرارت موتور مثل همیشه نرمال شد، ممنون می شوم بفرمایید مشکل چی بوده و آیا لازمه موتور فن عوض بشه؟ و آیا مشکل از ذغال موتور فن هست؟
سلام معمولا اگه فنر زغال موتور ضعیف بشه یا زغال ها کوتاه بشه یا آب داخل بلبرینگ موتور فن بره این مشکل پیش میاد و موتور فن روان نمیچرخه که توصیه بر تعویض موتور فن هست.
سلام دنا پلاس توربو اتومات دارم
۸ ماه قبل دما موتور بشدت بالا میرفت نزدیک قرمز میرسید یکی مانده به خط قرمز (البته این شرايط با کولر روشن)
بردم سرویس گفتن رله فن سوخته تعویض کردن حل شد
الان امدیم یزد اینجا خیلی گرمه یه سره کولر روشنه دوباره همون اتفاق افتاد همون فن سمت راننده دور بالا از کار افتاد
رفتم نزد برق کار ماشین گفت قبلا رو رله ۲۵ واتی داشتی الان دو تا ۱۰۰ واتی برات میزارم مشکل حل میشه
گذاشت الان اوکیه ولی از چند نفر پرسیدم گفتن نباید بجای ۲۵ واتی ۱۰۰ واتی بزاری رو برق خودرو تاثیر منفی داره سیم کشی خودرو میسوزونه آیا این حرف آسیب رساندن حقیقت دارد یا خیر ؟؟؟؟
و دوتا رله عوض کرد همون کنار فن هه بود
سلام استفاده از رله با آمپر بیشتر مشکلی ایجاد نمیکنه و اساسا به خاطر قیمت پایین تر هست که از رله های با آمپر کمتر استفاده می کنند ولی طبیعتا امروزه از مواد نامرغوب برای ساخت قطعات پلاستیکی خودرو مثل داشبورد، کانکتور، روکش سیم و غیره استفاده می کنند که با نور و حرارت آفتاب هم دچار تغییر شکل میشن و حرارت بالای موتور هم میتونه روی سیم کشی تاثیر نامطلوب بذاره لذا در کل بهتره که با ماشین های داخلی و چینی یه مقدار با ملایمت کار بشه تا از بروز مشکل برای قطعات پلاستیکی و کانکتورها و روکش سیم ها و غیره پیشگیری بشه. ولی یه مشکلی که فن دنا داره اینه که بعضی اوقات پین اتصال پروانه به محور موتور فن میشکنه و موتور فن کار میکنه ولی پروانه کم دور میچرخه یا اصلا نمیچرخه، لذا این هم بررسی کنید که اتصال پروانه به محور موتور فن محکم باشه.
خیلی ممنون مقداری استرسم کم شد
حقیقت فراموش کردم طرف ۲۵ واتی گفت یا ۲۵ آمپر ولی در کل قوی تر گذاشت از این رله های شیشه ای ۱۰۰ وات یا ۱۰۰ آمپر یه چی گفت فراموش کردم گذاشت
الانم رسیدم تهران از یزد تا تهران با کولر روشن امدم مشکلی پیش نیامد
دنا خیلی آمپرش بالاس اکثرا درجه دما رو وسط است و فن ها با دور بالا باید بزنه تا خنک کنه
سلام
منم دنا اتومات دارم و دقیقا این مشکل رو دارم مخصوصا توی فصلای گرم و توی جاده ی بین شهری که سربالایی باشه دما همیشه از وسط رد میشه و تا خط قبل از قرمز در حال تغییره تا زمانی که ماشینو نگه دارم یا بیوفتم توی سرازیری فن دور تند میزنه ولی حتی نمیتونه آمپر رو به وسط برسونه
شما با تعویض رله فن مشکلتون کاملا حل شد؟
هیچ مشکلی پیش نمیاد.انگار برای روشن کردن یه لامپ از کلید قوی تری استفاده کرده باشی.ربطی به سیم کشی ماشین نداره.اگه بوبین رله عمل نکنه اون یه چیز دیگست
سلام وقت بخیر عزیز من پژو پارس سال دوگانه سوز کارخانه دادم مدل ۹۷ وقتی کولر رو روشن میکنم و تو حرکت با سرعت هستم امپر از وسط رد میشه وقتی کوار رو خاموش میکنم سریع امپر میاد پایین.من راویات دولول انداختم ترموستات و واتر پمپ و فشنگی ها و موتور فن ها رو هم عوض کردم کابل کمکی اتصال بدنه هم وصل کردم ریمپ هم کردم که فنم زودتر روشن بشه ولی باز فرقی نکرده تا کولر میگیرم امپر میاد بالا به نظرتون امکان داره از کمپرسور باشه یا ایراد دیگه ای داره این رو هم بگم که واشر ماشین رو هم تعویض کردم
سلام مقداری از این موضوع طبیعی هست و با فعال شدن کولر، هم انرژی از موتور گرفته میشه و هم خنک کردن کندانسور کولر هم باعث گرم شدن بیشتر موتور میشه ولی با این وجود اگه فشار گاز کولر و عملکرد سوئیچ سه مرحله ای گاز کولر مناسب نباشه، داغ کردن موتور بیش از حد صورت میگیره. لذا فشار گاز کولر و عملکرد سوئیچ سه مرحله ای گاز کولر رو بررسی کنید.
من سمند اس ای مدل 90 دارم ماشینم در حالت عادی فقط یک خط آمپر میاد بالا ولی وقتی میذارم روی کولر و حرکت میکنم بعد از 5 دقیقه امپر به نصف میرسه در حالیه وقتی ماشین متوقف هس و کولر روشن باشه امپر به حالت عادی که همان یک خط هس میرسه ضمنا رله فن عوض کردم گاز کولر فول کردم رادیات هم سیخ زدم کابل اتصال بدنه هم عوض کردم ولی متاسفانه مشکل حل نشد لطفا راهنمایی بفرمائید علت چیه؟ باتشکر
سلام قرار گرفتن آمپر آب در حالت وسط و حتی کمی بالاتر از وسط نشونه عیب نیست و طبیعی هست. زمانی که کولر روشن هست و ماشین هم حرکت میکنه طبیعتا موتور تحت بار قرار میگیره و دمای موتور افزایش پیدا میکنه ولی وقتی که وسط هست یعنی تحت کنترل هست و مشکل خاصی نمیشه بهش وارد کرد مگر اینکه فشار گاز کولر زیاد باشه ولی اگه فشار گاز کولر هم مناسب هست بنابراین مشکلی نداره.
تشکر از راهنمایی مهندس عزیز البته تا پارسال این مشکل نداشتم چون ماشین مدل 90 هس و 12 ساله که من این ماشینو سوار میشم اصلا تا پارسال این مشکلو نداشته و فقط در سربالایی قبلا با کولر امپر به این حد می رسید ؟
سلام سلامت باشید، مایع خنک کننده رو تعویض کنید و جرم داخل رادیاتور و موتور رو بررسی کنید و در صورت امکان سیستم خنک کاری رو شستشو بدید، بعضا استفاده از آب معمولی یا مایع رادیاتور نامرغوب باعث میشه داخل رادیاتور و حتی موتور جرم بگیره و این جرم داخلی مانع بشه که حرارت مایع خنک کننده به هوا منتقل نشه.
سلام
وقت بخیر
۲۰۶ تیپ ۵ دارم دیروز تو جاده متوجه بالا بودن آمپر آب شدم و بعد از بررسی ماشین متوجه شدم که محدوده دمایی دور تند فن از حد نرمال بالاتر رفته یعنی وقتی آمپر نزدیک خط بعد از خط وسط میشد روشن میشد و وقتی دما بین این دو خط میرسید خاموش میشد
به نظر شما مشکل از چی میتونه باشه
سلام به هر حال در تابستان اندکی دمای موتور بیشتر میشه و خیلی غیر طبیعی نیست و اگه بعد از خاموش شدن دور تند، دور کند روشن باشه مشکلی نداره. ولی حتما وضعیت شارژ باتری رو بررسی کنید اگه باتری سالم نباشه قدرت فن کاهش پیدا میکنه ضمن اینکه سیستم خنک کاری رو بررسی کنید که به اندازه کافی مایع خنک کننده داشته باشه.
با سلام
ماشین بنده سمند معمولی هستش. وقتی کولر میگیرم دور تند فن کار میکنه ولی وقتی سربالایی یا تونل توحید میرم درجه آب از وسط رد میشه و دور تند کار نمیکنه و فقط دور کند کار میکنه. مشکل چیه؟ برقیه یا مکانیکی؟
سلام اگه دمای مایع خنک کننده از 105 درجه سانتیگراد عبور کنه یا فشار گاز کولر از 19 بار بگذره، دور تند فن باید فعال بشه اگه فعال نشد باید به ترتیب رله ها، سیم کشی، فشنگی آب و نهایتا عملکرد ایسیو مورد بررسی قرار بگیره.
سلام ، وقتتون بخیر، پژو پارس LX موتور Tu5 دارم ابتدا که کولر میگیرم خنک میکنه ولی بعد نیم ساعت باد گرم میاد و وقتی خاموش و روشن هم میکنم کولر رو صدای تق کمپرسور نمیاد ، فن هم تو دور تند کار نمیکنه ممکنه ایراد از فن باشه که تو دور تند نمیره؟ البته گهگاه هم خوب کار میکنه و خیلی خنک میکنه ، پارسال کلاچ برقی کمپرسور و گاز کولر هم عوض کردم و از این بابت احتمالا مشکلی نباید باشه یکی دوبار هم شد که آمپر به حدی بالا رفت که چراغ STOP روشن شد ولی در همون حال دورتند روشن نبود. ممنون از مطالب مفیدتون و پاسخگوییتون
سلام برخی پژو پارس های LX مثل تولیدات سال 93 مشکلات عدیده ای در سیستم کولر دارند و عمدتا مشکلات سیمکشی، کانکتور و رله های سیستم کولر هست. لذا بعد از بررسی سیم کشی و رله ها، فشار گاز کولر و کلید سه وضعیتی گاز کولر رو بررسی کنید ضمن اینکه بعضا بوبین کلاچ کمپرسور نیم سوز میشه که باید تعویض بشه.
سلام.ببخشید فن من یروزقشنگ کارمیکنه ولی فرداش اذیت میکنه.جدیدن بعدازچندساعت کارکردن باماشین هرزگاهی آمپرفن میره بالاوفن کارنمیکنه که با۲تاضربه زدن باآچاریرجیزی کارمیکنه ونیم ساعت هرزگاهی یساعت قشنگ کارمیکنه.تواتوبانم فن مشکلی نداره ولی توداخله شهری فن کم میاره.چیکارکنم.رله فن همه چیشو است کردم سالمه مگراینکه برق دزدی باشه چیکارکنم الان
سلام معمولا به مرور هم زغال های موتور فن کوتاه میشه و هم با ورود آب به بلبرینگ فن، بلبرینگ خراب میشه که در موتورهای فن های نایاب، موتور فن رو تعمیر می کنند ولی برای خودروهای داخلی موتور فن رو تعویض می کنند.
سلام. ضربه به چی میزنی خوب میشه؟ اگه منظورت به رله س که احتمال داره پلاتین های کانکتور پشت رله گشاد باشن و خوب پایه های رله رو نگیرن البته در صورتی که رله قطعا سالم باشه. چون میگی تو اتوبان خوبه تو شهر قطع و وصل میشه ینی به دست انداز و ضربه جاده ربط داره که میشه شل بودن اتصالات. شاید هم سوکت پشت فن شله و خوب به پایه های موتور فن متصل نمیشه. اطلاعات بیشتر خواستید تاپیک نمیام و نیستم شماره تماس ۰۹۹۰۳۳۳۱۲۱۰
سلام ماشین ef7 درجه آب به وسط میرسه هردو فن کار میکنه ولی هیچ وقت دور کند کار نمیکنه اگه میشه راهنمایی کنید
سلام عملکرد رله های فن، سنسور دمای مایع خنک کننده رو بررسی کنید.
سلام هر دوفن من کار نمیکنه ولی برق که میدم سمت شاگرد کار میکنه راهنمای لطفا پارس سال مدل 96
سلام عملکرد موتور فن و رله ها رو بررسی کنید.
سلام پژوپارس سال مدل ۹۷ در زمان گرمای هوا (حدود ۴۳ درجه) بعد حدود ۴۵ کیلومتر رانندگی آمپر از نصف هم رد شد (نزدیک سه چهارم) ولی با خاموش کردن کولر و کم کردن سرعت به ۱۰۰ مجدد به نصف برگشت ایراد جدی داره یا طبیعیه؟؟؟
سلام در این دما اگه بالاتر از این مقدار نره خیلی غیر عادی نیست ولی برای اطمینان، مقدار مایع خنک کننده رو تنظیم کنید، عملکرد ترموستات رو بررسی کنید، شبکه های رادیاتور رو تمیز کنید، درب رادیاتور رو بررسی کنید که سالم باشه و عملکرد فن ها هم بررسی کنید. مثلا اگه پین اتصال پروانه به محور موتور فن بشکنه، موتور بیش از حد مجاز گرم میشه، بنابراین وقتی فن ها روشن هست ببینید پروانه خوب میچرخه یا خیر.
سلام رله های فن 405 باید 80 آمپر باشند یا100آمپر
سلام 80 آمپر جواب میده ولی اگه 100 آمپر استفاده کنید طبیعتا طول عمر بیشتری خواهد داشت.
سلام خسته نباشید پارس تیوفایو مدل۹۷ دارم موقعی که کولر رو روشن میکنم دور تند روشن میشه ولی وقتی که خاموش میکنم دور تند روشن میمونه و قطع نمیکنه البته توی حرکت قطع میکنه ولی اگه در جا وایستم کلید رو بزنم دور تند دیگه قطع نمیکنه
سلام عملکرد کلید سه وضعیتی گاز کولر رو بررسی کنید.
سلام پژو 4۰۵ دارم وقتی آمپر نزدیک به خط وسط میشه با روشن شدن دور تند فن تمام چراغ های پشت آمپر روشن میشه و با سرد شدن ماشین قطع میشه علتش چیه ؟
سلام وضعیت شارژ باتری رو بررسی کنید و اتصالات باتری هم تمیز، محکم و در صورت لزوم تقویت کنید.
سلام خسته نباشید ef7 دوگانه دارم بعضی مواقع خطا میزنه سرعت کم فن .علتش چی میتونه باشه با سپاس
سلام از وضعیت شارژ باتری اطمینان حاصل کنید، اتصالات باتری رو تمیز، محکم و تقویت کنید و عملکرد رله های فن رو بررسی کنید.
سلام وقتتون بخیر
پژو ۴۰۵ دارم
میخواستم بپرسم دور تند چه مواقعی باید روشن بشه؟ و در چه درجه ای باید روشن بشه؟
ممنون از پاسخ گویی تون.
سلام اگه دمای مایع خنک کننده از 105 درجه سانتیگراد تجاوز کنه یا فشار گاز کولر از 19 بار بیشتر بشه باید فن دور تند روشن بشه.
سلام خسته نباشید ۴۰۵ مدل ۹۵ کولر میگیرم سرماش خوبه چند دقیقه میگذره دم میکنه از زیر جعبه فیوز صدای تق تق میاد از رله مثل راهنما چندتا میزنه باز درست ميشه امسال اينجوری شده
سلام از وضعیت شارژ باتری اطمینان حاصل کنید، اتصالات باتری و بخصوص اتصال بدنه ها رو تمیز و محکم کنید اگه درست نشد، احتمالا رله کولر دچار مشکل شده. تعویض کنید و نتیجه رو بررسی کنید.
سلام وقتتون بخیر پژو مدل ۹۳ دارم وقتی کولر می گیریم در ابتدا همه چیز خوبه و فن دور تند هم عمل میکنه و دما رو میاره پایین اما بعد از یه مدت فقط فن دور کند کار میکنه و فن دور تند دیگه عمل نمیکه و همچنین باعث میشه ماشین وقتی کلاج میگیری برای تعویض دنده گاز هرز بخوره،ممنون میشم راهنمایی کنید
سلام وضعیت میزان گاز کولر و کلید سه وضعیتی گاز کولر رو بررسی کنید.
من میدونم مشکلش از چی
خب بگو
سلام و وقت بخیر
سمند ال ایکس دارم, دور تند هر دو فن عالی کار میکنه, ولی دور کند فن سمت راننده خر خر صدا میده و خیلی آروم میچرخه, ولی دور کند فن سمت شاگرد بدون مشکل کار میکنه، به همین دلیل تا میرم تو سر بالایی دما میره بالا, حتی کولرم که میگیرم بازم چون اتومات، دور بین کند و تند عوض میشه توان خنک کردن نداره، اگر امکان داره راهنمایی بفرمایید مشکل از کجاست
سلام احتمالا پین اتصال پروانه به محور موتور فن شکسته و پروانه خوب دوران نمیکنه ضمن اینکه به سینی فن هم درگیر میشه و صدا تولید میکنه. موتور فن رو باز کنید و در صورت شکستگی پین، پین رو تعویض کنید.
سلام ببخشید کولروبخاری ماشین کارنمیکند سمندسورن ef7
سلام فیوز موتور فن بخاری و کولر رو بررسی کنید که سلام باشه
سلام وقتتون بخیر.پارس تی یو فایو با ای سی یو کروز دارم .کاور محافظ روی ای سی یو رو تعویض کردم الان کولر که روشن میشه فقط یکی از فن های رادیاتور کار میکنه .اون فن هم موتورش جام نکرده چون با دست میچرخه.مشکل از چی میتونه باشه و اینکه محل رله های فن رادیات پایین پای رانندست؟ ممنونم
سلام عملکرد رلههای فن رو بررسی کنید. رله ها دقیقا پشت جلو پنجره ای که آرم پژو داره و روی سینی فن رادیاتور نصب شده اند.
سلام سمند xu7 se مدل ۹۶
در حالت کولر هر دوفن کار میکنن و مشکلی نیست ، ولی در حالت بدون کولر آمپر آب که از ربع رد میشه فن سمت راننده کار نمیکنه و فقط سمت شاگرد کار میکنه تا زمانی که آمپر آب به نزدیک وسط برسه چراغ استپ روشن میشه و دستور میده هر دو فن با دور تند کار میکنن و آمپر رو روی ربع بر میگردونن و دور تند خاموش میشه استپ هم خاموش میشه ولی مجدد دور کند سمت راننده بازهم کار نمیکنه و همین سیکل بازهم تکرار میشه ، رفتم توی یدکی ها گشتم و ۳ عدد رله UFO پیدا کردم به سختی دونه ای ۱۱۰ هزار ، تعویض کردم ، فعلا که مشکل برطرف شده تا یه مدت ببینم چطور میشه ، ممنون که وقت میزارید و جواب میدید ، که آیا از رله بوده و مارک UFO خوبه ؟ با تشکر
سلام بله ایراد از رله، سیم کشی یا گیر گهگاهی موتور فن میتونه باشه این رله ها هم اگه تقلبی نباشه خوبه.
سلام ماشین اکسنت دارم ک داغ کرده بعد از داغ کردن کمپرسور و فن هایش از کار افتاده اند ن کولر کار میکند نه فن هایش لطفا راهنمایی بفرمایید
سلام فشار گاز کولر رو بررسی کنید اگه فشار گاز کولر کم باشه، کمپرسور کار نمیکنه و اگه کمپرسور عمل نکنه فن کندانسور هم فعال نمیشه.
سلام ماشینم 405 هَست مهندس جان، فن ها موقع کولر اصلا کار نمیکنن فشار گاز و ای سی یورو هم بررسی کردیم ایراد نداشتن، میشه راهنمایی کنید مشکل از کجا میتونه باشه
سلام عملکرد سوئیچ سه مرحله ای گاز کولر رو بررسی کنید.
سلام و عرض احترام
سمند ef7 دارم. دو ساله گرفتمش کاملا ساللم هست. دمای آب برای اولین بار از نصف رد شد اومدم جلو رادیاتور و دیدم فقط فن سمت شاگرد داره کار می کنه. علت چی می تونه باشه؟ موتور فن سوخته؟
سلام یه عیب بسیار شایع در خودروهای پژو، سمند و دنا شکستن پین اتصال محور موتور فن به پروانه هست به نحوی که موتور فن کار میکنه ولی پروانه نمی چرخه. لذا وضعیت موتور فن رو بررسی کنید.
درود بر استاد
آقا هر سه تا رله از لحاظ مشخصات فنی یکی هستن؟
سلام بله یکسان هستند.
این نکته استاد رو در نظر بگیرین. اگه مشکلی نداشت دو تا حالت بیشتر نداره. اگه دور کند فن ها کار میکنه و هر دو تا میچرخه قطعا رله سمت چپ عملکرد نداره که یا از خودشه یا از سوکت پشتشه که پلاتین شل کرده. ولی اگه دور کند نداری ینی ایراد از موتور فن راسته. یا سوکت در اومده یا موتور فن سوخته که طبق قانون سری حتی نمیتونه برق موتور فن چپ رو تامین کنه. سوالی داشتین تلفن 09903331210 پاسخگو هستم. تاپیک نمیام
سلام وقت بخیر مهندس خودروی من پژو206مدل 89دوگانه بعداز روشن شدن فن دور تند ماشین برق کم میاره و بد کار میکنه یا خاموش میشه ممنون میشم علتش رو بگید
سلام وضعیت شارژ باتری و عملکرد دینام رو بررسی کنید. معمولا عمر مفید باتری دو سال هست اگه باتری ضعیف بشه این نوع عیب ها در خودرو ایجاد میشه.
موقع کولر میزنم و بعد خاموش میکنم خطا میوفته تو دیاگ و فن ها کلا از کار میوفته و دمای موتور بالا میره از چی میتونه باشه
سلام وضعیت شارژ باتری رو بررسی کنید، اتصالات باتری و بخصوص اتصال بدنه ها رو تمیز، محکم و در صورت نیاز تقویت کنید. باتری رو چند دقیقه قطع کنید و مجددا وصل کنید، اگه درست نشد عملکرد مکانیکی(فشار گاز کولر و دمای اواپراتور) و برقی سیستم کولر بررسی بشه.
سلام ماشین اکسنت دارم ک داغ کرده بعد از داغ کردن کمپرسور و فن هایش از کار افتاده اند ن کولر کار میکند نه فن هایش لطفا راهنمایی بفرمایید
سلام سمندse دارم رله موازی کننده ش تند ب تند میسوزه .قم زندگی میکنم کولر هم زیاد میگیرم .مشکل از کجاست؟
سلام مقدار جریان مصرفی فن رو بررسی کنید که بیش از حد مجاز نباشه. اگه درست بود از رله با کیفیت استفاده کنید معمولا مشکلی پیدا نمیکنه.
ینی چی میسوزه؟ کلا قطع میشه یا پلاتین میچسبونه؟ اگه پلاتین میچسبونه ینی موتور فن راست با دور تند کار میکنه که باید جریان کشی موتور فن راست یا همون راننده رو چک کنی که اتصال کوتاه نشده باشه ینی به بدنه وصل نشده باشه.
سلام خسته نباشید به تمام دوستان و ممنون از شما با راهنمایی های کاملتون
من یک سمند مدل ۸۶ دارم
مشکلم اینه که تو شهر هرچی گاز میدم امپرم نورمال ولی تو بزرگ راه امپرم میادش بالا و به وسط میرسه
هنگام کولر گرفتن هم فن سمت شاگرد کلا از کار میوفته تا کولر خاموش کنم در حالت عادی هم دور تند و دور کند کار میکنند
سلام از شارژ باتری اطمینان حاصل کنید. اتصالات باتری و بخصوص اتصال بدنه ها رو تمیز، محکم و در صورت نیاز تقویت کنید. عملکرد رله های فن رو بررسی کنید.
با سلام و خسته نباشی،ماشینم پژو۴۰۵هست فن رادیاتورش رو دور کند اصلا کار نمیکنه و فن رو دور تند کار میکنه،دلیل از چیه لطفاً راهنمایی کنید
سلام احتمالا فقط یکی از فن ها کار میکنه البته با دور تند. اگه این شرایط باشه نشون دهنده این هست که یا رله سری موازی دچار مشکل شده یا اون یکی فن که کار نمیکنه یا سوخته یا اتصالاتش قطع شده
رله دور کند سمت راننده رو تعویض کن
سلام پارس ۹۳ دارم کولر که میگیرم داخل کابین خنک میشه بعد از مدتی هوای خنک از دریچه گرم میشه با فشار پدال گاز دوباره خنک میشه علت چیست لازم بگم فشار گاز کولر استاندارد هست فن ها کار میکنند لطفا راهنمایی کنید
سلام عملکرد تسمه دینام، کمپرسور کولر و شیر انبساطی گاز کولر رو بررسی کنید. ضمن اینکه از کیفیت گاز کولر نیز اطمینان حاصل کنید. مثلا اگه ناخالصی یا رطوبت در گاز باشه ممکنه مجرای شیرانبساطی مسدود بشه و هوای کولر گرم بشه.
بازم باید بررسی کنی ولی نظر بنده به احتمال زیاد رو به کلاچ کمپرسور میره. وقتی گاز میدی صدای سوت کش از موتور میاد یا نه؟ اگه میاد و هی قطع و وصل میشه یا صدای تق تق از کلاچ کمپرسور میاد احتمال خرابیش هست. یه بازدید بکن.
سلام و وقت بخیر. بنده پراید 111 یورو 4 مدل 93 دارم. وقتی کولر روشن میکنم هم فن رادیات آب هم فن رادیات کولر روشن میشه. حتی اگه موتور خنک باشه. و وقتی کولر اتومات درگیری کمپرسور را قطع میکنه فن کولر خاموش میشه ولی باز فن آب روشنه. یعنی به زبان ساده تر مادامی که کولر روشنه فن آب روشنه. این طبیعیه؟ چون دو دفعه فن سوخته. البته مکانیک میگفت جنس فن خوب نبوده.
سلام طبیعی نیست، فن خنک کننده موتور با افزایش دمای موتور باید روشن بشه. بعضی اوقات به صورت دستی و غیرفابریک عملکرد فن رو به کلاچ کمپرسور کولر مرتبط می کنند و مادامیکه کولر روشن هست فن کار میکنه
سلام
ماشی 405معمولی مدل 88هستش موقع زدن کولر فن دور کند راه می افتد اما موقع بالارفتن آمپر فن دور تند کار نمیکند مشکل از کجاست
لطفا راهنمایی کنید ممنون
سلام عملکرد رله دور تند رو بررسی کنید.
سلام خسته نباشید ماشین سمند دارم تا سهچهارکیلومتر تو شهر میروم امپر آب تا وسط بالا میره بعد فنها روشن میشن ولی امپر پایین نمیاد فشنگیها واترپمپ ترموسات همه سالم هستن رادیاتور و سرسیلندر هم تعویض کردم وقتی ماشین رو هم خاموش میکنم فنها روشن میمونن لطفا راهنمایی کنید
سلام اتصالات باتری رو تمیز، محکم و در صورت نیاز تقویت کنید و از شارژ و عملکرد باتری اطمینان حاصل کنید. معمولا عمر مفید باتری 2 سال هست. اگه باتری وضعیت شارژ مناسبی نداشته باشه، فن ها با توان مفید کار نمی کنند و رادیاتور خنک نمیشه.
سلام چند روزه چراغ چک ماشینم (سمند ef7) روشن میشه و خطای فن رادیاتور دور پایین میده و رله عوض کردم و خطا پاک شد و دوباره بعد 30 دقیقه مجددا چراغ چک روشن شده نمیدونم چکار کنم
سلام از وضعیت شارژ و عملکرد باتری اطمینان حاصل کنید، اتصالات باتری و به ویژه اتصال بدنه ها رو تمیز، محکم و در صورت نیاز تقویت کنید. عملکرد رله ها، کانکتورها سیم کشی رو بررسی کنید.
با سلام
دوبار در حالی که درجه پشت امپر رو خط اول هست و موتور و رادیاتور هم خنک چراغ اب روشن و فنها با دور تند شروع بکار میکنند و بعد از خاموش کردن و در اوردن سویئج فنها همچنان با دو تند کار میکنند و با در اوردن رله دوبل همه چی عادی و ماشین طبق روال کار میکند.
لطفا جهت این مشکل راهنمایی بفرمایید.
سلام، وضعیت شارژ باتری رو بررسی کنید، اتصالات باتری رو تمیز، محکم و در صورت نیاز تقویت کنید، باتری رو چند دقیقه جدا کنید و مجددا متصل کنید و نتیجه رو بررسی کنید، اگه مشکل حل نشد عملکرد سنسور دمای مایع خنک کننده رو بررسی کنید.
سلام.مشکل از سوکت فشنگی فن هستش یدونه سوکت نو تهیه کنید سوکت رو تعویض کنید.حتما حتما سیم کشی این سوکت رو کامل بیرون بیارید و چک کنید ک به همدیگه یا به بدنه اتصال نکرده باشه.چون دراین قسمت ک سیم کشی فشنگی فن عبور کرده حرارت خیلی بالایی وجود داره و روکش سیم ها از بین میره و اتصال میکنه.گاهی هم پین های سوکت گشاد میشه و به سنسور متصل نمیشه ک با تعویض سوکت درست میشه
عرض سلام،
پارس 93 دارم
دور کند کار نمیکنه، چراغ رله روشن میشه ولی عملی صورت نمیگیره!؟
با بالا رفتن آمپر تا خط 3 دور تند فعال میشه (یا با روشن کردن کولر)
آیا ایراد از رله هست؟
یدکی در دسترس نیست، چطور میتونم تست کنم!؟
تشکر
سلام احتمالا یکی از فن ها یا سوخته و یا از مدار خارج شده و فقط یکی کار میکنه و کار کردن یک فن هم فقط دور تند داره.
سلام. امروز یهو چراغ استپ و آمپر روشن شد. بعد خاموش میشد. فقط جفت فن دور تند کار میکرد و فن دور کند هیچ فعالیتی نمیکرد.
این مشکل تو جدول نبود. رفتم یه رله خریدم. اول برای کند جابجا کردم درست نشد. با موازی عوض کردم درست شد.
پایه های رله موازی سولفاته شده بود با کمی نظافت و سمباده دوباره جا زدم. درست شد.
باسلام
تک سیم نازک رله دورکندازکجامیاد؟؟
سلام برق مثبت دائم داره و منفی اون با کنترل یونیت یا ایسیو موتور تامین میشه.
درود
رانا پلاس دارم
پشت آمپر چراغ استپ روشن میشه.فن 5 ثانیه دور تند میزنه قطع میشه.3بار تکرار میکنه.دما یدرجه پایین میاد چراغ استپ خاموش میشه.
مشکل از چی هست
ممنونم
سلام مقدار مایع خنک کننده رو تنظیم کنید، سیستم رو هواگیری کنید. از عملکرد ترموستات، درب رادیاتور و واترپمپ اطمینان حاصل کنید. باتری رو چند دقیقه جدا کنید و مجددا وصل کنید. اتصالات باتری و بخصوص اتصال بدنه رو تمیز، محکم و در صورت نیاز تقویت کنید و نتیجه رو بررسی کنید اگه مشکل حل نشد باید با دیاگ سیستم برقی سیستم خنک کاری چک بشه.
سلام و وقت بخیر
مدل ماشین من 405، 87هست، عملکرد فن های تند و کند در حال عادی درست هستش ولی موقع کولر گرفتن نه دور کند و نه تند عمل نمیکنه وقتی دما کمی بالا رفت دور کند عمل میکنه ولی دمای موتور رو نمیتونه پایین نگه داره،ممنون میشم راهنمایی کنید استاد عزیز
سلام ممکنه گاز کولر کم باشه بنابراین مقدار گاز کولر یا فشار گاز کولر رو بررسی کنید که بیش از 3 بار باشه.
سلام وقت بخیر
بین پلاستیکی و فلزی رادیاتور یه مقدار آب میده راهی هست که بشه درستش کنم؟
سلام از چسب دوقلو استفاده کنید شاید مشکل رو حل کنه.
سلام وقت بخیر
میخواستم کمک کنید بتونم یهکاری کنم وقتی کولر روشن میشه حتما فن روی دور تند فعال بشه
خیلی وقت پیش روی ماشین قبلیم یه نفری سوکت یونیت فن رو باز کرد و با برقرار کردن یه اتصال بین دوتا پایه این کار رو برام کرد
خیلی خوب بود هم کولر بهتر خنک میکرد هم آمپر اب بالا نمیرفت
ممنون میشم اگه میدونید بهم بگید چیکار باید بکنم
سلام این موضوع اصلا توصیه نمیشه چون هم طول عمر فن رو کم می کنه و هم به شدت در کاهش طول عمر باتری تاثیر داره از طرفی اگر هم به صورت نامتعارف بخواهید این کار رو انجام بدید نیاز به تخصص داره که سیم کشی رو دچار مشکل نکنید.
سلام وقت بخیر
من یه ۲۰۶ تیپ ۶ دارم
فن ماشین من جدیدا توی دور کند مقداری صدا میداد که ناشی از خود موتور فن بود
دیروز کولر رو شارژ کردم و وقتی که روشن کردم دیدم روی دور تند هم پروانه با بدنه فن برخورد میکنه
و بعد از چند ثانیه مشکل رفع میشه
رانندگی کردم تا خونه و وقتی رسیدم و خاموش کردم صدای آب شنیدم با بررسی بیشتر دیدم شلنگ بخاری سوراخ شده ولی فن هم کار نمیکرد، نه تند نه کند نه با کولر.
مشکل شلنگ رو رفع کردم، کامل هواگیری کردم و روشن کردم. در هیچ حالتی فن روشن نمیشه هیچ نیرویی هم پشتش نیست با دست که می چرخونم مقداری صدا و لرزش داره ولی گیر نیست به نظر شما فن سوخته ؟
سلام برق مستقیم به فن بدید و ببینید کار میکنه یا خیر. بعض اوقات پروانه از محور فن جدا میشه و محور فن میچرخه ولی پروانه نمیچرخه بنابراین اتصال بین پروانه و محور فن هم بررسی کنید که محکم و مطمئن باشه.
با سلام..منظور از فشنگی دمای آب در ۴۰۵ کدومه؟؟
سبرنگه ؟یا طوسی رنگه؟؟وظیفه هرکدوم اینها چیه؟؟
سلام معمولا دارای رنگهای مختلفی هست اونی که تک فیش هست و بعضا هم آبی رنگ هست مربوط به پشت آمپر هست، قهوه ای دو فیش مربوط به یونیت فن هست که فن ها رو فعال میکنه و سبز دو فیش مربوط به عملکرد موتور هست. البته با توجه مدل بعضا رنگ ها عوض شده که باید توجه داشت یا تست کرد مثلا اون دو فیشی که اگه کانکتور رو جدا کنیم فن میره روی دور تند مربوط به فن هست.
آمپر داره ولی میگن این آمپر توی ۳۱۵ آمپر موتوره نه آب
با سلام سمندxu7 دارم دور کند خوب کار میکنه ولی دور تند اصلا کار نمیکنه چه با کولر چه بی کولر ممنون میشم اگه جواب بدین 🙏
سلام عملکرد رله سری موازی و رله دور تند رو بررسی کنید.
اگه مشکلت با حرف مهندس حل نشد، سوئیچر باز کن باید سیم زرد پشت رله وسط و چپ برق ۱۲ داشته باشی. اگه نداشتی ینی فیوز تغذیه برق مثبت رله ها سوخته یه بازدید کن. میشه فیوز شماره ۳ داخل اتاق که فک کنم ۱۵ امپره. اگه خوب نشد منفی ارسالی از ecu رو بررسی کن شایو سیمش قطع شده.
سلام جناب نصیری وقتتون خوش
Mvm315 دارم فن دور کند درست کار میکنه ولی هر وقت کولر میزنم یا درحالت بدون کولرم دور تند کار نمیکنه دوبار رله گرفتم اصلا درست نشد انگار اصلا دور تند دستور نمیگیره که کار کنه
سلام میتونید با دیاگ تست عملگر بزنید و از عملکردش اطلاع کسب کنید یا اینکه به طور دستی رله رو فعال کنید و یا اینکه برق مستقیم به فن بدید و نتیجه رو بررسی کنید.
رله رو باز کردم بصورت دستی که فشارش میدم دور تند کار میکنه ولی بصورت عادی روی کولر کار نمیکنه
سلام دور تند باید در حالتی که فشار گاز از 19 بار عبور کنه یا دمای موتور از 105 درجه سانتیگراد عبور کنه فعال بشه. این شرایط ایجاد شده و کار نکرده؟
متاسفانه مدل ۳۱۵ آمپر آب نداره ولی کولر خیلی خوب خنک میکنه
باسلام،ماشین من سمند تو سربالایی آمپر می ره بالا ،ماشین تازه تعمیره لطفاً راهنمایی کنید که عیب از کجاست
سلام برای ماشین تازه تعمیر خیلی درو از انتظار نیست ممکنه اصطکاک رینگ ها زیاد باشه و باعث داغ کردن موتور بشه که به مرور کار کنه احتمالا بهتر میشه. بهتره مدتی با موتور ملاحظه کنید خیلی در سربالایی ها و تحت بار، به موتور فشار وارد نکنید تا قطعات بر هم منطبق بشن و موتور روان تر کار کنه ولی اگه بعد از حدود 1000 کیلومتر از تعمیرات هنوز این مشکل وجود داشت باید سیستم خنک کاری رو بررسی کنید.
سلام من سمند ef7 دارم میخواستم بدونم علت سوختن فیوز فن رادیاتورم چیه.
چند روز کار میکنه بعد میسوزه
منم باید باز فیوز شماره ۳۰ بندازم ک فن رادیاتور ب کار بیافته
فن ها سالمه شما میدونید علتش از چی میتونه باشه
سلام یا جنس فیوز خوب نیست یا اینکه مقدار جریانی که از فیوز عبور میکنه زیاد هست. مثلا اگه بلبرینگ موتور فن سفت بشه یا گیر کنه جریان زیادی میکشه یا اگه پره های پروانه به سینی فن مماس بشه باز هم جریان زیادی میکشه از طرفی در بعضی اوقات احتمال وجود برق دزدی هم وجود داره یعنی ممکنه سیم هایی که حامل برق مثبت هستند در فرایند تعمیرات بین قطعات قرار گرفته و روکش لاستیکی آنها ضعیف شده و به بدنه مثصل شده اند. لذا سیم کشی فن رادیاتور هم بررسی کنید که برق دزدی نداشته باشه.
سلام وقتتون بخیر
خودروی بنده سمند ef7 با ای سی یو بوش ،بعد شارژ گاز کولر ،هنگامی که کولر فعال میباشد فن ها روی دور تند نمیرود ،لازم به ذکره که مقدار گاز ۵۵۰ گرم شارژ شد و سوئیچ سه کاره هم با نمونه شرکتی تعویض شد ،
عملکرد فن ها تست شد و مشکلی ندارد هم دور تند هم دور کند ،اما هنگام کولر گیری دور تند فعال نمیشد ، دلیل چیست ؟؟
با تشکر
سلام اگه شرایط فعال شدن دور تند ایجاد نشه فن در درو تند قرار نمیگیره. برای فعال شدن دور تند یا باید فشار گاز کولر از حدود 19 بار زیادتر بشه یا دمای مایع خنک کننده موتور از حدود 105 درجه بیشتر بشه.
سلام بسیار عالی و کامل.
دمتون گرم
۰۹۳۸۸۶۶۸۹۳۶
سلام و سپاس از همراهی شما
احتمال داده از رله موازی یا دور تند باشه.اگه اینا سالم بود برنامه کامپیوتر رو از نو بریز
سلام من یک ۴۰۵ مدل ۸۹ دارم تازگی ها هنگامی کولر میگیریم بعضی وقتا فن دور تند عمل نمیکنه ولی بعضی وقتا هم درست عمل میکنه هر ۳تا رله ها رو هم عوض کردم علت چی میتونه باشه امکان داره با برداشتن بست باطری خطا بیوفته تو عملکرد رله ها وفن
سلام فشار گاز کولر و عملکرد سوئیچ سه مرحله ای رو بررسی کنید. قبلش وضعیت شارژ باتری رو بررسی کنید و اتصالات هم محکم کنید و هرگز هنگام روشن بودن موتور بست باتری رو جدا نکنید چون احتمال سوختن ایسیو وجود داره
سلام وقت بخیر
جسارتا ماشینم زانتیا هست فن دور تند روی ۹۸ درجه و کند نزدیک ۹۰ کار میکنه و رله ها سالم هستن ولی زمانی که کولر میزنم دور تند شروع به کار کردن نمیکنه و زمانی ک دمای اب نزدیک ۹۸ میشه شروع ب کار میکنه
ممنون میشم راهنماییم کنید
سلام با روشن کردن کولر ابتدا دور کند فعال میشه و اگه دما رفت بالا دور تند فعال میشه که این موضوع در مورد خودروی شما صدق میکنه و بنابراین مشکلی نداره.
سلام
پژوه مدل ۹۶ دارم . مدتی است که بعد از پیمایش حدود ۶۰ کیلومتر امپر از وسط بالاتر میره ، کولر هم روشن می کنم امپر پایین نمی آید ، می ایستم با آب فراوان رادیاتور و خنک می کنم ، بعداز اون خوب میشه ، ممنون میشم راهنمایی بفرمایید
دلیلش چیه ؟
سلام سیستم خنک کاری رو هواگیری کنید، هیچ وقت آب معمولی داخل رادیاتور نریزید چون باعث ترک خوردن سرسیلندر میشه حتما از ترکیب آب رادیاتور و ضدیخ استفاده کنید. عملکرد ترموستات و واترپمپ رو بررسی کنید.عملکرد فن رو بررسی کنید زیاد دیده میشه که پروانه از محور فن جدا میشه و پروانه فن به طور مناسب دوران نمیکنه و بنابراین موتور خوب خنک نمیشه. اگه فن ها سالم بودند رله ها و فشنگی رو بررسی کنید ضمن اینکه شبکه رادیاتور رو بررسی کنید که تمیز باشه و هوا به راحتی از بین شبکه ها عبور کنه.
سلام
ضمن عرض تبریک ولادت آقا امام رضا علیه سلام.
فن دور تند پژو۲۰۶مدل ۸۲ ،فعال نمیشد مکانیک عملکردش رو دستی کرد به طوری که وقتی کولر روشن بشه فن دور تند یکسره روشن میشه تا کولر خاموش کنم دور تند فن هم خاموش میشه…میخواستم بدونم آیا این موضوع اشکالی به وجود میاره؟
فعال بودن دور تند فن به مدت طولانی باعث نمیشه موتور فن بسوزه؟
با تشکر و سپاس فراوان از پاسخگویی شما
سلام چون با فعال شدن فن، موتور فن هم در معرض هوای عبوری قرار میگیره و خنک میشه معمولا دچار مشکل نمیشه ولی توصیه میشه مشکل رو اساسی حل کنید تا نیاز نباشه فن همیشه در وضعت دور تند باشه. روشن بودن دائمی فن با دور تند بیشتر میتونه منجر به خرابی زودهنگام باتری و دینام بشه.
با سلام خدمت شما استاد گرانقدر من پژو پارس ۸۶دارم چند قتی هست که متوجه شدم فن دور کند درست کار میکنه ولی وقتی کولر میگیرم فن دور تند فقط سمت راننده کار میکنه و سمت شاگرد تو حالت تند خاموشه ممنون میشم راهنمایی بفرمایید
سلام عملکرد رله ها و به ویژه رله سری موازی رو بررسی کنید.
سلام خسته نباشید
من یه ۴۰۵ مدل ۹۴دارم فن و امپر ماشینم طبیعی کار میکنه فقط فن دور کند ماشینم دیر ویا بعضی موقعها اصلا خاموش نمیکنه
سلام عملکرد فشنگی آب و رله ها رو بررسی کنید.
سلام وقت بخیر
ماشینم زانتیاس یه تصادف شدید داشتم بعد از آن رله ها ش دفعه سوم داره می سوزه یکی از موتور فن ها هم عوض شده
علت سوختن رله ها چی می تونه باشه ، بعضی مکانیک ها می گن باید رله اصلی بندازی خودم فکر می کنم مشکلش چیزه دیگه ای
ممنون میشم راههنمایی کنید
سلام اگه جریانی بیش از حد مجاز از رله عبور کنه رله میسوزه مثلا ممکنه که پره های فن به قاب فن گیر کنه و نتونه به راحتی بچرخه یا آب توی فن بره و بلبرینگش سفت بشه و غیره . همه اینا باعث میشه که رله بسوزه و از همه مهمتر ممکنه دسته سیم برق دزدی داشته باشه یعنی جایی به بدنه وصل شده باشه و جریان زیادی از رله عبور کنه و رله رو بسوزونه. البته رله با کیفیت هم قطعا تاثیر مفیدی در طول عمر داره و اگه رله کیفیت لازم رو نداشته باشه ممکنه به جریان معمول هم بسوزه.
پژو پارس ۱۸۰۰. فن دور کند گاهی کار نمیکند و درجه از وسط رد میشود و چراغ آب چند ثانیه روشن میشود وفن دور تند میزند تا آب خنک شود. و مجددا این سیکل تکرار میشود ولی گاهی هم فن دور کند کار می کند و مشکلی ندارد.
لطفا راهنمایی بفرمایید
سلام از وضعیت شارژ باتری اطمینان حاصل کنید، اتصالات باتری و بخصوص اتصال بدنه ها رو تمیز، محکم و تقویت کنید و عملکرد رله ها رو بررسی کنید. اگه دور کند ندارید بررسی کنید که در دور تند هر دو فن روشن میشن؟ اگه یکی روشن شد یعنی اون یکی احتمالا سوخته یا مشکل داره ولی اگه هر دو در دور تند روشن شد احتمالا رله ها و اتصالات مشکل داره.
درود بر شما. در خودروی ال نود هنگام استفاده از کولر فن خنک کننده رادیاتور کار می کند اما در حال عادی هنگان گرم شدن موتور فن به کار نمی افتد.چه دلیلی می تواند داشته باشد. سپاسگزارم
سلام عملکرد سنسور یا فشنگی مایع خنک کننده رو بررسی کنید.
سلام وقت بخیر
ممنون از سایت خوبتون
سوالی داشتم
سمند ef7 مدل ۹۰ دارم
امروز چراغ چک روشن شد و امپر تا وسط اومد
وقتی عملکرد فن ها رو چک کردم
توی دور کند فن سمت راننده کار نمیکنه ولی توی دور تند هر دو فن کار میکنه و دما میاد پایین
مشکل از چیه؟ رله دور کند؟
سلام در دور کند هر دو فن با هم سری هستند و نمیشه یکی کار کنه و دیگری کار نکنه مگر اینکه یکی در دور تند کار کنه و دیگری خاموش باشه که در اینصورت احتمالا پلاتین یک از رله ها چسبیده و ازاد نمیشه لذا عملکرد رله ها رو بررسی کنید.
سلام پژو ۴۰۵ مدل ۸۶ موقع روشن بودن کولر فقط فن دور تند سمت شاگرد کار میکنه علت چیه.در ضمن دور کند سالم هست.ممنون
سلام عملکرد رله های فن رو بررسی کنید احتمالا رله دور تند سوخته یا عملکرد نداره.
سلام.وقت بخیر.خسته نباشید. ال۹۰ مدل ۹۶ دارم.وقتی کولر میگیرم مرتب رله صورتی دور تند میسوزه.البته وقتی هوا گرم میشه.فشار گاز کولر میره بالا.گاز کولر هم کاملا خالی کردن و گاز با کیفیت و به اندازه شارژ کردن.اما فایده نداشت.موتور فن هم عوض کردم فایده نداشت.توی تابستون اصلا نمیتونم از کولر استفاده کنم.ممنون میشم راهنمایی بفرمایید
سلام جریان مصرفی موتور فن رو هنگامی که موتور گرم میشه و کولر روشن نیست در دور تند رو اندازه گیری کنید و با حالتی که کولر رو روشن میکنید و در دور تند فن کار میکنه مقایسه کنید. اگه جریان برق مصرفی فن در حالت دور تند و روشن بودن کولر زیاد شد یعنی ایرادی در مدار برقی مثل برق دزدی داره ایجاد میشه که باید دسته سیم رو بررسی کنید ولی اگه جریان مصرفی در هر دوحالت برابر هست نشون میده که سوختن رله به خاطر گرمای موتور، گرمای هوا و گرمای کندانسور کولر هست و بهتره یه رله با آمپر بالاتر استفاده کنید تا مشکل حل بشه.
سلام دورود خسته نباشید من پژو ۴۰۵ مدل ۸۶ دارم چند بار فشنگی ماشینو عوض کردم تا آخرین با که دو ماه میگذره الان دوباره آمپر ماشین از وسط یه خط بالا رفت بعد فن شروع کرد به کار کردن هر بار بردم دیاگ زدن گفتن مشکلی نیست ممنون میشم راهنمایی بفرمایید
سلام وضعیت باتری رو بررسی کنید که مشکل نداشه باشه، اتصالات باتری رو تمیز، محکم و در صورت نیاز تقویت کنید، اتصالات رله های فن رو محکم کنید و عملکرد سنسور دمای مایع خنک کننده رو بررسی کنید و در صورت نیاز به تعویض از سنسور دمای مایع خنک کننده فابریک استفاده کنید. اگه همه درست بود عملکرد آمپر آب رو بررسی کنید که اطلاعات رو درست نشون میده یا نه.
با سلام ۲۰۶ اس دی مدل ۹۸ عمل کرد فن دور کند وتند بدون مشکل هست اما بعضی مواقع که موتور ماشین به شدت گرم میشه و میخام کولر بگیرم دور تند فن عمل نمیکنه و کولر باد گرم میزنه .ممنون میشم پاسخ بدینن
سلام باید ابتدا دور کند فعال بشه و بعد دور تند فعال بشه. چند لحظه تاخیر در فعال شدن فن و کولر طبیعی هست ولی اگه اصلا کار نمیکنه، میزان گاز کولر رو بررسی کنید که جرم گاز در مجدوده مناسب باشه، عملکرد سنسور فشار گاز کولر رو بررسی کنید و عملکرد رله دور تند فن رو هم بررسی کنید.
سلام پژو 405 مدل 96 دارم بعضی مواقع دور تند روشن نمیشه و امپر میرسه تا وسط بعد دور تند روشن میشه همیشه هم اینجوری نیست اکثر مواقع مثل ساعت کار میکنه و دور کند هم سالمه مشکلی ندارع وفقط دور تند بعضی موقعه ها روشن نمیشه
درودبرشماپژو۴۰۵مدل۹۵دارمزمانی که کولرنمیگیرم آمپرپایینه هیچ مشکلی نیست وقتی که کولرمیگیرم آمپرمیابالابعدشه فن سمت راننده دورتندش کارمیکنه و قطع میشه وچراغ استپ روشن میشه هی قطع و وصل میشه درضمن دورکندهردوفن روشن میشه
سلام از وضعیت شارژ باتری اطمینان حاصل کنید، اتصالات باتری و به ویژه اتصال بدنه ها رو تمیز، محکم و در صورت نیاز تقویت کنید، شارژ گاز کولر رو بررسی کنید. عملکرد سه رله روی سینی رادیاتور رو بررسی کنید.
سلام دست شما درد نکند بسیار عالی بود هیچ کس تا الان اینقدر زیبا پیاده توضیح نداده بود متشکریم
از همراهی شما سپاسگزاریم
باعرض سلام وخسته نباشید،،روآ مدل ۸۹ دارم چندروزی هست که فن سمت شاگردکارنمیکنه ولی فن سمت راننده فقط دورتندکارمیکنه،ناگفته نمونه که وقتی رله پلاتینش فعال میشه با دست فن سمت شاگردومیچرخونم بعدشروع بکارمیکنه ،ولی تا وقتی دست نزنم کارنمیکنه وفقط سمت راننده دورتندکارمیکنه ،،سوکت فشنگی آب وهم خارج کردم بازفن سمت شاگردکارنکردولی اون یکی دورتندمیچرخه،،خواهشا راهنمایی کنید
سلام به همون فنی که کار نمیکنه برق مستقیم بدید و ببینید کار میکنه ممکنه زغالش کوتاه شده باشه و نیاز باشه که فن تعویض بشه. اگه فن با برق مستقیم کار کرد رله دور کند رو تعویض کنید.
درود برشما جناب نصيري گرامي زانتيا مدل ٨٨ دارم بعد از تعمير ماشين و تعويض واشر و باز شدن سرسيلند فنها از كار افتادن بعداز بررسي توسط سيمكش رله ها و فشنگي سالم بودند گفت با دياك مشكل حل ميشود ولي نشد. بعدش گفت از سيمكشي هست بازم نتونستن مشكل رو حل كنند. نظر شما چيست؟. البته دياك رو نميدونم درست انجام شد يا نه. چون نرم افزارشون بروز نبود.
سلام اتصال بدنه ها رو بررسی کنید ممکنه اتصال بدنه های موتور و جلوی خودرو درست و محکم بسته نشده باشه.
سلام به اساتید محترم
خواستم بدون چطور میتونم دور تند فن پژو رو زمانی که ac کولر رو میزنم وصل کنم که همزمان دور تند روشن بشه ماشین مدل ۸۲ هست و یونیت فن خاکستری رنگ داره ممنون میشم راهنمایی کنید
سلام اگه منظورتون انجام کاری غیرکارخانه ای یا غیر رسمی هست باید منفی هر سه رله فن رو با یه رله دیگه که توسط کلید AC کنترل میشه رو منفی کنید تا فن ها با دور تند روشن بشن
بله درسته غیر کارخانه
که با زدن کلید از اول فن دور تند کارکنه
از روی یونیت یا کلید سه کاره میشه اتصال گرفت
که نیاز به دست کاری سیم کشی نباشه؟ ممنون بابت پاسخ گویی شما استاد گرامی
سلام باید منفی سیم پیچ رله دور تند و رله سری موازی رو از یه رله که کلید کولر اون رو فعال میکنه منفی کنید تا با روشن شدن کولر دور تند فعال بشه البته به شرط اینکه دور کند فن ها با فعالیت کولر درست باشه یعنی رله دور کند فعال بشه.
سلام
خیلی ممنونم که راهنمایی میکنید
استاد این رله که فرمان روشن شدن کولر رو میده جاش کجاس که از منفی ش استفاده کنم
سلام مجدد باید یه رله جدید اضافه کنید که با کلید AC فعال بشه و منفی اون دو رله رو فعال کنه وگرنه رله قطع کن کلاچ کمپرسور که خودش قطع و وصل میشه و نمیشه از اون استفاده کرد.
بله چاره ایی ندارم باید غیر کارخانه انجام بدم چون زمانی که کولر روشن میکنم فن به هیچ وجه روی دور تند نمیره یونیت تعویض شده فن ها و رله ها تعویض شده گاز کولر تنظیم شده کلید سه کاره تعویض شده ولی باز بی نتیجه
سلام دوست عریز
بنده ی پژو پارس سال ۸۹ دارم میخواستم بدونم چرا ماشین تو سربالای بدون کولر گرفتن آمپر تا وسط میاد و همچین ب کفی یا سرپاینی میرسم آمپر میاد پایین .
و نکته بعدی اینکه چ زمانی باید دور تند فن باید روشن بشه
سلام طبیعی هست که زمانی که قدرت زیادی از موتور گرفته بشه، داغ میکنه و در سرپایینی هم چون وضعیت overrun ایجاد میشه و انژکتورها کمتر سوخت می پاشند بنابراین موتور سریع خنک میشه فن در دمای 97 با دور کند و در دمای 105 درجه سانتیگراد با دور تند فعال میشه. اگه توی سربالایی زیاد داغ میکنه، شبکه های رادیاتور رو تمیز کنید ، سیستم خنک کاری رو هواگیری کنید مایع خنک کننده رو تنظیم کنید و از سالم بودن واترپمپ و ترموستات اطمینان حاصل کنید.
سلام استاد
بنده۲۰۶تیپ دو دارم.
به محض اینکه کولر را روشن میکنم فن دور تند شروع به کار میکند و یکسره با دور تند کار میکند.فقط در حالت کولر این مشکل را دارم.طبیعی هستش یا خیر؟
مشکلی ایجاد میکند؟
سلام طبیعی نیست احتمالا فشار گاز کولر زیاد هست بنابراین حجم و فشار گاز کولر رو بررسی کنید.
سلام ، ۴۰۵ مدل ۸۷ دارم، اخیرا وقتی کولر می گیرم دمای موتور بالا می رود و فن دور تند کار نمی کند، علت چه می تواند باشد؟ ضمنا در حالت بدون کولر هم دمای ماشین از قبل بالاتر است.
سلام سنسور دمای مایع خنک کننده، رله ها و کنترل یونیت فن خنک کننده رو بررسی کنید.
سلام سمند دوگانه ۹۰ ef7 دارم فن در حالت عادی روشن نمیشه ولی موقع کولر گرفت و یا وقتی که سوکت فشنگی را قطع میکنم روشن میشه و چراغ چک هم روشن میشه دلیلش چی میتونه باشه
با تشکر
سلام احتمالا فشنگی یا سنسور مایع خنک کننده مشکل داره لذا عملکرد این سنسور رو بررسی کنید.
سلام ووقت بخیر بنده ماشین سمند ef7 دارم وقتی کولر روسن میکنن آمپرآب از خط وسط رد میشه طبیعیه
سلام کمی گرم شدن طبیعی هست بخصوص در سربالایی یه هوای گرم.
سلام مهندس مطالب سایت واقعا آموزنده و مدرسه ای هست. دروود بر شما که دانشتون رو به اشتراک میگذارید
سلام خسته نباشید بعضی اوقات در ترافیک آمپر آب از وسط عبور میکند و فن کار نمیکند ولی به محض اینکه کولر را روشن میکنم فن دور تند کار میده و آمپر آب به حالت عادی برمیگردد
مشکل رله فن هستش ؟ ترموستات ؟ فشنگی آب ؟
سلام سیستم خنک کاری رو هواگیری کنید، حجم مایع خنک کننده رو تنظیم کنید و عملکرد فشنگی آب رو بررسی کنید به نظر میرسه فشنگی مشکل داشته باشه
سلام حضور اساتیدمحترم
بنده سمند83دارم رله فن از طریق سیم به رادیاتور متصل شده وقتی خودرو خاموشه فن روش میشه خواهشمندست بفرمایید چکارکنیم تا وقتی خودرو خاموشه فن کار نکنه با تشکر
سلام دلیلی نداره که ماشین خاموش هست فن روشن باشه، معمولا اگه دمای موتور خیلی بالا باشه وقتی که موتور هم خاموش میشه فن روشن میشه ولی در حالت عادی نیازی به این موضوع نیست، توصیه میشه که اون مدار اضافه ای که باتری ساز اضافه کرده حذف بشه و از سیستم خنک کاری فابریک خودرو استفاده کنید.
سلام باطری ساز رله را به دادیاتور اتصال داده وقتی موتورماشین خاموشه فن روشن میشه لطفا بفرمایید چکار کنیم وقتی موتور خاموشه فن روشن نشه با تشکر
سلام دلیلی نداره که ماشین خاموش هست فن روشن باشه، معمولا اگه دمای موتور خیلی بالا باشه وقتی که موتور هم خاموش میشه فن روشن میشه ولی در حالت عادی نیازی به این موضوع نیست، توصیه میشه که اون مدار اضافه ای که باتری ساز اضافه کرده حذف بشه و از سیستم خنک کاری فابریک خودرو استفاده کنید.
سلام وقت بخیر
سمند مدل ۸۴ دارم موتور x7
در حالت عادی دمای آب بالا میره و فن روشن نمیشه اما وقتی کولر رو روشن میکنم هر ۲ فن کار میکنن و دما میاد پایین
مشکل از کجاست ؟
سلام عملکرد سنسور دمای مایع خنک کننده رو بررسی کنید.
سلام سمند مدل ۹۶ دارم xu7
فن سمت راننده دور کند کار نمیکنه آمپر تا نزدیک نصف میاد چراغ استپ روشن میشه بعد دورتند هردو فن کار میکنه تا آمپر روی ربع که اومد دور تند خاموش و دور کند فعال میشه استپ هم خاموش میشه ولی فقط فن شاگرد کار میکنه ، هر سه رله رو با رلهای مارک UFO تعویض کردم ، فعلا مشکل حل شده ، ضمنا وقتی که فن سمت راننده کار نمیکرد یه ضربه که روی سینی فن زدم یهو کار کرد 🤒😭
سلام موتور فن رو بررسی کنید که گیر نداشته باشه. بعضا بلبرینگ موتور فن خشک میشه و موتور گیر میکنه و نمیچرخه. البته اگه دور تند کار میکنه و فقط دور کند کار نمیکنه ایراد از رله هست ولی گیر گهگاهی بلبرینگ موتور فن هم بررسی کنید.
باسلام.خدمت جناب صیاد نصیری وکلیه عوامل سایت
وظیفه خودم دانستم که از زحمات شماودوستان گرامیتان از قبول مسئولیت ولطف , ودر اختیار قرار دادن اطلاعات فنی خود به دیگر هموطنانن، سپاسگزارم.من یک کاربر ساده ولی علاقمند به برق سایت شمارو مطاله کردم.خیلی جامع وکامل وبه زبان ساده و قابل فهم بود.ضمنا پاسخ دادن سوالات دوستان بادقت.موفق و پیروز باشید.محسن
سلام و سپاس از همراهی و ابراز محبت جنابعالی، پیروز و سربلند باشید.
سلام وقت بخیرخودروی بنده ۴۰۵ هست.
میخواستم دما از ۸۵ بالاترنره،آیا باید رله فنهاشو با ۸۰ عوض کنم؟
سلام یا باید ترموستات با دمای پایین تر استفاده کنید یا از فشنگی دمای آبی که دما با مقاومت کمتر استفاده کنید.
سلام
ماشین من پراید هست
چند وقتیه جوش میاره
چند بار مکانیکی و باتری ساز بردم
مشکلش اینه که دستور به فن میاد تا خنک کنه فن شروع به کار میکنه سریع و نهایت یک ثانیه بعد خاموش میشه
علتش رو هیشکی نمیدونه
میترسم موتور بسوزونه اگه ایرادش رو میدونید راهنمایی کنید
سلام عملکرد باتری رو بررسی کنید و مطمئن بشید که باتری سالم هست. اتصالات باتری رو تمیز، محکم در صورت نیاز تقویت کنید، رله موتور فن رو بازدید و در صورت امکان تعویض کنید و نتیجه رو بررسی کنید، موتور فن رو برق مستقیم بدید و اطمینان حاصل کنید که سالم هست اگه درست نشد سیم کشی و ایسیو رو مورد بررسی قرار بدید.
کاملترین سایتی که توضیح داده همین سایته.عوامل خسته نباشن.خداقوتتوت بده
از همراهی شما سپاسگزاریم
سلام و سپاس از همراهی شما.
سلام پژو مدل 85 دارم کولرش روشن نمیشه برد کلید AC (پنل) کامل عوض کردم سیم کشی داخل موتور (کاپوت) رو عوض کردم ایسیو رو هم عوض کردم اما فایده نداشت ، کلید AC کولر رو که میزنم لامپش روشن میشه اما سوکت سوییچ سه مرحله رو در آوردم با لامپ تست کردم برق نداشت فقط یکی از پایه ها برق داشت اما اون پایه ای که با کلید کولر ( AC ) باید برق دار بشه نمیشه اگه امکان داره راهنماییم کنید متشکرم
سلام اگه فشار گاز کولر کمتر از 3 بار باشه سوئیچ سه مرحله ای وصل نیست و اجازه درگیری کمپرسور کولر رو نمیده بنابراین مقدار گاز کولر رو ابتدا بررسی کنید.
سلام استاد عزیز وقت بخیر
پژو پارس مدل 1401 کلا 20 هزار کار کرد با ECU Saat وقتی کولر می گیرم اولش اوکیه همه چی بعد خاموش می کنم آمپر آب از وسط میگذره فیوز 30 آمپر داخل کالسکه می سوزه هر 3 رله تعویض شدن فیوز عوض می کنم تا دیاگ نخوره فن کار نمی کنه نه دوره کند نه تند، بعد از دیاگ هم کولر می گیرم دوباره فیوز میسوزه پدر مو در آورده لطفا راهنمایی کنید
سلام و سپاس از همراهی شما، این ماشین حتما گارانتی داره و بهتره خودتون یا تعمیرکار بهش دست نزنه و از طریق نمایندگی مجاز موضوع رو پیش ببرید تا هزینه ای برای شما در پی نداشته باشه. فعال شدن فن خنک کننده با گرم شدن موتور یا فعال شدن کولر خیلی تفاوت نداره و اگه بدون کولر گرفتن با روشن و خاموش شدن فن فیوز نمیسوزه ولی با کولر گرفتن میسوزه باید مدار کولر رو بررسی کرد و نه مدار فن. چون اگه فن مشکل داشته باشه در هر دو حالت باید فیوز بسوزه لذا ساختار مکانیکی کولر از لحاظ فشار گاز کولر و برقی کولر از نظر کلاچ کمپرسور کولر، رله کلاچ کمپرسور، کلید سه وضعیتی فشار گاز کولر، پنل کنترلی و رله های کولر به انضمام سیم کشی کولر رو بررسی کنید و بخصوص کانکتورها و اتصالات رو بررسی کنید. بخصوص عملکرد کلاچ کمپرسور و رله آن را به دقت بررسی کنید.
بامن تماس بگیرید
۰۹۱۲۹۰۵۷۱۹۳
سلام پژو دارم فنهای خودرو یه دفعه از کار میفته و آمپر میچسباند بردم پیش تنظیم موتور برنامه کامپیوتر عوض کرد میگه خوب شد ولی یه مدت بعد دوباره همینطور شد لطفا راهنمائی کنید
سلام وضعیت شارژ و عملکرد باتری رو بررسی کنید، اتصالات باتری رو تمیز، محکم و در صورت نیاز تقویت کنید. باتری رو چند دقیقه قطع کنید و مجددا وصل کنید. اگه درست نشد و با تعویض برنامه ایسیو یا کامپیوتر مشکل حل میشه ایراد از ایسیو هست ولی اگه مجددا این عیب ایجاد بشه یا ایراد از خود ایسیو هست یا اینکه اتصالات الکتریکی و از جمله باتری و دینام و وایر شمع مشکلاتی از جمله برق دزدی و پارازیت دارند و برای ایسیو مشکل ایجاد می کنند.
من ماشینم 207 مدل 96 هست…سوالم رو فکر کنم درست مطرح نکردم
تو جاده که سرعت ماشین بالای 100 میره مثلا 120 فن دور تند ماشین شروع میکنه به کار و قطع نمیشه با اینکه دمای آب روی حدود 88 هست که فکر کنم غیرعادی هست…اما در حالت ایستاده که ماشین کار میکنه دیاگ که میزنم کاملا نرمال روی دمای 97 فن دور کند و روی دمای 103 فن دور تند میزنه…مشکل نمیدونم کجاست
سلام یه بار تست کنید که اگه سرعت به 120 رسید و فن روشن شد بلافاصله خودرو رو متوقف کنید و نتیجه رو بررسی کنید درصورتیکه بلافاصله فن خاموش بشه احتمالا فشار هوا رو اتصالات الکتریکی و رله تاثیر میذاره که فن روشن بشه ولی اگه با کاهش سرعت همچنان روشن موند سیستم رو هواگیری کنید، شبکه رادیاتور رو تمیز کنید و شبکه مالتی پلکس خودرو رو بررسی کنید.
باسلام واحترام
وانت اریسان مدل94 دارم موقع خرید یاتاقان زده بود،تعمیر موتور کامل شد،اون اوایل امپر اب میومد بالا ازوسط رد میکردوقتی درب موتور را بازمیکردم اب پاشیده بود بیرون ،فشنگی رو تعویض کردم گفتن سر طوسی ef7 سامفربخر،اما امپر اب میاد بالا وسط پشت چراغ قرمز گاهی از وسط رد میکنه ،گاهی موقع شتاب رله ها رو تعویض کردم یکی از سوکتها سولفاته شده بود تعویض کردم ممکنه از ریگلاتور ،گاز بزنه تو رادیاتور هوا بگیره کلافه هستم البته نظرات بسیاری رو مطالعه کردم بلکه معایب مشابه ببینم اما نبود ،چطور بفهمم واشر زده اصلا چرا اونقده امپر اب باید بیادبالا تا فن بزنه
سلام وضعیت تسمه واترپمپ و واتر پمپ رو بررسی کنید. اگه پوسته رگلاتور گاز سوراخ بشه یا ترک بخوره که مایع خنک کننده موتور وارد رگلاتور گاز هم میشه و وقتی میره روی گاز باید موتور ریپ بزنه یا خاموش بشه یا دود سفید رنگ تولید کنه که البته با کاغذ PHسنج میتونید میزان اسیدی یا بازی شدن مایع خنک کننده رو اندازه گیری کنید. احتمالا ایراد از فشنگی باشه. کولر رو روشن کنید اگه با روشن شدن کولر فن دور کند روشن بشه و داغ هم نکنه میتونه نشونه این باشه که همه چی درسته به جز اطلاعاتی که فشنگی میده به ایسیو. ولی اگه با کولر گرفتن هم داغ میکنه نشونه اینه که سیستم مکانیکی مشکل داره.
سلام ، خسته نباشید
خودرو من یه پرشیا مدل ۹۴ هستش ، امروز کولر روشن کردم و آمپرم رفت بالا ، وقتی فن ماشینو نگاه کردم دیدم دور تند فقط یکی از فنا کار میکنه ولی دور کند هر دو ، میتونه از همین موضوع باشه ؟ و اگر هست کدوم قطعه خرابه ، ممنونم
سلام بله احتمالا رله فن دور تند دچار مشکل شده لذا کارکرد رله ها رو بررسی کنید.
با سلام و احترام، و تشکر از توضیحات مفید و کاملتون.
من سمند 95 ef7 دارم بعضی وقتها که میخوام ماشین رو خاموش کنم چون هنوز دمای مایع داخل موتور زیاده فن ها در حال کار هستن ولی وقتی خاموش میکنم فن ها هم از کار میوفتن آیا نباید فن ها در حالت خاموش هم بطوراتوماتیک کار کنند تا بلوک موتور خنک بشه؟
سلام و سپاس از همراهی شما، اگه دما خیلی زیاد باشه که غیر معمول هم هست، فن بعد از خاموش کردن سوئیچ هم روشن میمونه ولی در دماهای معمول نیاز به روشن موندن فن بعد از خاموش کردن موتور نیست.
سلام سمند ef7مدل ۹۰ وقتی کولر میگیرم دور کند روشن نمیشه ولی بعد از چند ثانیه دور تند روشن و خاموش میشه علت چی میتونه باشه؟ سپاس
سلام اگه عملکرد فن ها بدون کولر گرفتن درست هست، بنابراین فشار گاز کولر یا سوئیچ سه مرحله ای گاز کولر رو بررسی کنید.
درود با سپاس
خودرو سمند lx مدل ۸۸
دما و آمپر وسط میباشد موتور خاموش میکنم فن ها خاموشند ، سویچ باز میکنم فن ها با دور کند شروع بکار میکنند برای حداکثر ۱ تا ۲ دقیقه .
سپس خاموش میشوند ، سویچ را می بندم چند ثانیه بعد دوباره سویچ باز میکنم مجددا” فن ها با دور کند برای یک تا دو دقیقه فعال میشوند … و دوباره تکرار تا چندین دفعه تکرار میکنم تا آمپراز نصف به حد یک سوم برسد .
نکته جالب اینکه اگر آمپر حرارت در حد یک سوم باشد و ماشین را خاموش کنم وبعد از چند دقیقه سویچ را باز میکنم آمپر به نصف افزایش پیدا میکند .
( در حالت خاموشی آمپر حرارت بالا میره )
واترپمپ و یک فن و رله وسط هم تعویض شد تا دمای آمپر که بیش از سه چهارم و نزدیک قرمز میشد ، تعویض شد ، در حالت روشن الان حداکثر حرارت آمپر تا نصف قرار میگیرد
ولی مشکل بالا الان وجود داره ،
راهنمایی فرمائید با تشکر
سلام تغییر دمای موتور پس از چند لحظه از خاموش و روشن کردن سوئیچ به دلیل انتفال حرارت همرفتی از بخش های مختلف موتور به سمت هوزینگ ترموستات هست و طبیعی هست و جای نگرانی نداره به همین دلیل با روشن کردن مجدد سوئیچ دمای بالاتر توسط سنسور احساس میشه و فن رو روشن میکنه. خیلی جای نگرانی نداره ولی اگر زمان روشن موندن فن به مرور زیاد شد یا تغییر کرد، عملکرد فشنگی آب رادیاتور رو بررسی کنید.
با عرض سلام و شاد باش و تبریک سال جدید .مهندس رله های پژو ۲۰۰۰ مدل ۸۰من هر یک ماه و دو ماه خراب میشن با اینکه ۸۰ امپرشم هم گرفتم دلیل تند تند خراب شدن رله ها چیه از جنس نامرغوب یا مشکل دیگه ای میتونه داشته باشه ؟چون هر جنسی میگیرم این داستانه. رله ۱۰۰ امپر و جنس خوب هم اگه سراغ دارین ممنون میشم بگین از کجا تهیه کنم . از شما بینهایت ممنونم بخااطر کمک و راهنماییتون
سلام بله عمدتا به دلیل نامرغوب بودن هست که رله خراب میشه. ابتدا موتور فن ها رو با دست بچرخونید ببیندی روان میچرخند. اگه دوران موتور فن هم سفت باشه میتونه باعث سوختن رله بشه ضمن اینکه به فن ها برق بدید تا بچرخند و همزمان میزان برق مصرفیشون رو اندازه گیری کنید ببینید چقدر جریان برق مصرف می کنند که مثل اگه 50 آمپر باشه و شما رله 60 آمپر استفاده کنید دیگه رله نباید بسوزه مگر اینکه یا جنسش خوب نیست یا اینکه 60 آمپر نیست و به صورت تقلبی روش نوشته 60 آمپر. سعی کنید جنس اصلی رو پیدا کنید که معمولا رله های ایساکویی خوبه.
سلام وقتتون بخیر
ماشین 405 tu5 دارم موقعی که کولر میزنم کمپرسور عمل میکنه ولی فن دور تند عمل نمیکنه آمپر میره بالا
مشکل از چیه ؟؟
سلام وقتی کولر روشن میشه باید ابتدا فن ها با دور کند روشن بشن و اگه دما بیشتر بالا بره دور تند روشن میشه. بنابراین بررسی کنید که ابتدا دور کند روشن میشه یا خیر. اگه دور کند هم روشن نشد ولی بدون فعال کردن کولر درست عمل میکنه باید مدار برقی کولر که سینگال به ایسیو میده رو دنبال کرد که قطع شدگی نداشته باشه یا پین اون شل نشده باشه.
سلام و عرض ادب
ممنون میشم راهنمایی کنید
ماشین سمند مدل ۸۵ دارم و در حرکت امپر یهو شروع به حرکت می کنه و تا اخر میره و دوباره برمی گرده در این حالت فنش چک کردم دور کند کار می کرد یا بعصی وقتا اصلا کار نمی کرد ،دستم به رادیاتورهم که می زنم زیاد داغ نمیشه .
و همینطور صبح زود که ماشین روشن می کنم بعضی اوقات امپر میره تا اخر و کم کم برمی گرده عقب
ترموستات و مهده اب هم عوض کردم تاثیری نداشت
سلام وضعیت باتری رو بررسی کنید معمولا اگه باتری مشکل داشته باشه این عیب دیده میشه. اتصالات باتری و بخصوص اتصال بدنه ها رو تمیز، محکم و در صورت نیاز تقویت کنید. اگه درست نشد یه صفحه آمپر سالم جایگزین کنید که مطمئن بشید که آمپر درسته. اگه صفحه آمپر درست بود عملکرد سنسور یا فشنگی آب تک فیش رو بررسی کنید.
سلام،وقت بخیر
یه ماشین ef7 دارم دور کند فن ها کار نمیکنه تا امپر از وسط بگذره بعد دور تند کار میکنه و امپر میاد پایین یکی از فن ها را هم عوض کردم مشکل حل نشد چون بعضی وقتا دور کند کار میکنه و بعضی وقتا کار نمیکنه هنور برقکارا نفهمیدن مشکل از کجاست لطفا راهنمایی بفرمائید
سلام به ترتیب موارد زیر رو بررسی کنید.
از سالم بودن باتری مطمئن بشید، اتصالات باتری رو تمیز، محکم و در صورت نیاز تقویت کنید، از یه پشت آمپر سالم استفاده کنید که مطمئن بشید ایرادی نداشته باشه. رله های فن ها رو بررسی کنید و چک کنید که با متصل کردن به صورت دستی فن ها کار کنند، سیم کشی با یونیت فن یا ایسیو هم بررسی کنید فشنگی آب رو بررسی کنید اگه همه چی درست بود، از یه ایسیو بودن کد استفاده کنید و نتیجه رو به صورت آزمایشی بررسی کنید که ایسیو درست عمل کنه.
سلام چرا آمپر میادوسط بعدفن کارمیکنم سمند مدل ۸۶
سلام مایع خنک کننده رو بررسی کنید، از تمیز بودن شبکه های رادیاتور اطمینان حاصل کنید، عملکرد درست درب رادیاتور، واترپمپ و ترموستات رو بررسی کنید. اگه همه چی درست بود، از عملکرد صحیح باتری اطمینان حاصل کنید اتصالات باتری رو تمیز و محکم و در صورت نیاز تقویت کنید، چند دقیقه باتری رو قطع کنید و مجددا تست کنید اگه باز هم در دمای بالا فن کار کرد سنسور یا فشنگی آب و یونیت فن رو بررسی کنید. اگه همه چی درست بود مطمئن بشید که آمپر آب درست نشون میده مثلا با یه پشت آمپر سالم تعویض کنید و نتیجه رو بررسی کنید.
سلام من ماشینم پژو پارس ۸۳ هست با ecu ساژم ۲۰۰۰ که مستقیم از یونیت فن دستور میگره و همیشه خرابه کشته منو لطفا راهنمایی کنیید یا آدرس بدین ماشین رو برا شما بیارم چندین بار هم رله و یونیت فن رو عوضش کردم ولی چند وقت خوب کار میکنه و بعد یه مدت دور کند از کار میفته و دور تند فقط سمت راست کار میکنه و وقتی که هم که فن ها دور تند میان تو مدار موقع که متور دورش از ۴هزار بالا میره یا تو چاله میفتم کیلومتر بههم میریزه و چراغ روغ،استوپ و چراغ حرارت روشن خاموش میشن و ماشین هم همون لحظه قطع وصل میکنه و درست کار نمیکنه
سلام ماشین مشکل سیم کشی داره و باید به طور کامل بازدید بشه لطفا با آقای مهندس اخوان تماس بگیرید
09122072579
سنسور دور موتور روی گیربکس عوض کنید معمولاً قطعی دارند که توی دست انداز قطع وصل میشه
سلام استاد عیدتون مبارک
ماشین من پژو ۴۰۵ مدل ۸۶ هست و سیم کشی هم دست نخورده… یه چند روزی هست آمپر آب نزدیک وسط میره چراغ استپ روشن میشه و فن دور تند سمت راست فقط روشن میشه و وقتی دما یه مقدار پایین میاد هر دو فن دور کند روشن میشه.. البته ناگفته نماند فن سمت چپ یه مقدار صدا میده و یونیت فن هم عوض کردم و مشکل حل نشد ولی رله ها دست نزدم
سلام و عید شما هم مبارک باشه. اول بررسی کنید که محور موتور فن سمت چپ با پروانه اتصالش درست باشه در نمونه هایی که اتصال با پین هست، پین فلزی میشکنه و با دوران موتور، فن نمی چرخه و اگه هم بچرخه با طوقه بغل گیر میکنه و صدا تولید میکنه. اگه فن و اتصالش درست بود باید عملکرد رله ها، سیم کشی، سنسور یا فشنگی آب و نهایتا یونیت رو بررسی کنید.
با درود.
ام وی ام۵۳۰،در ترافیک وتحت فشار امپر اب از وسط رد میشه وجوش میاره ،به محض توقف فن ها کار وسریع دما میوفته بدون ترموستات هم این مشکل وجود داره .ممکنه تاخیری در عملکرد رله ها باشه؟چرا در حین حرکت دما پایین نمیاد؟ممنون از راهنماییهای شماب
با ارزوی سالی خوش
سلام، وضعیت مایع خنک کننده، تسمه دینام، واتر پمپ رو بررسی کنید که سالم باشند. مجاری هوا و آب رادیاتور هم بررسی کنید و اگه نیاز هست بشویید و تمیز کنید. در حین حرکت چون تحت بار هست خوب طبیعی هست که اگه مشکلی در موارد فوق باشه دیرتر خنک بشه ولی در حالت درجا موتور زیر بار نیست و زودتر خنک میشه ولی بعید هست که در حین حرکت فن ها کار نکنه، احتمالا کار میکنه ولی نقصی در مواردی که ذکر شد وجود داره.
سلام وقت بخیر
ماشينم پژو 405 مدل 95 هست
وقتی کولر میگیرم حتما باید دور تند فن روشن بشه؟
سلام نه. ابتدا باید دور کند فعال بشه ولی اگه فشار گاز از 19 تجاوز کنه یا دمای مایع خنک کننده موتور از 105 عبور کنه فن دور تند هم باید فعال بشه.
سلام وققتون بخیر عیدتون مبار ماشین من فن دور کند دیر باز میکنه دور تند طرف شاگرد کار میکنه
سلام سال نو شما هم مبارک باشه. اتصالات باتری و اتصال بدنه موتور رو بررسی و در صورت نیاز تقویت کنید. رله ها و سیم کشی فن رو تست کنید.
سلام.پژو ۴۰۵ مدل ۹۸ دارم ماشین ک روشن میکنی درجا فن روشن میشه و یکسره کار میکنه و موتور ماشینم بد کار میکنه و تو حرکت الکی گاز میخوره و وقتی ایست میکنم دور موتور حالت عادی داره ستگاه زدم میگه کوئل ولی عوض کردم نشد ترموستات و فشنگی رو هم عوض کردم علت چیه لطفا .
سلام روشن شدن فن میتونه ایراد از فشنگی یا ایسیو باشه. اگه هر دو درست باشه، سیم کشی رو تست کنید که اتصالی نداشته باشه و سیم سیگنال به بدنه وصل نشده باشه. در مورد تغییر دور موتور، استپر موتور، سنسور دریچه گاز، هوزینگ دریچه گاز رو تمیز و تست کنید.
با سلام و تشکر از مطالب عالی و مفیدتون
دمای آب پارس تیو فایو با سیستم برق نقطه به نقطه من از وسط رد میشه ولی دور تند فن تو مدار نمیاد، وقتی دما نزدیک وسط رسید دور کند فنها روشن میشن. وقتی کولر می زنم فقط دور کند هر دو فن وارد مدار میشه و دور تند وارد مدار نمیشه مشکل از چی می تونه باشه؟
سلام و سپاس از همراهی شما، معمولا این عیب زمانی ایجاد میشه که رله های 1502 و 1503 دچار مشکل شده باشند. لذا ابتدا رله ها رو تست کنید و در صورت خرابی تعویض کنید. اگه رله ها درست بودند مسیر دسته سیم تا ایسیو برای فعال کردن منفی سیم پیچ این دو رله رو بررسی کنید.
سلام مجدد
هر دو رله رو عوض کردم، کلا فن فقط با کولر اونم دور کند روشن میشه.رله ها رو چند بار عوض کردم اتفاقی نمی افته، دمای موتور تا نزدیکیهای قرمز داره می ره. ممکنه از دسته سیم باشه؟
کجا رو چک کنم؟
ممنون لابت وقتی که می زارین.
سلام سنسور دمای مایع خنک کننده رو قطع کنید باید فن با دور تند روشن بشه. اگه روشن شد یعنی ایسیو، رله ها و سیم کشی درسته اگه روشن نشد احتمالا ایراد از فشنگی یا سنسور دمای مایع خنک کننده هست.
اگه زمانی که فشنگیو قطع میکنیم دور تند روشن شد و دوباره وصل کردیم برگشت به حالت قبل ( دور کند) چه مشکلی داره؟
سلام اگه دما پایین باشه که بعد از وصل کردن فشنگی باید فن ها خاموش بشه. اگه فشنگی وصل کردید و دما هم پایین بود و دور کند روشن شد، یه بار باتری رو قطع کنید و مجددا وصل کنید و نتیجه رو بررسی کنید اگه مشکل حل نشد عملکرد فشنگی دمای مایع خنک کننده، رله ها، سیم کشی و پایه ای که ایسیو منفی رله رو تامین می کنه رو بررسی کنید.
سپاس فراوان، ایراد از دسته سیم بود.
سلام پارس خشک خریدم سر صبح در هوای سرد که ماشین روشن میکنم فن ها تا نیم ساعت که دما به حد معمول برسه با دور بالا کار میکنن و چراغ چک هم روشن میشه سنسور دمای اب عوض کردیم نشد لطفا راهنمایی کنید
سلام اگه ماشین صفر هست و گارانتی داره بهتره به نمایندگی مراجعه کنید تا گارانتی ابطال نشه.
استاد ماشین من وقتی کاملا سرد هست ودرجا کار میکنه فن دیرتر عمل میکند بعد از اون درست میشه یعنی اولین فن رو که میزنه دیگه عملکردش درست میشه
سلام وضعیت شارژ باتری، اتصالات باتری و بخصوص اتصال بدنه رو بررسی و در صورت نیاز تقویت کنید ممکنه به دلیل مشکلاتی که عرض کردم خطا در نمایش نشانگر دمای مایع خنک کننده باشه.
درود بر استاد نصیری و سپاس از مطالب مفید شما
یک سوال کمی بیربط دارم که شاید سوال خیلیها هم باشه.
رله فن 405 بهتره از نوع 25 یا 40 آمپر باشه یا 80 و 100 آمپر ساخت چین
خودم دو سالی هست که 100 دو پلاتینه دارم و هیچ مشکلی برنخوردم و فنها بسیار عالی کار میکنن
ولی تازگیها شنیدم مدلهای آمپر بالا به سیمکشی فشار وارد میکنن و چون عمر خودروی من بالای 12 ساله کمی دودل شدم.
پیشاپیش ممنون از راهنمایی شما
سلام و سپاس از همراهی شما، معمولا کیفیت رله ها و بعضا سایر لوازم یدکی پایین هست و بعد از مدتی کار کردن دچار مشکل میشن لذا اگه رله با آمپر بالاتر انتخاب بشه بهتره فقط گرون هست و مشکلی هم برای سیم کشی ایجاد نمیکنه.
درود بر شما
بسیار عالی
سپاسگزارم
از همراهی شما سپاسگزاریم
درود بر شما
از راهنمایی و آموزش شما بهره بردم
عالی بود سپاسگزارم
دست شما درد نکنه بسیار عالی و فنی توضیح دادید و مشخصه که خودتان واقعا بکار آشنا و متخصص میباشید بازم ممنون
از همراهی شما سپاسگزاریم
با سلام بسیار از آموزش شما متشکرم
از همراهی شما سپاسگزاریم
با درود
آیا با از کار افتادن یکی از فنها ، دور تند فن دیگر به صورت اتوماتیک روشن میشود ؟
با سپاس
سلام اگه یکی از فن ها خراب بشه مثلا بسوزه دور کند نداریم و در دور تند فقط فن سالم با دور تند روشن میشه.
با درود ، سمند مدل ۸۷ موتور xu7 دارم . فن دوم (سمت شاگرد)در دور کندتر آهسته تر از فن اول کار میکند. خواستم بدونم علت چیه ؟
و با توجه به مطالبی که فرمودید فن ها در دور کند بعد از رله A به صورت سری بسته شده , پس به فن دوم ولتاژ کمتری میرسد . ولی فرمودید به هرکدام از فنها ۶ ولت برق میرسد.آیا قطعهای وظیفه جبران این افت ولتاژ را دارد ؟
آیا رله c که در میانه مسیر فن اول و دوم است ، آیا فقط نقش کلید سری و موازی را انجام میدهد ؟ و یا در جبران افت ولتاژ فن دوم نیز نقش دارد ؟
باسپاس
سلام ممکنه پلاتین رله ها دچار مشکل شده اند و مقاومتشون بالا رفته باشه، موتور فن که دورش کمتر میتونه خراب شده باشه مثل آب داخل بلبرینگش رفته باشه یا سیم کشی ایراد داره. اگه مقاومت داخلی هر دو موتور یکی باشه به هر کدام نصف ولتاژ باتری میرسه که اگه 12 ولت باشه میشه دو تا 6 ولت. بله روله c نقش سری و موازی کردن فن ها رو داره.
سلام
خسته نباشید.
سمند ef7 دارم مدل ۹۷ که بعضی مواقع فن عمل نمیکنه وآمپر بلا میره . توی اون لحظه باید یک بار کولر را روشن و خاموش کنم تا فن عمل کنه . لطفا راهنمایی کنید
سلام وضعیت شارژ باتری رو بررسی کنید، اتصالات و اتصال بدنه رو محکم و در صورت نیاز تقویت کنید. ممکنه نمایشگر جلو داشبورد مشکل داشته باشه که دما رو بالا نشون بده، با دیاگ خطاها رو پاک کنید، بست باتری رو چند دقیقه جدا کنید و مجددا نتیجه رو بررسی کنید.
سلام، میخاستم بدونم توی پژو زمانی که فن سمت راننده کار نمیکنه، دلیلش چیه، خود فن سالمه رله ها رو هم تازه عوض کردم
سلام
سلام
سلام فکر کنم یونیت فن شما خراب باشه یا سوکتی که به اون میخوره ایراد داره البته دو گزینه ای که استاد گفتن هم میشه
سلام من سمند مدل 81 دارم مهره اب فابریک سوخت یه مهره رونیی 68 79 نصب کردم اما آمپر تا 90 میاد و بعضی اوقات 90 هم رد میکند چیکار کنم امپر اب رو 70 بمونه ؟
سلام از سنسور دمای مایع خنک کننده ای که مشخصات مقاومتش با مشخصات مقاومتی سنسور قبلی خودتون برابری می کنه استفاده کنید.
سلام خسته نباشید
سمند ۸۲ دارم چند وقتی هست تا ماشینو روشن میکنم رله ها مدام شلاقی کار میکنن حتی یکی از فنها صلیبی شکوند یونیت فن هم عوض کردم درست نشد بعد از اینکه ماشینو روشن میکنم کولر میگیرم که دور کند کار میکنه و فن ها دیگه ضربه نمیزنن تا امپر بیاد بالا تو زمستونم مجبورم کولر بگیرم
لطفا راهنمایی کنید چکار کنم
ممنون
سلام سنسور دمای مایع خنک کننده و کانکتور رو بررسی کنید و در صورت لزوم تعویض کنید
سلام فکر کنم یونیت فن شما خراب باشه یا سوکتی که به اون میخوره ایراد داره البته دو گزینه ای که استاد گفتن هم میشه
سپاس بابت راهنمایی های مفیدتون
سلام و سپاس از همراهی شما
با سلام
سمند ال ایکس مدل ۹۸ هیچ کدوم از فن ها در هیچ حالتی کار نمیکنه. فشنگی تعویض کردم ، رفع خطا انجام دادم ولی مجددا آمپر چسباند . مکانیک میگه باید کامپیوتر فلش بشه. آیا ربطی داره؟ از رله کند یکسره میکنم فنها کار میکنن. مشکل کجاست؟ ممنون
سلام بله اگه از طریق رله ها فن کار میکنه و رله ها هم سالم هستند یعنی فرمان درستی از ECU یا کامپیوتر صادر نمیشه و با فلش کردن احتمالا درست میشه
با سلام و عرض ادب،
سمند معمولی مدل ۸۶،زمانی که دکمه AC کولر زده می شود رله زیر پای راننده صدا میدهد(عمل می کند) اما کلاچ کمپرسور عمل نمی کند،پایه یک از سوکت چهار پایه کلید سه کاره نیز برق دار می شود ولی وقتی پایه یک و دو از سوکت کلید سه کاره جامپر می شود فقط فن های دور کند روشن می شوند و کلاچ کمپرسور عمل نمی کند(در این حالت برق به کانکتور دو پایه کمپرسور نمی آید).
کلاچ کمپرسور بطور جداگانه تست شده و کاملا سالم می باشد،گاز کولر هم کافی بوده و فقط در زمان اتصال AC برق به کلاچ کمپرسور نمی آید آیا مربوط به رله های یونیت سینی فن می باشد یا دلیل دیگری دارد که برق به سوکت آن نمی آید؟
با سپاس.
سلام شرط عملکرد کلاچ کمپرسور اینه که فشار گاز کولر و دمای مایع خنک کننده و دمای سطح اواپراتور در محدوده مجاز باشه. بنابراین اگه گاز کولر مناسب هست، سالم بودن سنسور دمای سطح اواپراتور زیر داشبورد هم بررسی کنید، سنسور دمای مای خنک کننده موتور هم مطمئن بشید که اطلاعات درستی به ECU، میده. اگه همه اینا درست بود رله قطع کن کمپرسور کولر رو بررسی و در صورت نیاز تعویض کنید.
سلام ممنون از توضیحاتتون ی سوال داشتم
فن ماشین سمت شاگرد گاهی اوقات کار میکنه و دوباره از کار میفته و اینکه بعضی مواقع حتی یک ربع بعد از خاموش شدن ماشین هر دو دوتا فن همچنان کار میکنه البته با یه تقه روی رله دور تند از کار میفته لطفا راهنایی کنید
سلام و سپاس از همراهی شما، رله ها رو تست و بررسی کنید، اگه درست نشد عملکرد سنسور دمای مایع خنک کننده یا فشنگی آب رو بررسی کنید.
سلام ارادت استاد بزرگ من پارس tu5 دارم صبح ها که هوا سرده بعد از پنج دقیقه چراغ چک روشن میشه و فن ها روشن میشه فشنگی دما آب و رله فن را هم عوض کردم و برنامه کامپیوتر را هم عوض کردم یه مدتی خوب بود اما دوباره اتفاق افتاد و خطا دایم جریان کشی بیش از حد مدار فن را نشون میده
درود
ممنون و سپاس بسیار جامع و کامل بود
جناب نصیری گرامی ای کاش از تندر ال نود هم یه مقاله مشابه در مورد مشکل عملکرد دور کند و تند فن تهیه داشتید
سلام و سپاس از همراهی شما. بله انشاالله انجام خواهد شد.
سلام و عرض خسته نباشید. پژو ۲۰۶ sd مدل ۸۶ دارم. آیا با روشن کردن کمپرسور کولر باید بلافاصله فن رادیاتور روشن بشه؟ حتی اگه آمپر پایین باشه؟
سلام در خودروهای پژو چون فن رادیاتور فن کندانسور کولر هم محسوب میشه بله باید روشن بشه.
سلام من سمندای اف سون مدل 90دوگانه فابریک دارم الان چندوقته به محظ روشن کردن ماشین بعدازچند دقیقه هنوزدمای ماشین تعغیرنکرده فن دورتندروشن وچراغ چک هم روشن میشه وگازماشین هم قطع میشه وقتی ماشین خاموش می کنم تاچنددقیقه فن هاکارمی کنن بعدخاموش میشن باید بست باطری رودربیارم دوباره جابزنم تامشکل برطرف بشه ولی بازبعدازچندساعت باز روز ازنو روزی ازنو لطفا راهنمایی کنیدمشکل ازکجاست ممنونم
سلام وضعیت باتری رو بررسی کنید، اتصال بدنه ها رو بررسی و در صورت نیاز تقویت کنید. اگه درست نشد وضعیت سنسور دمای مایع خنک کننده رو بررسی کنید.
سلام من یه ام وی ام ۳۱۵ دارم فن دورکند ودور تندم کارنمیکنه از سالم بودن فن مطمعنم اشکال در چیست
سلام سنسور مایع خنک کننده، رله ها، دسته سیم و واحد کنترل رو به ترتیب بررسی کنید.
با سلام سوکت سنسور آب و سنسور آب رو چک کن
سلام پرایددورتندداره؟توچه دمایی روشن میشه؟
سلام بله حدود 103 درجه
سلام من سمند ملی مدل ۹۳ دارم اول یکی از فن ها با دورتند روشن میشه کار میکنه بعد چند ثاینه اون یکی هم روشن میشه و دور فن هم کم میشه مشکل چیه ممنون از شما
سلام رله سری-موازی، پایه های اون رله و اتصالات تا کنترل یونیت رو بررسی کنید اگه درست نشد یه کنترل یونیت سالم جایگزین کنید و نتیجه رو بررسی کنید.
سلام فن ماشین 405 روشن میشه زود قطع میشه قبل از خنک شدن کامل دستگاه زدم نوشته بود خطا در مدار رله فن
سلام، خطا رو پاک کنید و مجددا تست کنید. اگه درست نشد و مجددا خطا وجود داشت یعنی عیب دائمی و سخت افزاری هست که باید موتور فن، رله ها، دسته سیم و سنسور مایع خنک کننده رو بررسی و رفع عیب کنید.
با سلام
ماشین من ۲۰۷ مدل ۹۶ هست
در سرعت بالای ۱۰۰ و حتی هوای سرد فن دور تند شروع میکنه به کار کردن اما دمای پشت آمپر وسطه…گاهی اوقات هم تو ترافیک چند بار که دور کند میزنه یهو دور تند میزنه میاره به شدت دما رو پایین..ترموستات و واترپمپ رو عوض کردم…درست نشده..دیاگ هم هیچ خطایی نشون نمی ده…ممنون میشم راهنمایی کنین
سلام اگه آمپر وسطه و دور تند کار میکنه که خیلی غیر عادی نیست. به هر حال سیستم رو هواگیری کنید و با دیاگ دمای مایع خنک کننده رو زمانی که فن دور کند و دور تند روشن میشه تست کنید. اگه حدود 95 دور کند و حدود 103 دور تند روشن شد درسته.
سلام پژو ۴۰۵ دارم ترموستات و فشنگی رو عوض کردم موقع روشن شدن ماشین بعد از ده پانزده دقیقه فن دور تن روشن وجراغ استب روشن میشه وخطای فشنگی رو پاک کردن یک بار ممنون از راهنماییتان
سلام احتمالا فشنگی مشکل داره با یه سالم جایگزین کنید و نتیجه رو مجددا بررسی کنید.
باسلام بنده سمند معمولی دارم چن روز پیش رفتم تعمیرگاه واتر پمپ وتعویض کردم وترمستادهم خراب بود 82گذاشتم از وقتی اینکارارو انجام دادم زمانی که ماشین روشن میکنم چک روشن نمیشه تا حرکت میکنم بعد 10دقیقه چراغ چک ثابت روشن میشه دیاگ زدم گفتش رله دورپایین خرابه تعویض کردم بازم مشکل حل نشد بنظرتون مشکل کار از چی میتونه باشه .متشکرم
سلام بررسی کنید که سه کانکتور سه سنسور دمای آبی که روی هوزینگ ترموستات نصب شده درست باشه و اشتباها جابجا نشده باشه.
سلام ایراد از یونیت فن یا سوکت متصل به اون میتونه باشه
سلام سمند الکس مدل ۹۷ مولتی پلاس فن رادیاتور کارنمیکند مشکل چیست
سلام، بست باتری رو چند دقیقه در حالتی که سوئیچ خاموش هست جدا کنید و مجددا عملکرد رو بررسی کنید. اگه درست نشد با دیاگ باید نسبت به بررسی خطاها و رفع عیب اقدام کرد و با تست عملگر هم مسیر و رله ها و فن ها رو تست کرد. اگه دیاگ ندارید باید ابتدا فنها رو تست کنید که سالم باشه و بعد هم دسته سیم، کانکتورها، FN و ECU موتور رو چک کنید.
سلام
همین امپر اب میرسه وسط چراغ استپ روشن میشه و فن دور کند کارمیکنه ولی دورتند کار نمیکنه و دوباره بعد از ۷ دقیقه چراغ استپ روشن میشه و تکرار. پیش باتری ساز هم رفتم و از رله ها با سیم امتحان کرد و گفت موتور فن ها سالمن. این اتفاق پریروز ۲۵ دی که برف سنگین اومد افتاد و پشت چراغ قرمز بودم که یهو امپر اب رفت وسط و چراغ استپ روشن شد و بوی سوختگی اومد که بعد از اون هر ۷ یا ۸ دقیقه این اتفاق می افته.
پژو۴۰۵ مدل۴۰۰
سلام ابتدا سیستم خنک کار رو هواگیری کنید و اطمینان حاصل کنید که ترموستات درست باشد. در غیر اینصورت این عیب معمولا ناشی از وجود اتصالی در دسته سیم هست به همین دلیل پس از اطمینان از صحت عملکرد باتری، اتصال بدنه ها چک کنید. بعد رله ها رو بررسی کنید و در صورت لزوم با رله نو جایگزین کنید سپس دسته سیم و کانکتورها رو از لحاظ محکم بودن و اتصالی بررسی کنید، وضعیت سنسور دمای مایع خنک کننده رو هم بررسی کنید اگر درست نشد باید وضعیت ECU بررسی یا با یک ECU سالم جایگزین بشه و نتیجه رو بررسی کنید.
سلام استاد بزرگوار پژو مدل 87دارم وقتی که ماشین کاملا سرد هست ماشین رو که روشن میکنم و در جا روشن میذارم بمونه فن دور کند عمل نمیکنه تا نزدیک وسط میاد که من کولر میگیرم تا روشن بشه بعد از این کار دیگه عملکردش درست میشه منظورم اینه بعد روشن شدن و درجا کار کردن اولین فن زدن دیرتر میزنه بعد از اون سرجاش میزنه چی میتونه باشه ک
سلام وضعیت شارژ باتری، اتصالات باتری و بخصوص اتصال بدنه رو بررسی و در صورت نیاز تقویت کنید ممکنه به دلیل مشکلاتی که عرض کردم خطا در نمایش نشانگر دمای مایع خنک کننده باشه.
سلام وقت بخیر
ماشین سمند EF7
همین که ماشین رو روشن میکنم فن دور تند شروع به کار میکنه، بدون اینکه اصلا خاموش بشه بصورت یکسر کار میکنه و دمای موتور هم کاملا پایین میمونه، بعد از خاموش کردن ماشین هم فن دور کند چند دقیقه ای کار میکنه و بعدا خاموش میشه، مشکل از چی میتونه باشه؟؟
سلام سنسور مایع خنک کننده، رله ها رو بررسی کنید اگه درست نشد، کنترل یونیت یا ECU رو بررسی کنید.
سلام ماشین من 405مدل 87هستش آمپر آب ماشینم از خط وسط رد میشه وتا نزدیکی خط آخر میره و فن ماشینم تازه شروع به کار میکنه البته بعضی وقتا هم اصلا کار نمیکنه بردم پیش باطری ساز یه رله عوض کرد با ترموستات اما درست نشد.فن ماشینم اصلا دور تندش روشن نمیشه.البته بعضی وقتا هم ماشین در حال حرکت فن ماشینم دور تند یکسره میشه و چراغ استپ روشن میشه.ممنون میشم راهنمایی کنید
سلام ابتدا اتصال باید وضعیت باتری و اتصال بدنه ها رو بررسی کنید و در صورتیکه مشکل داره برطرف کنید. اگه مشکل حل نشد باید نسبت به تست سنسور دمای مایع خنککننده و کنترل یونیت فن های خنک کاری اقدام کنید.
سلام
دیروز رله فن رو عوض کردم وقتی رسیدم خونه سوییچ رو بستم و درش آوردم ولی ماشین خاموش نشد رله ای رو که تازه خریدم روی قسمت موازی گذاشته بود درش آوردم الان مشکلی نداره ولی رله موازی نداره ماشین وقتیم جابجا میکنم رله ها رو دوباره همونی که تازه خریدم یه صدایی میده خواستم ببینم علت صدا دادنش و اینکه ماشین بدون سوییچ روشن میمونه چیه. رله هم ۵ پایه و آمپراشم درسته
سلام صدای رله حین وصل کردن وقطع کردنش نشونه این هست که سیم پیچ اون مغناطیس میشه و پلاتینش میچسبه. ولی رله فن تاثیری در روشن موندن ماشین بعد از خاموش کردن سوئیچ نداره مگر اینکه جایی دسته از دسته سیمها یا کانکتورها اتصالی داشته باشه یا ایسیو مشکل داشته باشه.
سلام
ماشین ۴۰۵ مدل ۸۵ هستش
کولر ک میگیرم بجای دور تند،دور کند کار میکنه
دور تند کلا ندارم
اتصالات،رله ها و مایع خنک کننده رو چک کردم درسته همش
دیگه از چی میتونه باشه؟؟
سوکت فشنگی هم ک میکشم دور تند کار نمیکنه
سلام کنترل یونیت فن رو بررسی کنید و با یه سالم جایگزین کنید و نتیجه رو بررسی کنید.
سلام وقت بخیر یه روا دارم جدیدا دیر فن میکنه امپر میره وسط بعد دور کند روشن میشه فشنگی اب رو عوض کردم رادیات رو هواگیری کردم ولی درست نشد
سلام وضعیت باتری و اتصال بدنه ها رو چک کنید. خرابی باتری یا ضعیف بودن اتصال بدنه هم روی عملکرد فن هم بر روی عملکرد آمپرها تاثیر داره.
سلام
بعد ۵ دقیقه بعد از روشن شدن یهو ماشین آمپر از وسط رد شد،،فن هم روشن نشد…
ممنون میشم زاهنمایی کنین
سلام وضعیت شارژ باتری و اتصال بدنه رو چک کنید. اگه درست نشد از عملکرد صحیح سیستم خنک کننده مانند مایع خنک کننده، ترموستات و غیره مطمئن بشید و اگه درست نشد، سنسور مایع خنک کننده، دسته سیم، رله ها و کنترل یونیت رو بررسی کنید.
سلام خسته نباشید، من روآدارم 85امپر میاد وسط باد کولر گرم میشه تا امپر نیاد قبل وسط باد کولر سرد نمیشه مشکل از کجا هست، ممنون
سلام عملکرد سنسور یا فشنگی دمای مایع خنک کننده موتور رو بررسی کنید. اگه دما رو زیاد نشون بده کمپرسور غیرفعال میشه.
سلام
بعد ۵ دقیقه بعد از روشن شدن یهو ماشین آمپر از وسط رد شد،،فن هم روشن نشد…
ممنون میشم زاهنمایی کنین
سلام وضعیت شارژ باتری و اتصال بدنه رو چک کنید. اگه درست نشد از عملکرد صحیح سیستم خنک کننده مانند مایع خنک کننده، ترموستات و غیره مطمئن بشید و اگه درست نشد، سنسور مایع خنک کننده، دسته سیم، رله ها و کنترل یونیت رو بررسی کنید.
سلام ضمن سپاس بابت اطلاعات کامل و دقیق
در دور کند هر دو فن خاموش در دور تند فقط قن راننده روشن . موتور فن شاگرد با برق مستقیم تست شده و سالم است.
مشکل روشن نشدن موتور شاگرد از چیست؟
سلام رله دور کند و رله سری موازی رو بررسی کنید.
درود. سمند مدل ۸۴ هرچند وقت یکبار درحالی که نشانگر دمای آب پایین و درواقعیت هم دمای موتور پایین است حتی مواقعی ابتدای کار موتور است، اما هشدار دمای بالای آب میده و فن دور تند شروع به کار میکند که آزار دهنده است. تا حالا هم عیبشو پیدا نکردن. ولی با باز کردن بسو باتری رفع میشود. سپاسگذار میشم راهنمایی کنید. نکته بیشتر در فصول سرد این اتفاق میفته
سنسور دمای مایع خنک کننده یونیت فن را بررسی کنید
با سلام سوکت سنسور آب و سنسور آب رو چک کن و حتما ترموستات رو ماشینت بذار اگه نداره
سلام من ماشینم ۴۰۵ فن ماشین هر ۲ دقیقه روشن میشه علتش از چیه ممنون؟
سلام
اگه سیستم خنک کاری مشکلی مثل هواگیری یا عملکرد ترموستات نداشته باشه باید سنسور مایع خنک کننده، رله ها، سیم کشی و ایسیو رو بررسی کرد
بعله دقیقا
سلام خوبی
احتمالات ارتباطی زیاده مثلا:
۱_سنسور دمای اب
۲_ترموستات مقاومت از دست داده
رله های فنی اتصال بدنه دارد
اکثر مواقع سنسور دمای آب میباشد…
اگر دیاگ درست بزنن میتونن راهنماییتون کنند❤️
سلام ماشین سمند معمولی با تک روشن میشه بعضی موقع خیلی استارت میخوره تا روشن سه خرابی چیه
بعد از انجام سرویس دوره ای تایم و فیلر موتور را چک کنید
اگر در حالت سردی خیلی استارت میخوره،سنسور دمای اب،
اگر در حالت گرمی باشد از کنیستر، سنسور دور موتور،ضعیف بودن مغزی پمپ بنزین،اتومات استارت،ضعیفی باطری
سلام
پس از شستشوی ماشین (بدون روشن کردن ماشین و درحالت خاموش)صدایی از موتور شبیه صدای کار کردن فن از سمت رادیات ماشین شنیده میشه. وقتی به توری پشت پنجره ( همون رادیات) توسط دست فشار وارد میشه صدا قطع و مجدد پس از برداشتن فشار صدا شروع میشه.
با قطع کردن سر باطری کلا قطع شد.
آیا اتصالات برقی انجام شده؟؟ لطفا راهکار بفرمایید.
سلام، ممکنه آب در کانکتور رله ها و فن ها رفته باشه و اتصالی کرده باشه
سلام
خودرو سمند دارم مدتی هست که دمای اب نصف را رد کرده و الارم استپ می دهد خودرو
فن با دوربالا روشن می شود و دور پایین کار نمی کند
رله های دور تند و کند را جابجا کردم نتیجه ای نداشت
بنظر شما رله موازی خراب هست
سمند بنده مدل 97 و مواتی پلاکس می باشد.
سلام، رله سری-موازی رو بررسی کنید اگه درست نشد سیم کشی و پایه های واحد کنترل رو بررسی کنید
سلام
سمندef7دارم ،بعضی اوقات وقتی ماشین رو خاموش میکنم ،فنها چند دقیقه بعد خاموش میشه که فکر میکنم دمای آب رو میاره پایین ،ولی الان خاموش نمیشه و فیوز رو خارج کردم،مشکل چی میتونه باشه
سلام سنسور دمای مایع خنک کننده رو بررسی کنید اگه دما رو بالا نشون بده این عیب بوجود میاد.
من پژو ۴۰۵ دارم وچون تاکسیه خیلی از وقتمو تو ماشینم ازینرو عرص میکنم ک مدتیه دور کند ماشی خیلی زود ب زود روشن میشه.تایم گرفتم چندبار از ۳۰ ثانیه تا یک دقیقه ک خاموش خامو میشه و دوباره زیر یک دقیقه دوباره روشن میشه.از پشت امپرم ک تقریبا مثل قبله ولی دما ک میاد رو ۷۰ یا خط اول احساس میکنم خیلی طول میکشه تا خاموش شه.یعنی رو خط اول زیاد روشن میمونه فن. و دوباره زیر یگ دقیقه دوباره روشن میشه.اصلا دورتند نمیزنها فقط کند.امکان داره از فشنگی باشه ک یکم اطلاع غلط ب کامپوتر بده؟ چون ترموستات چک شده .میکن حساس نباش میگم الان هوا خنکه اینجوره فردای تابستون…
راستی اینم بگم اینقده فن زده یکی از فنام موقع روشن شدن تقه میزنه ک من هم صداشو و هم تقشو حس میکنم.۰۹۱۱۹۸۶۴۵۶۲ اگر راهنمایی کنید ی سمس بدید من خودم تماس میگیرم ممنونتونم قربان
سلام اون تقه ای که میزنه نشونه این است که اتصال بین محور فن و پروانه فن شل شده. متاسفانه در موتورهای فن که جدیدا تولید میشه این ایراد زیاد پیش میاد که خار اتصال محور فن به پروانه میشکنه و از بین میره و بنابراین خنک کاری موتور مختل میشه لذا ابتدا بررسی کنید که اتصال محور فن و پروانه محکم باشه، وضعیت تسمه دینام و واتر پمپ رو بررسی کنید رادیاتور هم از نظر تمیز بودن مجاری آب و هوا بررسی کنید اگه درست نشد سنسور یا فشنگی و رله ها رو تست کنید.
سلام آقای نصیری سمند۸۲دورکند سالم رله هاسالم یونیت فن نو همه قطعهها تعویض شده موتور فن سالم ولی دردورتند فن سمت راننده کارنمیکنه لطفا راهنمایی کنید اگرازسیم کشی باشد کدام رنگ باید چک شود
سلام سیم با شماره E158 که اتصال بدنه فن سمت راننده در حالت دور تند را از طریق رله دور تند یا رله وسطی فعال میکنه رو بررسی کنید.
سلام پزو 206 مدل 96 دارم تو جاده سرعت میره بالای 110 امپر شروع به بالا رفتن میکنه تا جایی که سرعت به 130 برسه دما از 110 هم رد میشه در زمن الان وسط پاییز هستیم و هوا هم کمو بیش سرده مشکل از کجاس..دوستان لطفا کمک کنید .وقتی هوا گیری میکنم اب از در رایاد بیرون میزنه بعد قطع میشه شلنگی هم که از رادیات به منبع وصل شده وقتی گاز خالی به ماشین میدی تیک هه های هوا توش معلوم میشه امروز صبح که تو جاده این اتفاق افتاد وقتی به محل کارم رسیدم کاپوت دادم بالا و دستمو رو رادیات گذاشتم متوجه شدم وسط رادیات کاملا خونکه ولی بالای رادیات داغه
سلام، مدار رو به درستی هواگیری کنید، عملکرد ترموستات رو با مقایسه دمای لوله رفت و برگشت رادیاتور چک کنید اگه درست نشد رله ها، سنسورها و دسته سیم رو بررسی کنید.
تو قطعا ترموستات ماشینت مشکل داره
عالی
سمند EF 7 وقتی فن با دور تند شروع به کار میکنه چراغ چک روشن میشه و موتور به پرت پرت می افتد – با خاموش روشن کردن ماشین مشکل حل میشه و چراغ چک خاموش میشه تا دوباره فن بزنه – مشکل از کجاست ؟
سلام، وضعیت باتری رو چک کنید و اگه مدت زمان زیادی از عمر باتری می گذره تعویض کنید اگه باتری سالم هست، اتصال بدنه ها رو بررسی کنید.
سلام يك اشتباه نوشتاري دارين كه توي قسمت سري به جاي بهره گيري از قانون سري نوشتين قانون موازي
سلام و سپاس از شما، بله اصلاح میشه
سلام
خودروی سمندlx 90 دارم همیشه چه زمانی که سرد باشه یا گرم باشه موتور
با استارت دوم روشن میشه
ی ایراد دیگه هم داره، داخل جاده که میرم خود به خود جفت راهنما میزنه.
سلام سرویس روغن رو انجام بدید. انژکتورها رو بشویید و فشار ریل سوخت رو بررسی کنید. نشتی برق یا برق دزدی و اتصال بدنه ها رو چک کنید.
سنسور دور موتور عوض کن صددرصد از اونه
سلام
با روشن کردن خودرو ( پژو 405) در کمتر از 10 ثانیه فن با دور تند شروع به کار میکند و چراغ استپ خودرو روشن می شود و با خاموش کردن خودرو ، همچنان فن کار میکند . روغن خودرو به اندازه کافی
یعنی اصلا موتور هنوز گرم نشده ، رادیاتور پر آب و خب چون هنوز موتور گرم نشده احتمال معیوب بودن ترموستات خیلی کمه
اگه لطف کنید بگید ایراد از کدوم قسمت میتونه باشه، ممنون میشم
سنسور دمای مایع خنک کننده را بررسی کنید
ترموستات نداره ماشینت ببر باطری سازی برات بزاره موقع فصل سرما بدون ترموستات اونجوری میشه
سلام
همین امپر اب میرسه وسط چراغ استپ روشن میشه و فن دور کند کارمیکنه ولی دورتند کار نمیکنه و دوباره بعد از ۷ دقیقه چراغ استپ روشن میشه و تکرار. پیش باتری ساز هم رفتم و از رله ها با سیم امتحان کرد و گفت موتور فن ها سالمن. این اتفاق پریروز ۲۵ دی که برف سنگین اومد افتاد و پشت چراغ قرمز بودم که یهو امپر اب رفت وسط و چراغ استپ روشن شد و بوی سوختگی اومد که بعد از اون هر ۷ یا ۸ دقیقه این اتفاق می افته.
پژو۴۰۵ مدل۴۰۰
سلام ابتدا سیستم خنک کار رو هواگیری کنید و اطمینان حاصل کنید که ترموستات درست باشد. در غیر اینصورت این عیب معمولا ناشی از وجود اتصالی در دسته سیم هست به همین دلیل پس از اطمینان از صحت عملکرد باتری، اتصال بدنه ها چک کنید. بعد رله ها رو بررسی کنید و در صورت لزوم با رله نو جایگزین کنید سپس دسته سیم و کانکتورها رو از لحاظ محکم بودن و اتصالی بررسی کنید، وضعیت سنسور دمای مایع خنک کننده رو هم بررسی کنید اگر درست نشد باید وضعیت ECU بررسی یا با یک ECU سالم جایگزین بشه و نتیجه رو بررسی کنید.
بسیار جامع و کامل
از همراهی شما سپاسگزارم
با سلام ودرود اززحمات ارزشمند شما و جدول بندی صحیح وفوق الاده دقیق سپاسگذاریم سالم و تندرست وپایدار باشید.
سلام و سپاس از همراهی شما
سلام وقت بخیر چطوری میتونم یه کلید بزارم برای فن دور تند که دستی روشن و خاموشش کنم روآ ۸۶
سلام میتونید در مسیر منفی سیم پیچ های رله های فن که توسط کنترل یونیت یا ایسیو کنترل میشه سه کلید گذاشت و به بدنه وصل کرد که با وصل شدن کلیدها، منفی هر سه سیم پیچ برقرار بشه و دور تند فعال بشه.
یه فشنگی کله سبز پیکانی ایساکو بنداز و خودت و راحت کن دیگه آمپرت بالا نمیره
سلام به اساتید محترم
خواستم بدون چطور میتونم دور تند فن پژو رو زمانی که ac کولر رو میزنم وصل کنم که همزمان دور تند روشن بشه ماشین مدل ۸۲ هست و یونیت فن خاکستری رنگ داره ممنون میشم راهنمایی کنید
توضیحات بسیار عالی بود،ممنون از دوستان که تجربیاتشون رو به اشتراک میگذارند،استفاده بردیم
سپاس
اشتبا وصل کردن سوختهای دسته سیم توی داغ شدن ودیر عمل کردن فن وزدو خاموش شدن فن تاثیر داره راحل چیه
سلام متوجه سوال نشدم لطفا دوباره بفرمایید منظورتون چیه؟
سلام مهندس جان خسته نباشی
206مدل 81تیپ2دارم
الان دوهفته هست فن دور کندش کارنمیکنه
شمال بودم یهو آمپر رفت بالا دور تند میزنه ولی کند نه
اومدم تهران دباره کند کارافتاد ولی چندروزه دباره قطع شده راهنمایی بفرمایین ممنون میشم
سلام مدار خنک کاری رو هواگیری کنید، میزان مایع خنک کننده رو تنظیم کنید، عملکرد رله های فن رو بررسی کنید، عملکرد مقاومت فن رو بررسی کنید معمولا با خرابی این مقاومت مشکل دور کند فن بوجود میاد بنابراین هم کانکتورش هم خودش رو بررسی کنید اگه درست نشد عملکرد سنسور مایع خنک کننده رو بررسی کنید.
سلام اقای نصیری پژو 405 مدل 96 دارم بعضی مواقع دور تند کار نمیکنه و امپر میره تا وسط و بعد از چند دیقه دیرتر فن دور تند روشن میشه و دور کند هم سالمه همیشه هم اینجوری نیست فن ها درست کار میکنن فقط بعضی مواقع اینجوری میشه
سلام از وضعیت شارژ باتری اطمینان حاصل کنید، اتصالات باتری و به ویژه اتصال بدنه ها رو تمیز، محکم و تقویت کنید اگه درست نشد کانکتورهای رله ها، وضعیت عملکرد رله سری و موازی و عملکرد سنسور دمای مایع خنک کننده رو بررسی کنید.
با عرض سلام وادب ماشین ۴۰۵مدل۸۱است موقع که کولر روشن میکردم آمپر بالا میرفت بعد جستجو متوجه شدم فن سمت شاگرد بادازسمت رادیاتور به بیرون میزنه وفن سمت راننده باد به سمت رادیاتور میزنه آیا مشکل بالا رفتن آمپر همین است یا خیر لطفاً راهنمایی کنید بعد
سلام بله میتونه از این موضوع باشه ولی نباید اینجوری باشه مگر اینکه اون فنی که هوا رو به سمت بیرون خودرو میزنه جای مثبت و منفی موتور عوض شده باشه. لذا سیم کشی رو بررسی کنید.