وظیفه کلاچ کمپرسور کولر چیست؟ این قطعه از چه اجزایی تشکیل شده و نحوه کار آن چگونه است؟ در مقاله کمپرسور کولر خودرو و انواع آن بهصورت مختصر قطعات مهم معرفی شدند. اما از آنجایی که بسیاری از رانندگان با مشکلاتی نظیر وصل نشدن کلاچ کولر مواجه میشوند، در این مقاله قصد داریم به بررسی دقیق اجزا و نحوه مدیریت کنترل این قطعه بپردازیم.
آنچه در این مقاله خواهید خواند...
سطح این مقاله مقدماتی بوده و برای تمام علاقهمندان به مباحث فنی خودرو مناسب است. پیشنهاد میشود برای درک بهتر مفاهیم، پیش از شروع، مروری بر مقاله قبلی داشته باشید.
دوره آموزش برق خودرو داخلی با مدرک معتبر از دانشگاه شریف
پشتیبانی رایگان بعد از دوره

وظیفه کلاچ کمپرسور کولر؛ چرا کلاچ کولر وصل نمیشود؟
کلاچ کولر یکی از قطعات کلیدی در سیستم تهویه مطبوع خودرو است که وظیفه قطع و وصل را بر عهده دارد.تقریباً همه کمپرسورهای کولر در خودروهای احتراقی از نوع مکانیکی هستند. یعنی برای حرکت نیاز به دریافت گشتاور از موتور را دارند این کمپرسورها از طریق تسمه تجهیزات جانبی به پولی موتور متصل میشوند.
1-تسمه تجهیزات جانبی 2- مجموعه پولی و کلاچ کمپرسور
شکل 1- نحوه دریافت گشتاور در کمپرسورهای مکانیکی
کمپرسورهای از نوع جابهجایی (حجم) ثابت (Fixed Displacement) ساختار خود تنظیمی داخلی ندارد؛ بنابراین اگر بخواهیم به هر دلیلی میزان فشار یا حجم ارسالی را کاهش دهیم راهی غیر از قطع ارتباط مکانیکی بین موتور و شفت کمپرسور وجود ندارد. کلاچ کمپرسور دقیقاً این کار را انجام میدهد. هر زمان که شرایط لازم برای فعالبودن کمپرسور کولر فراهم باشد، کلاچ فعال میشود و گشتاور از طریق تسمه و پولی به شفت اصلی کمپرسور منتقل میشود.کلاچ وظیفه دارد نیروی موتور را برای فشردهسازی گاز کولر خودرو، انواع و خواص آن منتقل کند.
اجزای کلاچ و پولی کمپرسور کولر خودرو
کلاچهای مغناطیسی استفاده شده برای کمپرسور تنوع زیادی دارند؛ اما اجزا اصلی آنها تفاوت خاصی با یکدیگر ندارد. در این بخش چند نمونه از اجزا این کلاچ معرفی میشوند. ابتدا برای درک بهتر نمونه دمونتاژ شده نوع کلاچ در شکل 2 نشان داده شده است.
1- صفحه فشاری 2-پولی 3- بوبین 4- خار رینگی 5-مهره 6- شیم (واشر)
شکل 2- برخی از مهمترین اجزا کلاچ کمپرسور کولر
شکل 3 ارتباط کاملتری از این اجزا را نشان میدهد.
1-صفحه فشاری 2- واشر 3- پولی 4- بوبین 5- بلبرینگ 6- خار رینگی
شکل 3- اجزا نوعی کلاچ کمپرسور کولر
صفحه فشاری که با نام صفحه اتصال و گاهی نیز آرمیچر (Armature) و یا صفحه کلاچ نیز در برخی از کاتالوگها معرفی میشوند در واقع عامل ارتباط اصلی بین شفت کمپرسور و کلاچ است. این صفحه که کمی هم حالت فنری دارد توسط یکمهره یا پیچ به محور کمپرسور متصل میشود.
1-صفحه فشاری 2- بلبرینگ 3-پوسته کمپرسور
شکل 4- نحوه اتصال صفحه فشاری به شفت کمپرسور
دوره مالتی پلکس خودرو با مدرک معتبر از دانشگاه شریف

این صفحه کلاچ باید بتواند کمی حرکت در راستای محور شفت داشته باشد؛ بنابراین بخشی از آن بهصورت هزارخار ساخته میشود که بتواند حرکتی (در حدود 2 الی 3 میلیمتر) روی شفت داشته باشد. (شکل5)
A: پیچ اتصال صفحه فشاری به شفت
B: 1-شفت کمپرسور 2- هزار خار روی صفحه فشاری3-صفحه اصطکاکی
شکل 5- نحوه اتصال صفحه فشاری (کلاچ) به شفت و پولی
پولی توسط بلبرینگ روی پوسته کمپرسور قرار گرفته است. معمولاً برای کوچککردن فضا و تأثیر بهتر میدان مغناطیسی بوبین، پولی طوری طراحی میشود که بوبین داخل آن قرار گیرد . (شکل 6)
1- بلبرینگ 2- بوبین 3- محل قرار گرفتن بوبین داخل پولی 4- پولی
شکل 6- نحوه قرار گرفتن پولی و بدنه بوبین
بدنه بوبین بهنوعی روی پوسته متصل میشود در برخی مدلها با استفاده از یک شیار روی بدنه کمپرسور و یک خار روی بوبین (یا برعکس) و در برخی مدلها با استفاده از پیج روی بدنه کمپرسور بسته میشود. (شکل7)
1-بوبین 2-بدنه کمپرسور 3- پین قفلی روی بوبین و شیار تثبیت آن روی بدنه
شکل 7- نحوه قرار گرفتن بوبین روی بدنه
طرز کار و نحوه وصل شدن کلاچ کمپرسور کولر
همانطور که اشاره شد در حالت عادی پولی روی پوسته یاتاقانبندی شده است؛ بنابراین در زمان روشن بودن موتور، و حرکت تسمه تجهیزات جانبی موتور، پولی کمپرسور بهراحتی دوران میکند. (شکل 8 A)
A: حالت غیرفعال B: حالت فعال
1-تسمه تجهیزات جانبی 2- مجموعه کلاچ کمپرسور
شکل8- حالت فعال و غیر فعال کلاچ کمپرسور کولر
هنگامی که جریان برق بوبین متصل میشد میدان مغناطیسی تولید باعث جذب صفحه فشاری (کلاچ) به سمت پولی میشود و از طریق صفحه اصطکاکی (شکل 5 شماره 3) این دو قطعه به هم فشرده شده و به حالت یکپارچه در میایند. از این زمان به بعد حرکت پولی از طریق صفحه فشاری به شفت کمپرسور متصل شده و آن را میچرخاند. با درگیری کلاچ، فرآیند اصلی عملکرد کمپرسور کولر آغاز میشود. شکل 9 این مکانیزم را بهتر نشان میدهد.
1-صفحه اصطکاکی 2- تسمه 3- پولی 4- شفت کمپرسور
A: حالت قطع بودن کلاچ – فقط تسمه و پولی میچرخند
B:حالت وصلشدن کلاچ – تسمه، پولی، صفحه اصطکاکی، صفحه فشاری، شفت کمپرسور میچرخند
شکل 9- بررسی اجزا فعال و غیر فعال در عملکرد کلاچ کمپرسور
عیبیابی و مدیریت کنترل کلاچ کمپرسور (پژو ۴۰۵ و سمند)
این فرایند در ظاهر بسیار ساده است؛ یعنی کافی است جریان برق بوبین به نحوی قطع شود؛ اما مدیریت شرایط کمی کار را پیچیدهتر میکند همانطور که در ابتدا بیان شد هدف استفاده از کلاچ کمپرسور، قطعکردن و وصل کردن آن در شرایط ضروری و مناسب است. شکل 10 برخی از مهمترین موارد ضروروی را معرفی میکند.
شکل 10- برخی از مهمترین دلایل مدیریت غیر فعال شدن کلاچ کمپرسور
همانطور که مشاهده میشود سادهترین دلیل خاموشکردن کولر (کلید A/C) است. در این حالت باید کلاچ از کار بیفتد. یکی دیگر از دلایل قطعشدن برق کلاچ افزایش یا کاهش بیش از حد فشار گاز داخل مدار است. اگر فشار گاز از حد خاصی کمتر باشد، فرایند خنککاری درست انجام نخواهد شد و اگر بیش از حد باشد احتمال ایجاد نشتی در مدار وجود خواهد داشت.
[/vc_cta]دوره آموزش تعمیرات ایسیو با ارائه نرم افزار تعمیرات ایسیو به صورت رایگان

گاهی ممکن است دمای اواپراتور بیش از حد کاهش یابد در این حالت شیر انبساطی شروع به یخزدن خواهد کرد و در نتیجه فشار گاز در مدار بالا خواهد رفت. پس هیچگاه نباید دمای اواپراتور صفر شود. گاهی نیز ممکن است موتور تحتفشار زیادی کار کند، ECU موتور شرایط موتور را با سنسورهای مختلف مدیریت میکند و بر اساس مپ برنامهریزیشده اگر شرایط از حد خاصی بحرانیتر شود برق کلاچ کمپرسور باید قطع شود.
گاهی راننده فراموش میکند کلید A/C را خاموش کند و موتور را خاموش میکند. اگر بعد از مدتی بخواهد موتور را مجدداً روشن کند با اینکه کلید A/C روشن است اما ECU تشخیص میدهد که در زمان استارت باید کلاچ قطع باشد؛ بنابراین برق تغذیه قطع میشود. یکی دیگر از دلایل قطعشدن برق کلاچ، رسیدن دما اتاق به حد تنظیم شده در سیستمهای اتوماتیک است. هنگامی که راننده عددی را تنظیم میکند، سنسور داخل اتاق دمای فعلی را تشخیص میدهد و به سیستم تهویه اطلاع میدهد. درصورتیکه دما به حد موردنظر رسید برق کلاچ باید قطع شود.
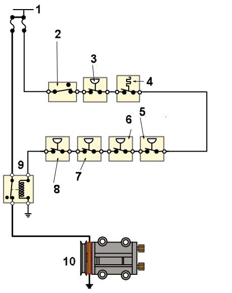
شکل 11 بهصورت نمادین بخشهای مختلفی را که مدیریت کلاچ را بر عهده دارد نشان میدهد.
1-فیوز 2-کلید(A/C) 3-کلید کنترل فشار 4- کلید کنترل دما 5-کلید کنترل فشار سمت کم فشار
6- کلید کنترل فشار سمت پر فشار 7-کلید مدیریت دمای اتاق 8- کلید مدیریت ECU
9- رله کلاچ 10-کلاچ کمپرسور
شکل 11- شکل نمادین در مدیریت عملکرد کلاچ کمپرسور کولر
همانطور که در شکل نمادین 11 مشاهده میشود تمامی مدیریتها باعث فعال شدن رله کلاچ میشود و بعد از آن جریان برق از طریق رله به کلاچ کمپرسور میرسد. البته معمولاً در حالت واقعی بیش از یک رله در مدار وجود دارد تا فشار وارده روی رله کاهش پیدا کند. به عنوان نمونه اجزایی که در عملکرد کلاچ کمپرسور در خودرو پارس با سیستم سندن در شکل 12 نشان داده شده است.
1-ECU موتور 2-سنسور دمای مایع خنک کننده موتور 3-کلاچ کمپرسور 4- سوییچ سه مرحلهای
5-رلع قطع کن ECU 6-رله قطع کن دور فن کولر 7- رله قطع کن مدیریت دما اواپراتور
8-کلید A/C 9- یونیت کولر 10- سنسور دمای اواپراتور
شکل 12- مدار واقعی مدیریت کلاچ کمپرسور
مدیریت کلاچ به پارامترهای مختلفی از جمله فشار مدار بستگی دارد؛ لذا اگر کلاچ وصل نمیشود، ممکن است نیاز به نشتیابی گاز کولر خودرو و بررسی فشار مدار باشد.هماهنگی اجزای مدار برای رسیدن به سرمایش مطلوب ضروری است؛ در واقع در سیستمهای مدرن، کلاچ هماهنگ با ساختار شیر انبساطی در مدار کولر عمل میکند تا دبی مبرد متناسب با نیاز اواپراتور تنظیم شود
نویسنده : مهندس بهروز خطیبی

























عالی
سلام و سپاس از همراهی شما